GM Service Manual Online
For 1990-2009 cars only
Makes
🢒
Chevrolet
🢒
2007
🢒
Corvette
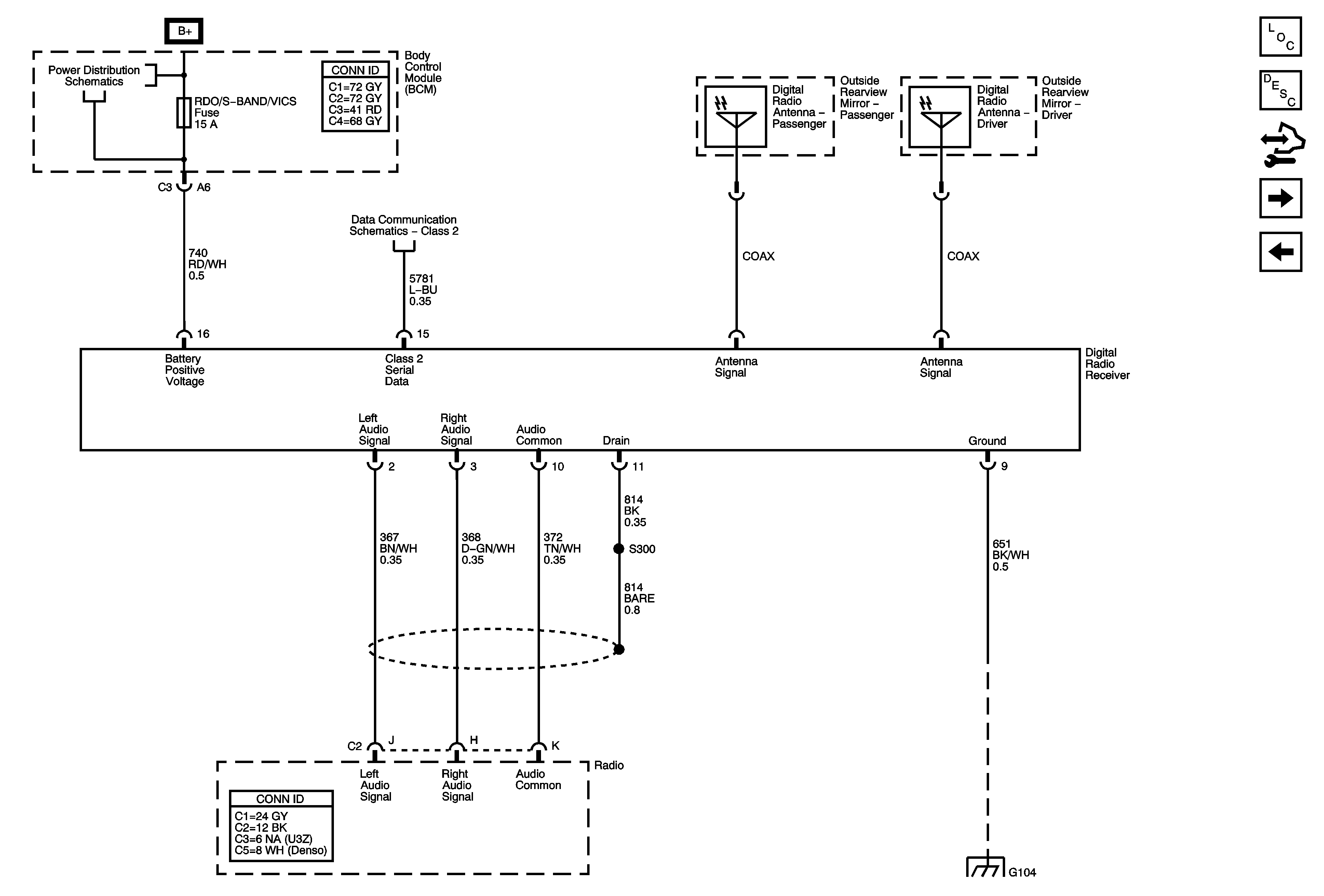
🢒 Digital Radio Receiver (U2K)
Digital Radio Receiver (U2K)
Digital Radio Receiver (U2K)
Master Electrical Component List
Radio/Audio System Description and Operation
Control Module References
Antennas except U2K, References to Navigation and OnStar
Fuse Block - Underhood BATT3 and STOP/B/U/LAMPS Fuses, BCM Fuses: BTSI SOL/STR WHL LCK, RDO/S-BAND/VICS, REAR FOG/ALDL/TOP SWTCH, REVERSE LAMPS and TONNEAU RELSE, BCK/UP LAMP, STOP LAMP Relays
Class 2
G104, G106, and G303