GM Service Manual Online
For 1990-2009 cars only
Makes
🢒
Chevrolet
🢒
2007
🢒
Corvette
🢒 Immobilizer Schematics
Immobilizer Schematics
Vehicle Theft Deterrent
Master Electrical Component List
Immobilizer Description and Operation
Control Module References
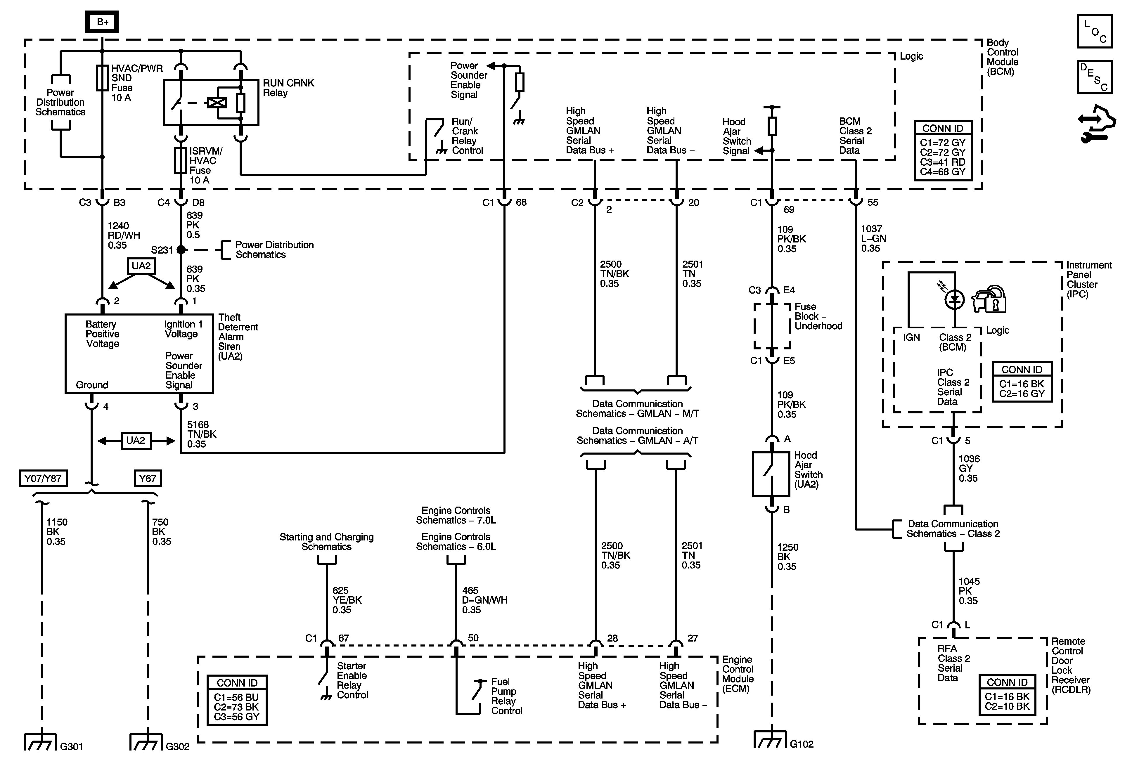
Theft Deterrent Schematics
BCM Fuses: CLSTR/HUD, CRUISE SWTCH, CTSY/LAMP, DR LCK, EXH MDL, HVAC/PWR SND, ISRVM/HVAC and RUN CRNK Relay
BCM Fuses: CLSTR/HUD, CRUISE SWTCH, CTSY/LAMP, DR LCK, EXH MDL, HVAC/PWR SND, ISRVM/HVAC and RUN CRNK Relay
GMLAN - M/T
GMLAN - A/T
Fuel Pump Controls and Injectors
Cranking, 1 of 2
Fuel Controls - Fuel Pump Controls and Injectors
Class 2
G301
G102