GM Service Manual Online
For 1990-2009 cars only
Makes
🢒
Chevrolet
🢒
2008
🢒
Corvette
🢒
Diagnostic Navigation
🢒
Vehicle Diagnostic Information
🢒 Antilock Brake System Schematics
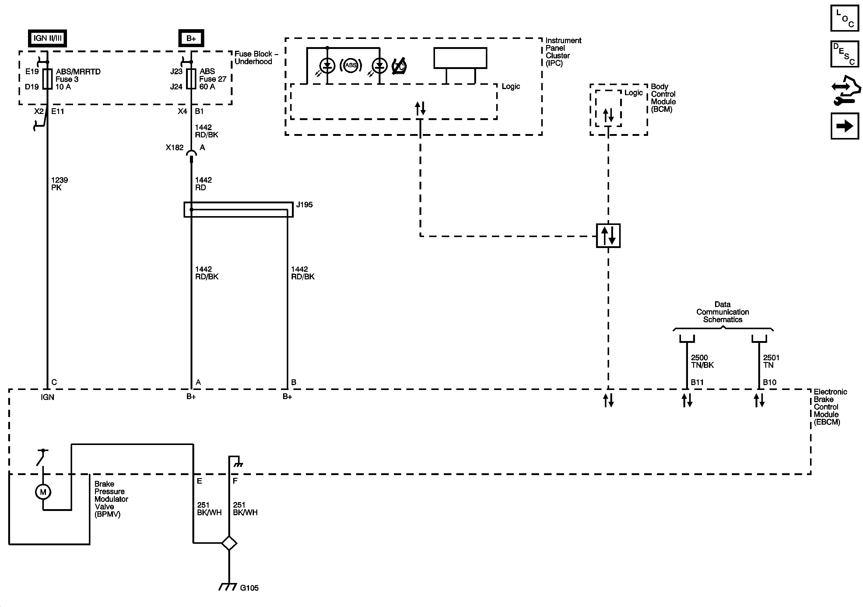
Figure
1:
Power, Ground, Indicators, Brake Pressure Modulator Valve, Brake Pedal Position (BPP) Sensor, and Traction Control Switch (TCS)
Master Electrical Component List
ABS Description and Operation
Control Module References
Brake Pedal Position Sensor, Traction Control Switch, and Stop Lamp Switch Signal
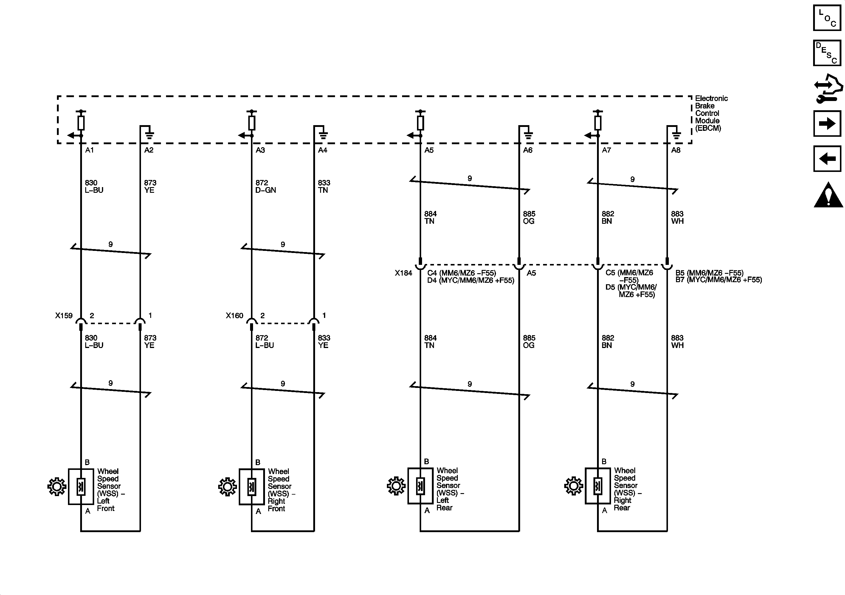
Figure
2:
Wheel Speed Sensors
Master Electrical Component List
ABS Description and Operation
Control Module References
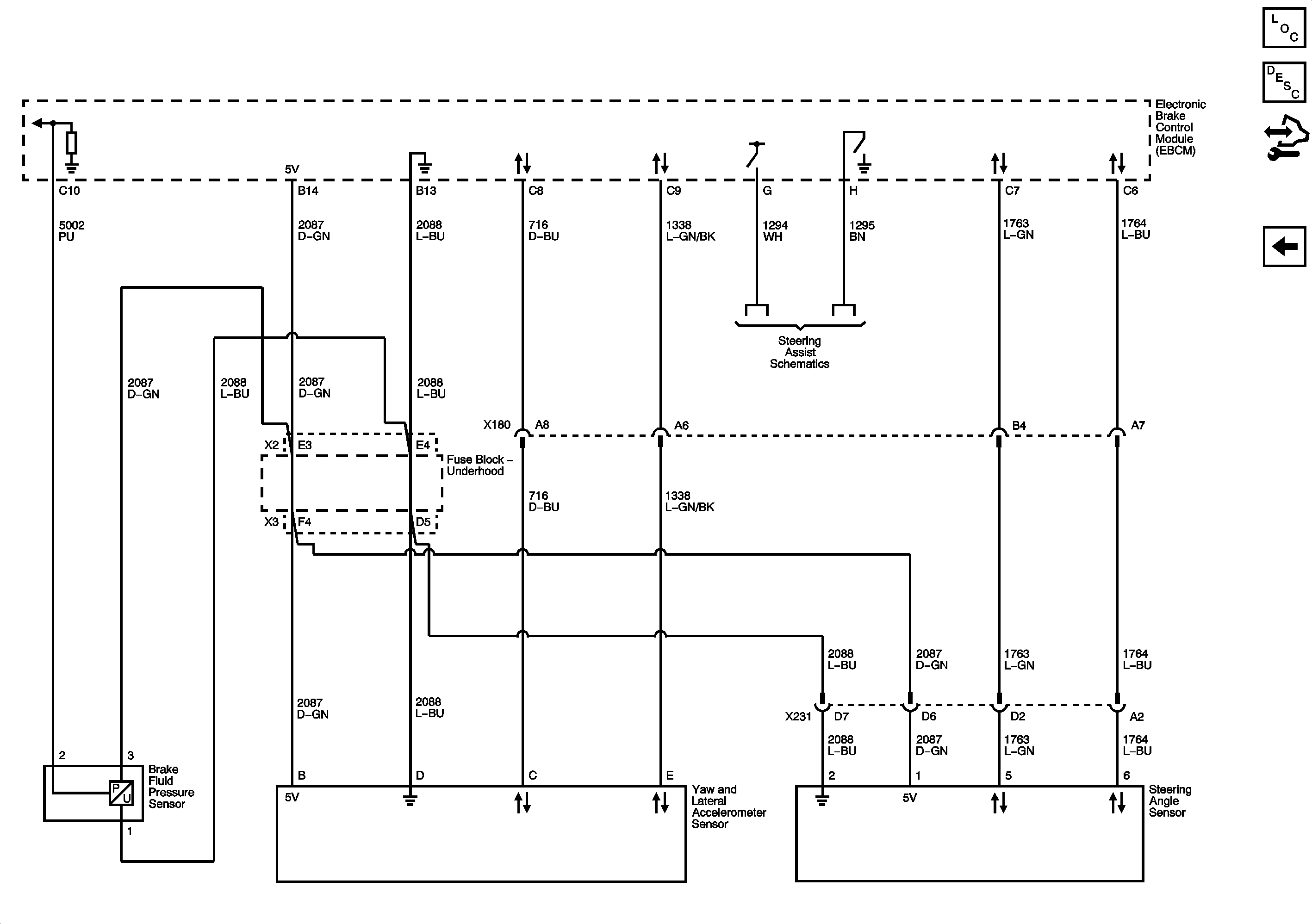
Stability Control Sensors (JL4)
Figure
3:
Stability Controls Sensors (JL4)
Master Electrical Component List
ABS Description and Operation
Control Module References
Wheel Speed Sensors
Brake Pedal Position Sensor, Traction Control Switch, and Stop Lamp Switch Signal