GM Service Manual Online
For 1990-2009 cars only
Makes
🢒
Chevrolet
🢒
2004
🢒
Epica
🢒
Engine
🢒
Engine Electrical
🢒 Starting and Charging Schematics
Figure
1:
Starting System
Master Electrical Component List
Charging System
Underhood Fuse Block - IGN2 Fuse, Ignition Switch, I/P Fuse Block - AUTO A/C BCM, HVAC EPS, ABS and HTD MIR Fuses
Data Link Connector
Power, Ground, Hold Switch and DLC
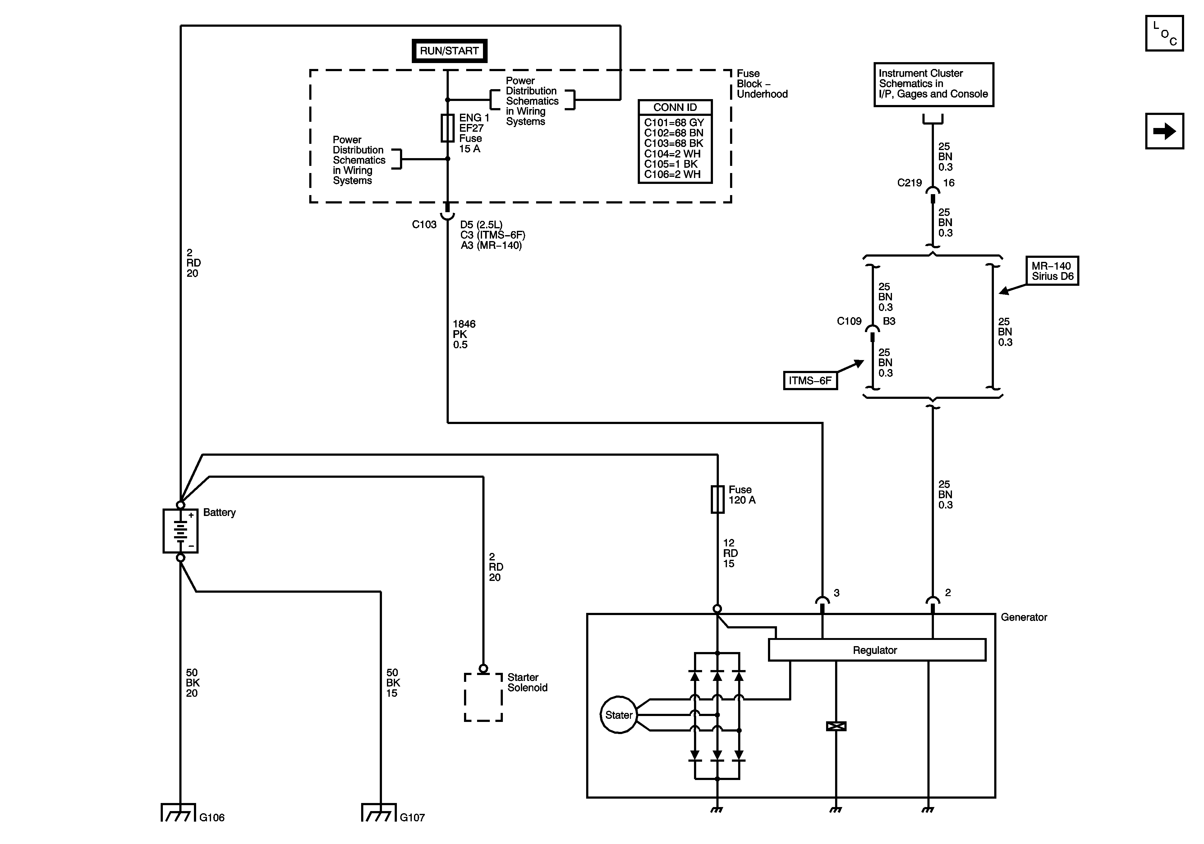
Figure
2:
Starting and Charging
Master Electrical Component List
Starting System
Underhood Fuse Block - ENG1, COOL FAN HIGH, and COOL FAN LOW Fuses
Underhood Fuse Block - ENG1, COOL FAN HIGH, and COOL FAN LOW Fuses
Power, Ground, and Gages (2.5L Sirius D6)