GM Service Manual Online
For 1990-2009 cars only
Makes
🢒
Chevrolet
🢒
2004
🢒
Epica
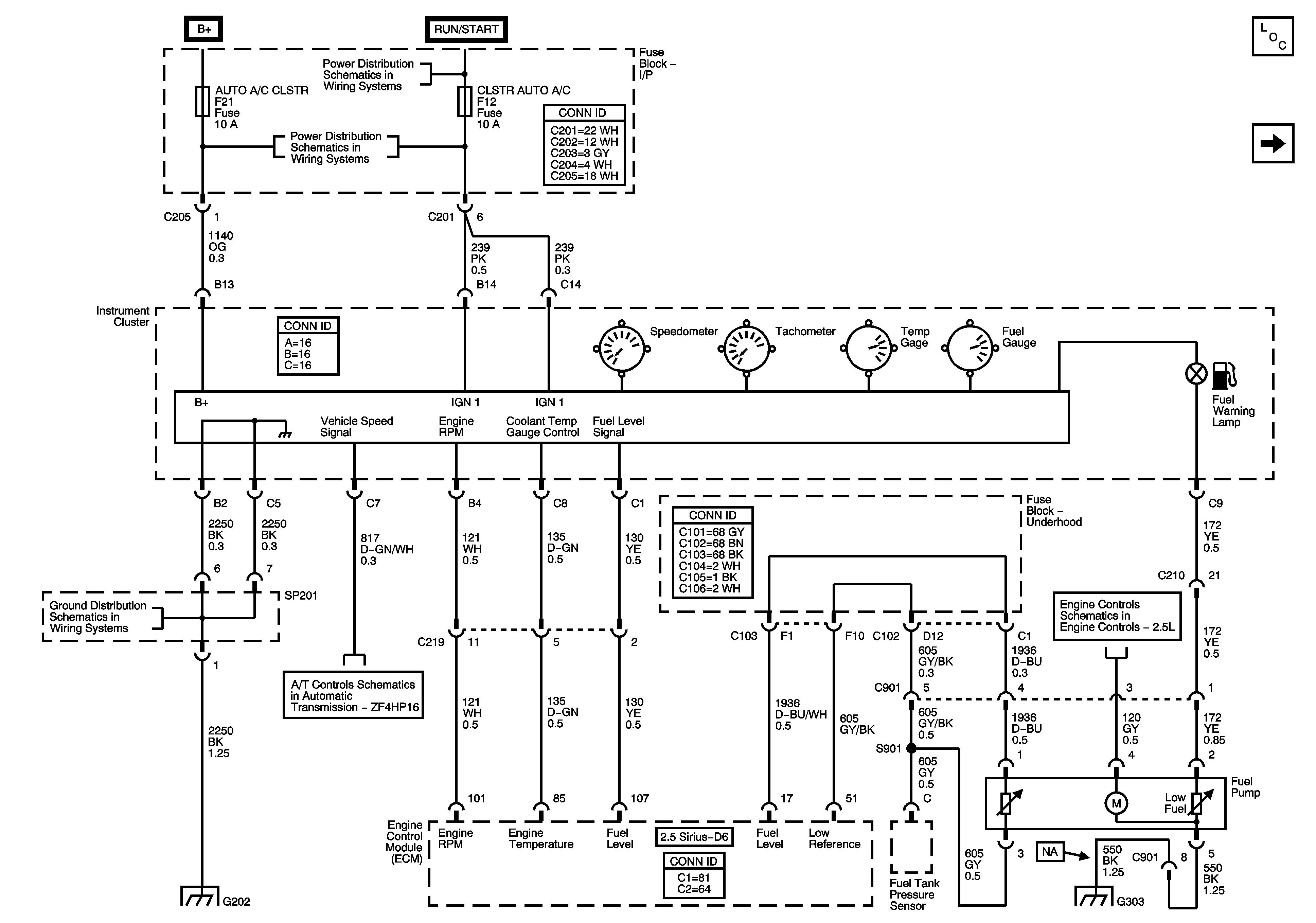
🢒 Power, Ground, and Gages (2.5L Sirius D6)
Power, Ground, and Gages (2.5L Sirius D6)
Power, Ground, and Gages (2.5L Sirius D6)
Master Electrical Component List
Malfuntion Indicator Lamp (MIL), Speed Sensitive Power Steering (SSPS), and HOLD Warning Lamps, PRNDL Indicator
I/P Fuse Block - WPR, TCM BTSI, BCM ABS, CLSTR AUTO A/C and WSWA Fuses
Underhood Fuse Block - A/C and IP Fuse BATT, I/P Fuse Block - RADIO CRUISE, AUTO HVAC CLSTR, and DLC Fuses
G201, G202
Vehicle Speed Signal
Fuel Controls - Fuel Pump Controls and Fuel Injectors