GM Service Manual Online
For 1990-2009 cars only
Makes
🢒
Chevrolet
🢒
2004
🢒
Epica
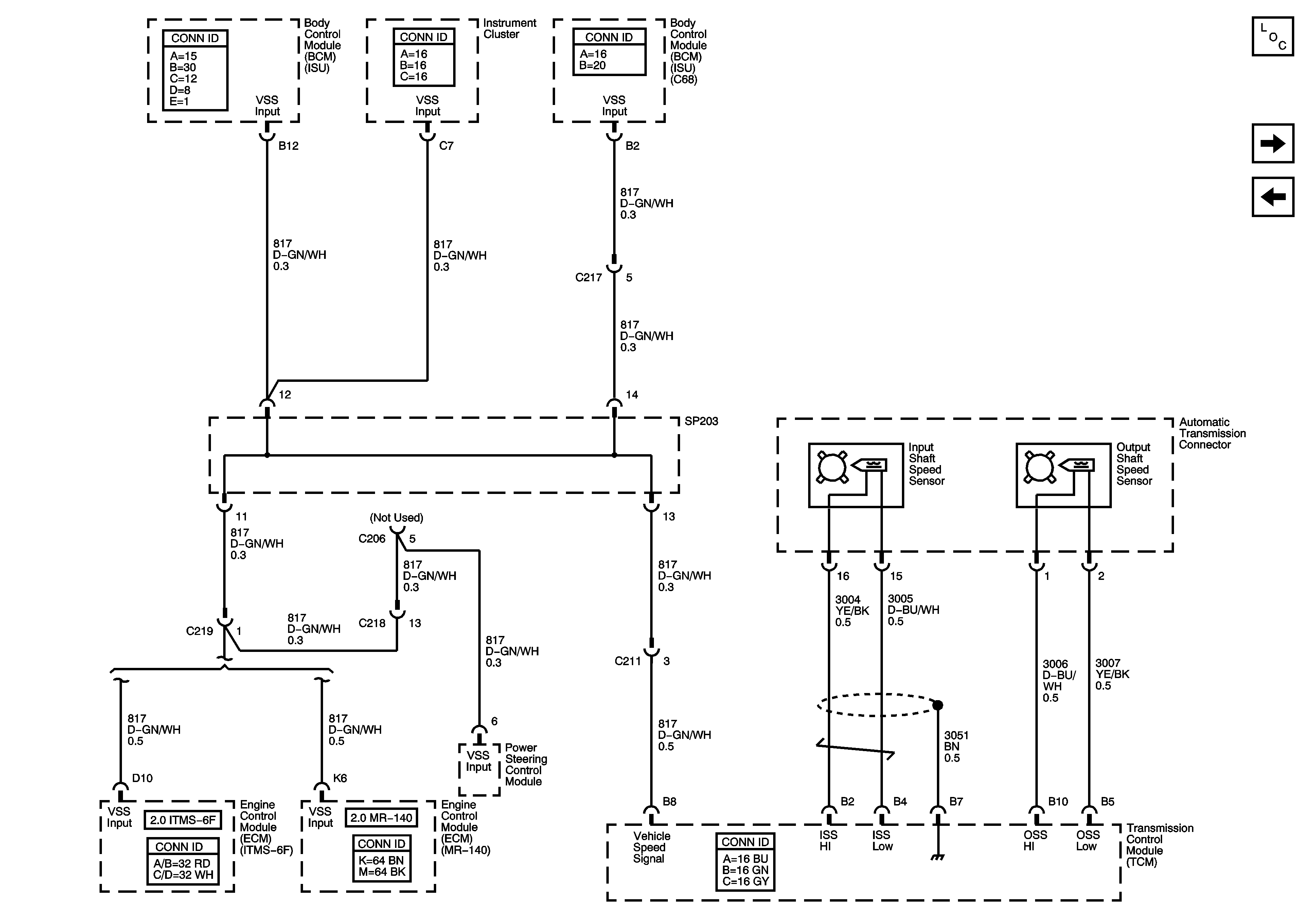
🢒 Vehicle Speed Signal
Vehicle Speed Signal
Vehicle Speed Signal
Master Electrical Component List
Park/Neutral Position (PNP) Switch
Shift and Pressure Control Solenoids