GM Service Manual Online
For 1990-2009 cars only
Makes
🢒
Chevrolet
🢒
2004
🢒
Epica
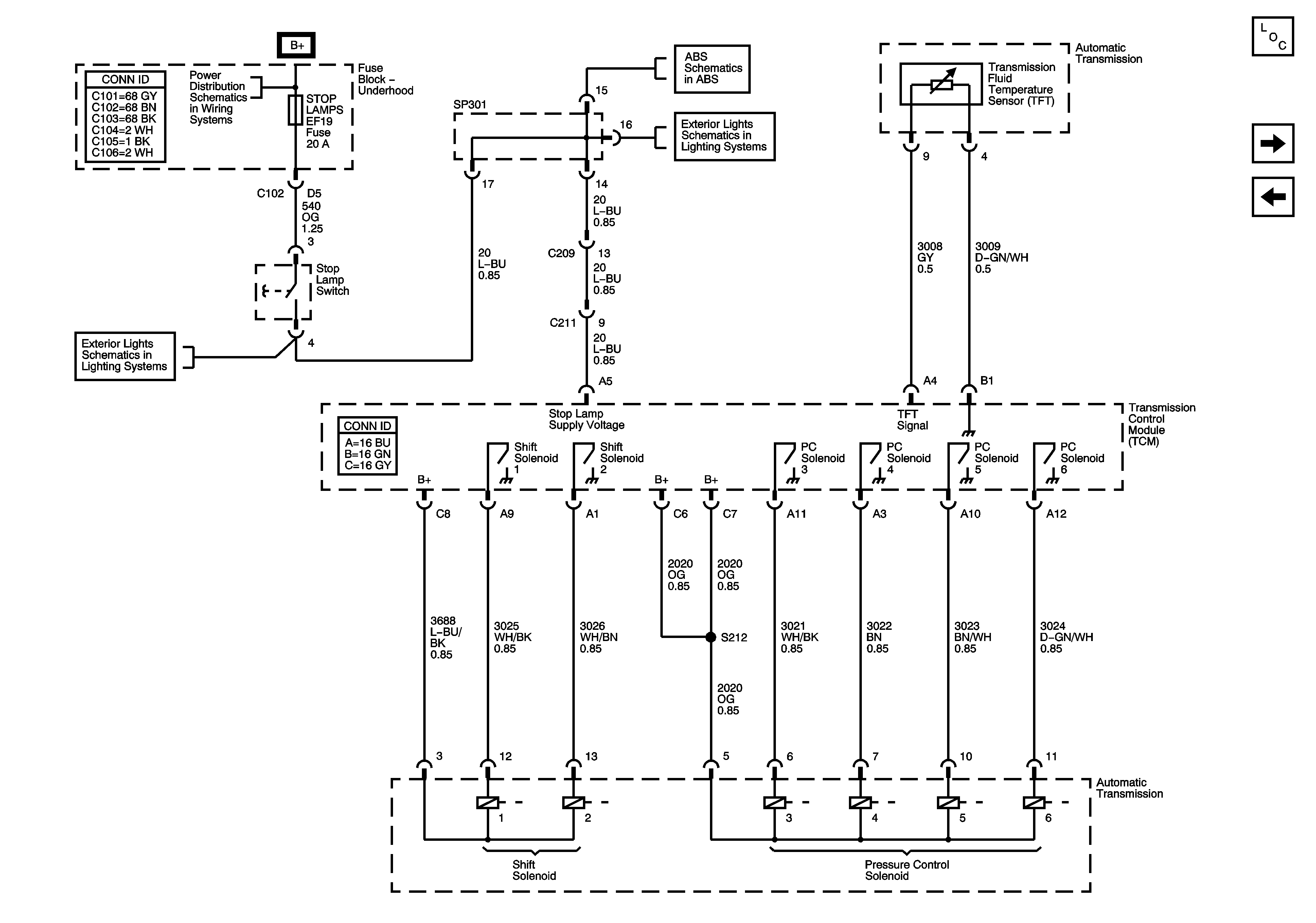
🢒 Shift and Pressure Control Solenoids
Shift and Pressure Control Solenoids
Shift and Pressure Control Solenoids
Master Electrical Component List
Vehicle Speed Signal
Transmission Control Module (TCM) - Engine Control Module (ECM) Communications
Underhood Fuse Block - STOP LAMPS, HI BEAM PASSING, and ECM Fuses
Power Ground, Warning Lamps, Stop Lamp Switch
Stop Lamps
Stop Lamps