GM Service Manual Online
For 1990-2009 cars only
Makes
🢒
Chevrolet
🢒
2004
🢒
Epica
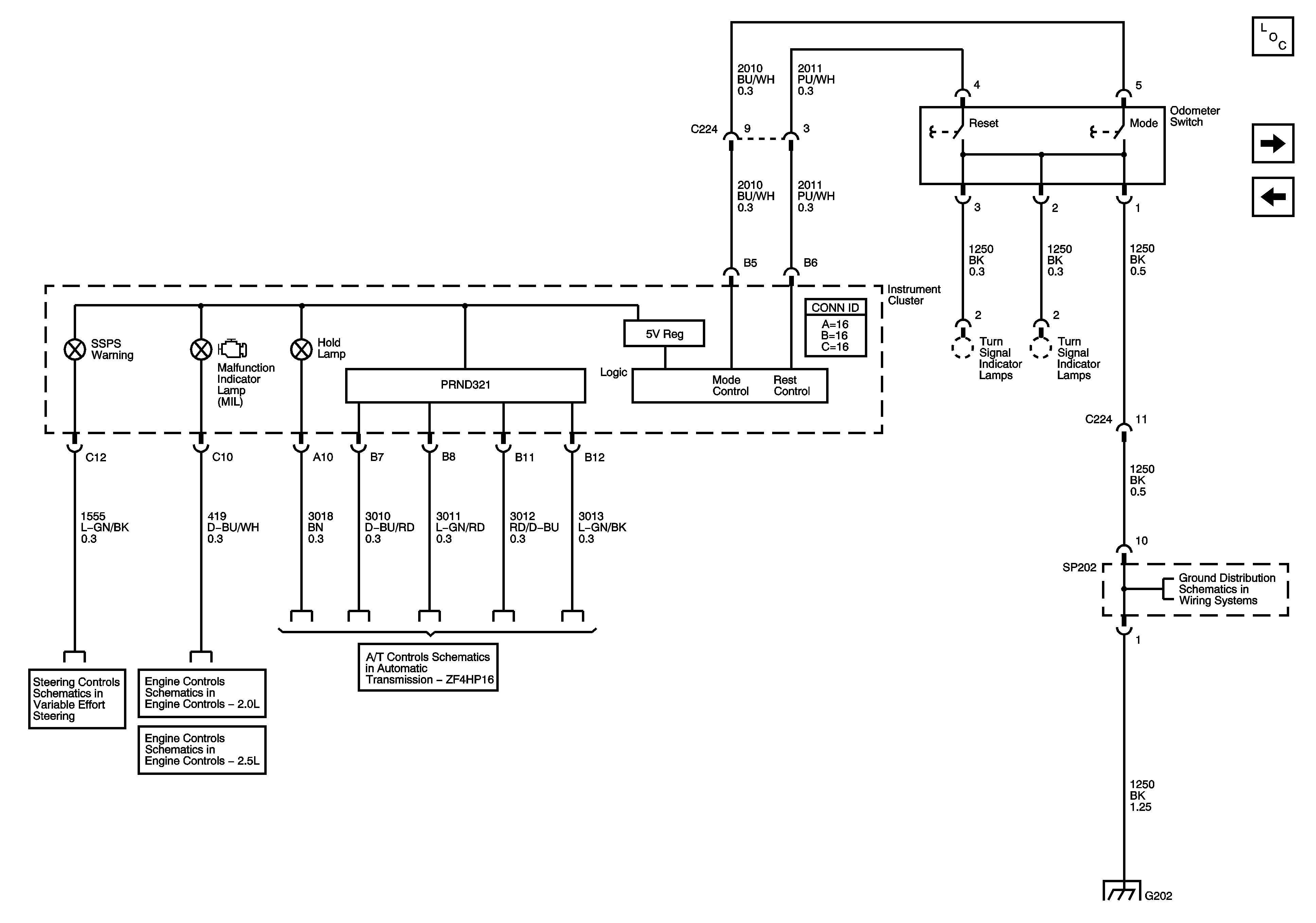
🢒 Malfuntion Indicator Lamp (MIL), Speed Sensitive Power Steering (SSPS), and HOLD Warning Lamps, PRNDL Indicator
Malfuntion Indicator Lamp (MIL), Speed Sensitive Power Steering (SSPS), and HOLD Warning Lamps, PRNDL Indicator
Malfunction Indicator Lamp (MIL), Speed Sensitive Power Steering (SSPS), and HOLD Warning Lamps, PRNDL Indicator
Master Electrical Component List
Warning Lamps
Power, Ground, and Gages (2.5L Sirius D6)
Variable Effort Steering Schematics
Module Power, Ground, Serial Data, MIL
Module Power, Ground, Serial Data, Malfunction Indicator Lamp (MIL)
Park/Neutral Position (PNP) Switch
G201, G202