GM Service Manual Online
For 1990-2009 cars only
Makes
🢒
Chevrolet
🢒
2004
🢒
Epica
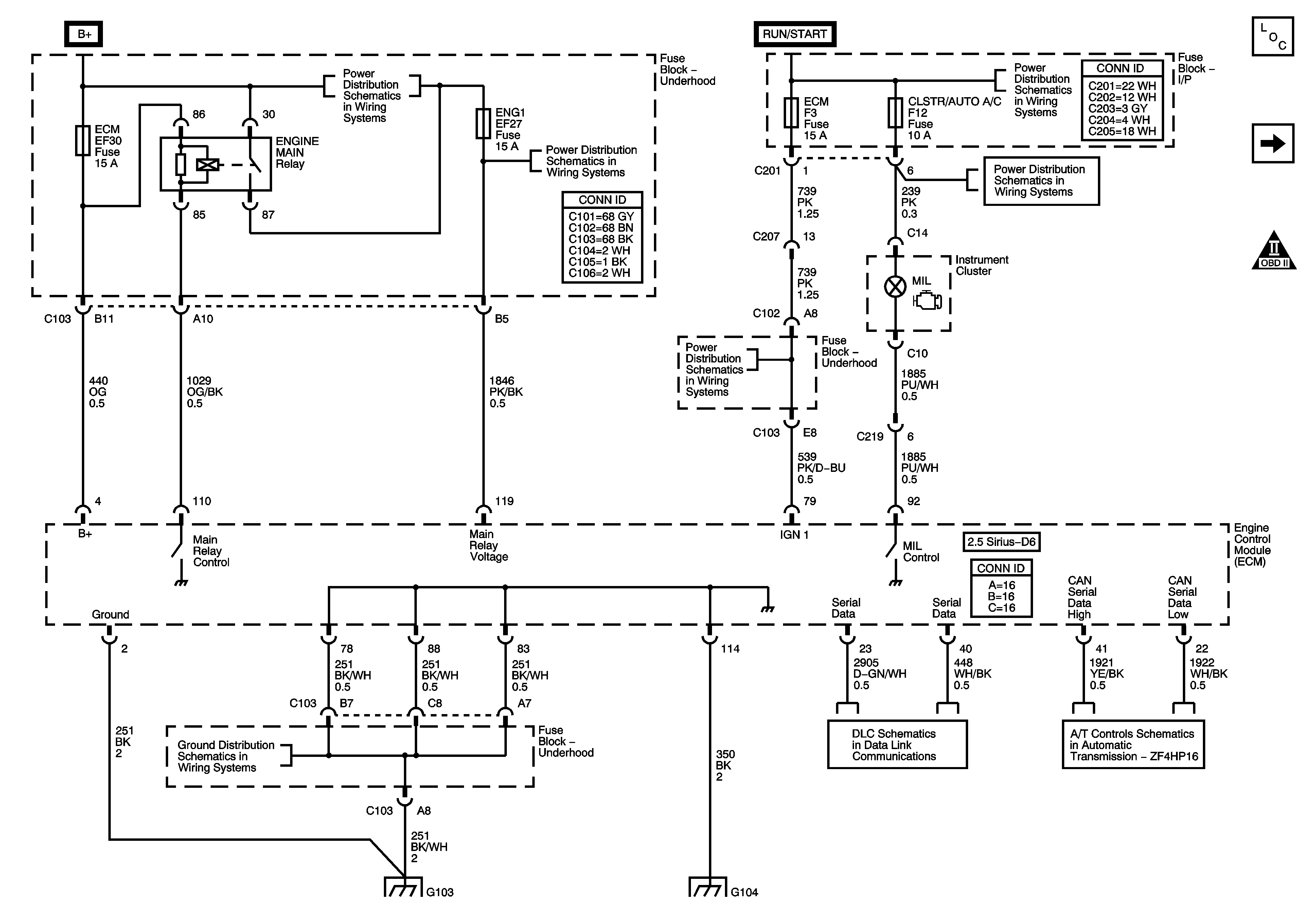
🢒 Module Power, Ground, Serial Data, Malfunction Indicator Lamp (MIL)
Module Power, Ground, Serial Data, Malfunction Indicator Lamp (MIL)
Module Power, Ground, Serial Data, Malfunction Indicator Lamp (MIL)
Master Electrical Component List
Engine Data Sensors - Pressure and Temperature, Vehicle Speed Sensor (VSS), Mass Air Flow (MAF)
Engine Controls Schematic Icons
Underhood Fuse Block - STOP LAMPS, HI BEAM PASSING, and ECM Fuses
Underhood Fuse Block - ENG1, COOL FAN HIGH, and COOL FAN LOW Fuses
Underhood Fuse Block - IGN1 Fuse, Ignition Switch, I/P Fuse Block - LTR, HTD SEAT, CLK, RADIO, AIR BAG, BCK/UP CRUISE, and ECM Fuses
I/P Fuse Block - WPR, TCM BTSI, BCM ABS, CLSTR AUTO A/C and WSWA Fuses
Underhood Fuse Block - IGN1 Fuse, Ignition Switch, I/P Fuse Block - LTR, HTD SEAT, CLK, RADIO, AIR BAG, BCK/UP CRUISE, and ECM Fuses
G103 (2.5L)
Data Link Connector
I/P Fuse Block - WPR, TCM BTSI, BCM ABS, CLSTR AUTO A/C and WSWA Fuses