GM Service Manual Online
For 1990-2009 cars only
Makes
🢒
Chevrolet
🢒
2004
🢒
Epica
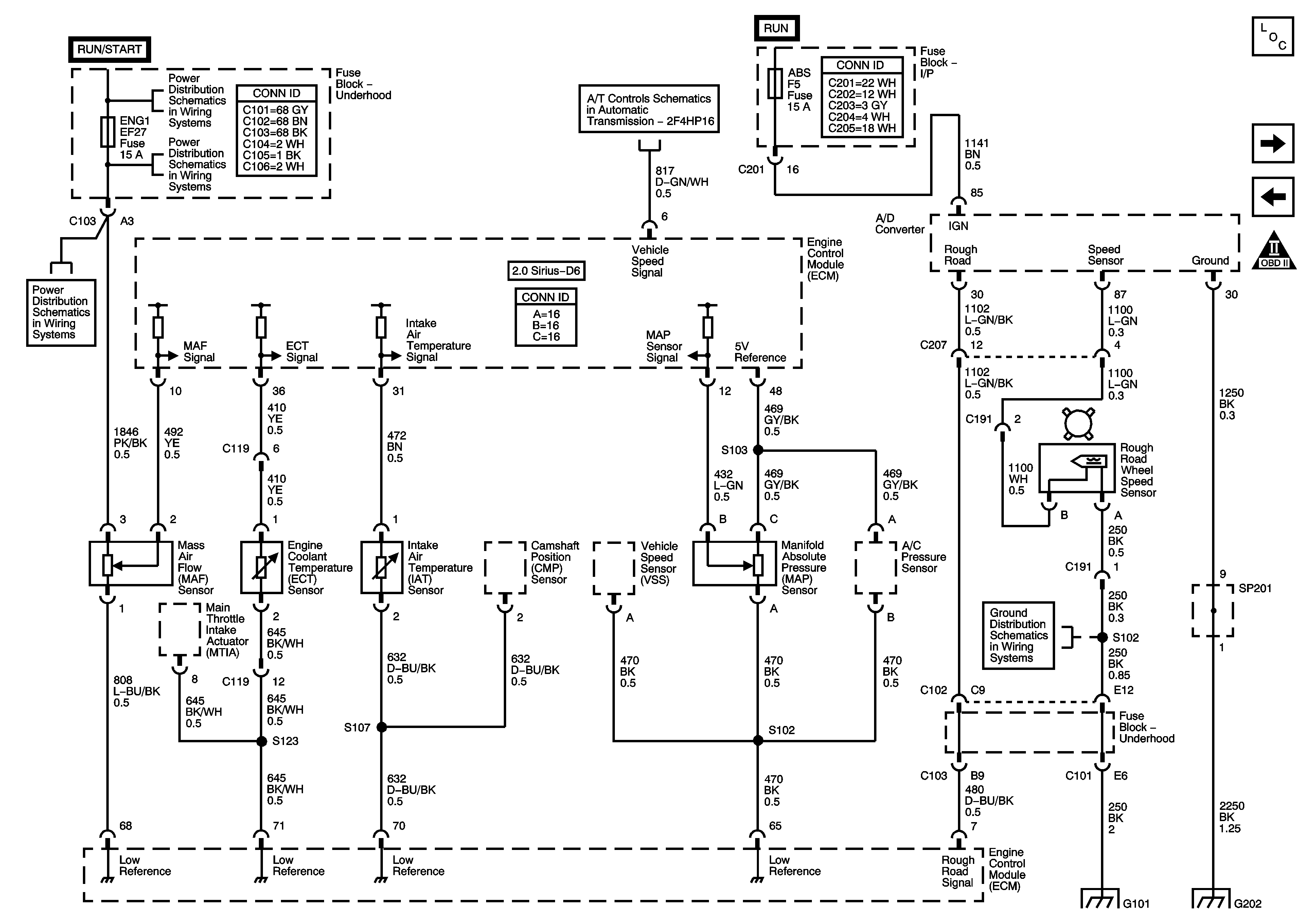
🢒 Engine Data Sensors - Pressure and Temperature, Vehicle Speed Sensor (VSS), Mass Air Flow (MAF)
Engine Data Sensors - Pressure and Temperature, Vehicle Speed Sensor (VSS), Mass Air Flow (MAF)
Engine Data Sensors - Pressure and Temperature, Vehicle Speed Sensor (VSS), Mass Air Flow (MAF)
Master Electrical Component List
Engine Data Sensors - Oxygen Sensors
Module Power, Ground, Serial Data, Malfunction Indicator Lamp (MIL)
Engine Controls Schematic Icons
Underhood Fuse Block - ENG1, COOL FAN HIGH, and COOL FAN LOW Fuses
Underhood Fuse Block - ENG1, COOL FAN HIGH, and COOL FAN LOW Fuses
Vehicle Speed Signal
Underhood Fuse Block - ENG1, COOL FAN HIGH, and COOL FAN LOW Fuses
G101