GM Service Manual Online
For 1990-2009 cars only
Makes
🢒
Chevrolet
🢒
2004
🢒
Epica
🢒
Accessories
🢒
Theft Deterrent
🢒 Theft Deterrent System Schematics
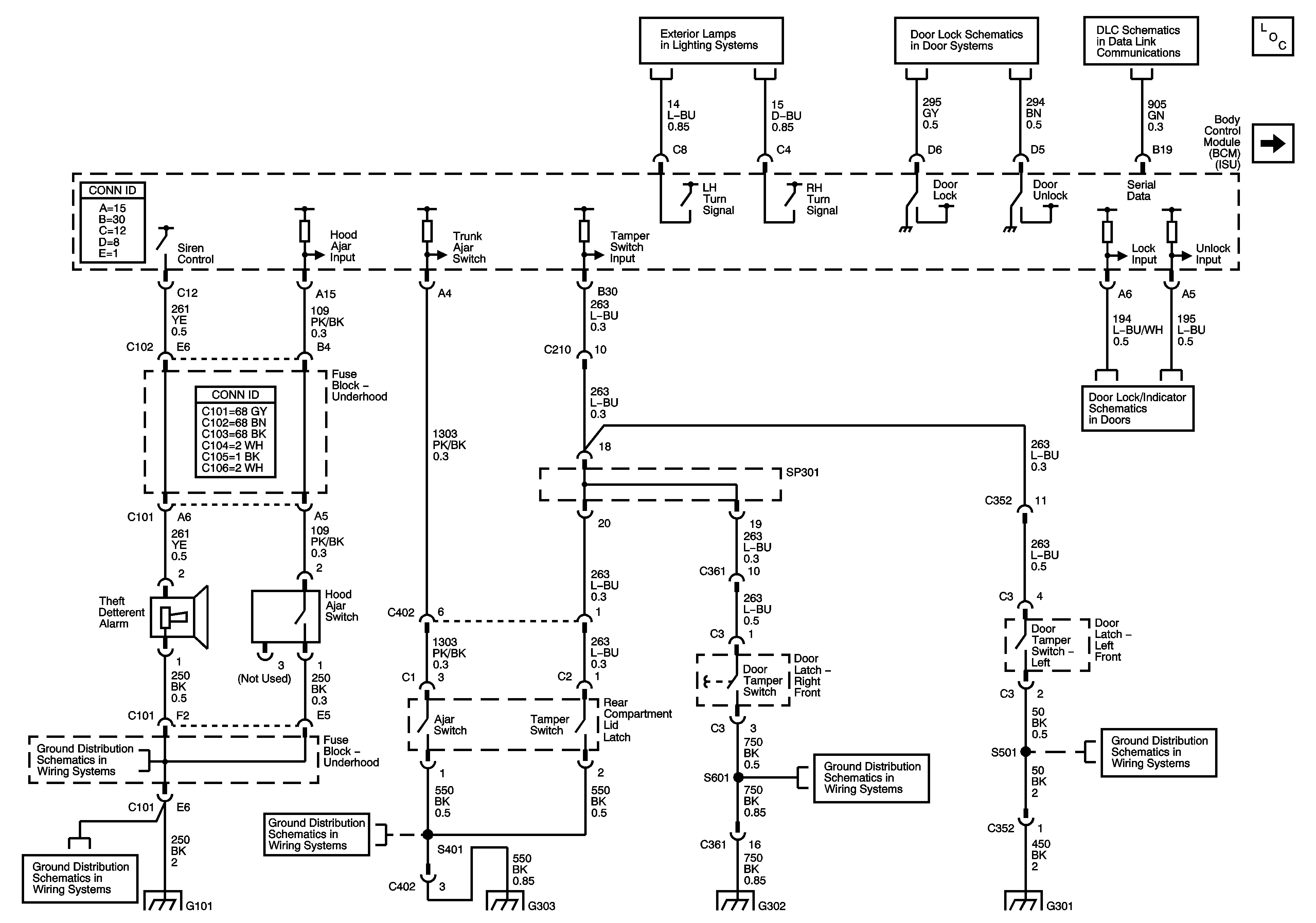
Figure
1:
Content Theft Deterrent System
Master Electrical Component List
Vehicle Theft Deterrent System (Immobilizer)
Data Link Connector
Power Door Locks
Turn and Hazard Lamps - North America
Power Door Locks
G301
G302
G303
G101
G101
Figure
2:
Vehicle Theft Deterrent System (Immobilizer)
Master Electrical Component List
Content Theft Deterrent System
I/P Fuse Block - WPR, TCM BTSI, BCM ABS, CLSTR AUTO A/C and WSWA Fuses
I/P Fuse Block - WPR, TCM BTSI, BCM ABS, CLSTR AUTO A/C and WSWA Fuses