GM Service Manual Online
For 1990-2009 cars only
Makes
🢒
Chevrolet
🢒
2004
🢒
Epica
🢒
Transmission/Transaxle
🢒
Shift Lock Control
🢒 Shift Lock Control Schematics
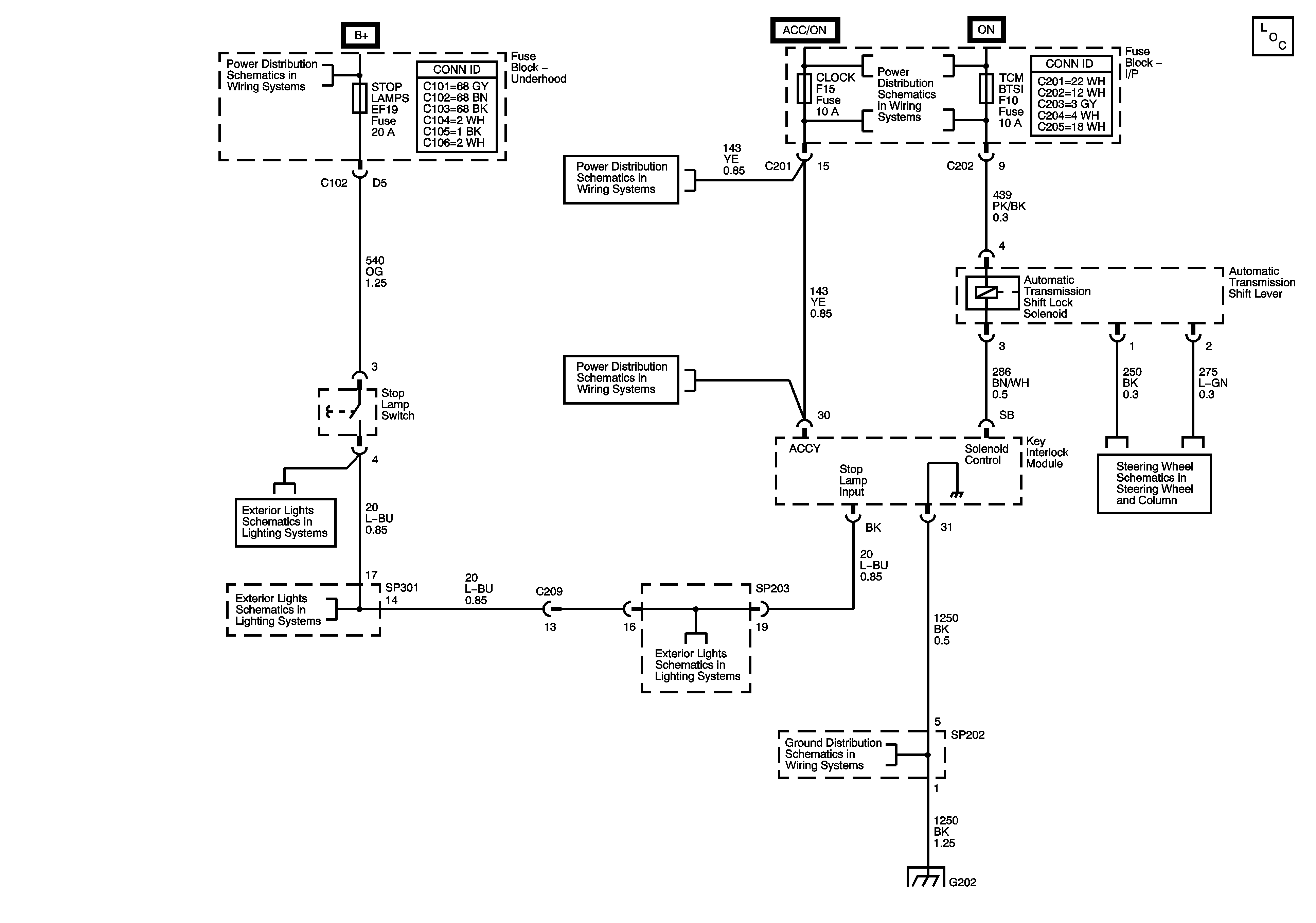
Figure
1:
Automatic Transmission Shift Lock Control - 2.0L
Master Electrical Component List
Underhood Fuse Block - STOP LAMPS, HI BEAM PASSING, and ECM Fuses
Underhood Fuse Block - IGN1 Fuse, Ignition Switch, I/P Fuse Block - LTR, HTD SEAT, CLK, RADIO, AIR BAG, BCK/UP CRUISE, and ECM Fuses
Underhood Fuse Block - IGN1 Fuse, Ignition Switch, I/P Fuse Block - LTR, HTD SEAT, CLK, RADIO, AIR BAG, BCK/UP CRUISE, and ECM Fuses
Underhood Fuse Block - IGN1 Fuse, Ignition Switch, I/P Fuse Block - LTR, HTD SEAT, CLK, RADIO, AIR BAG, BCK/UP CRUISE, and ECM Fuses
Stop Lamps
Stop Lamps
G201, G202
Figure
2:
Automatic Transmission Shift Lock Control - 2.5L
Master Electrical Component List
I/P Fuse Block - WPR, TCM BTSI, BCM ABS, CLSTR AUTO A/C and WSWA Fuses
G201, G202