GM Service Manual Online
For 1990-2009 cars only
Figure 1:

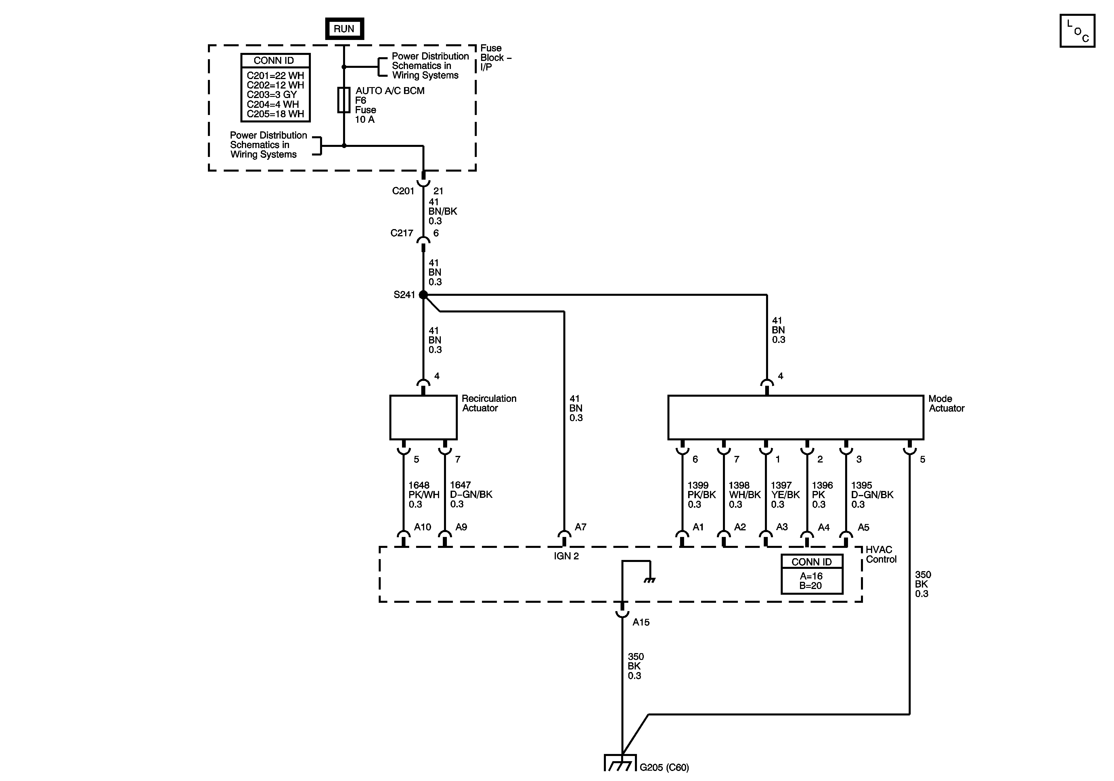
Blower Controls


Object Number: 1257047  Size: FS
Master Electrical Component List
Underhood Fuse Block - HVAC, BLWR, S/ROOF, and PWR SEAT Fuses
Underhood Fuse Block - IGN2 Fuse, Ignition Switch, I/P Fuse Block - AUTO A/C BCM, HVAC EPS, ABS and HTD MIR Fuses
Underhood Fuse Block - IGN2 Fuse, Ignition Switch, I/P Fuse Block - AUTO A/C BCM, HVAC EPS, ABS and HTD MIR Fuses
G201, G202
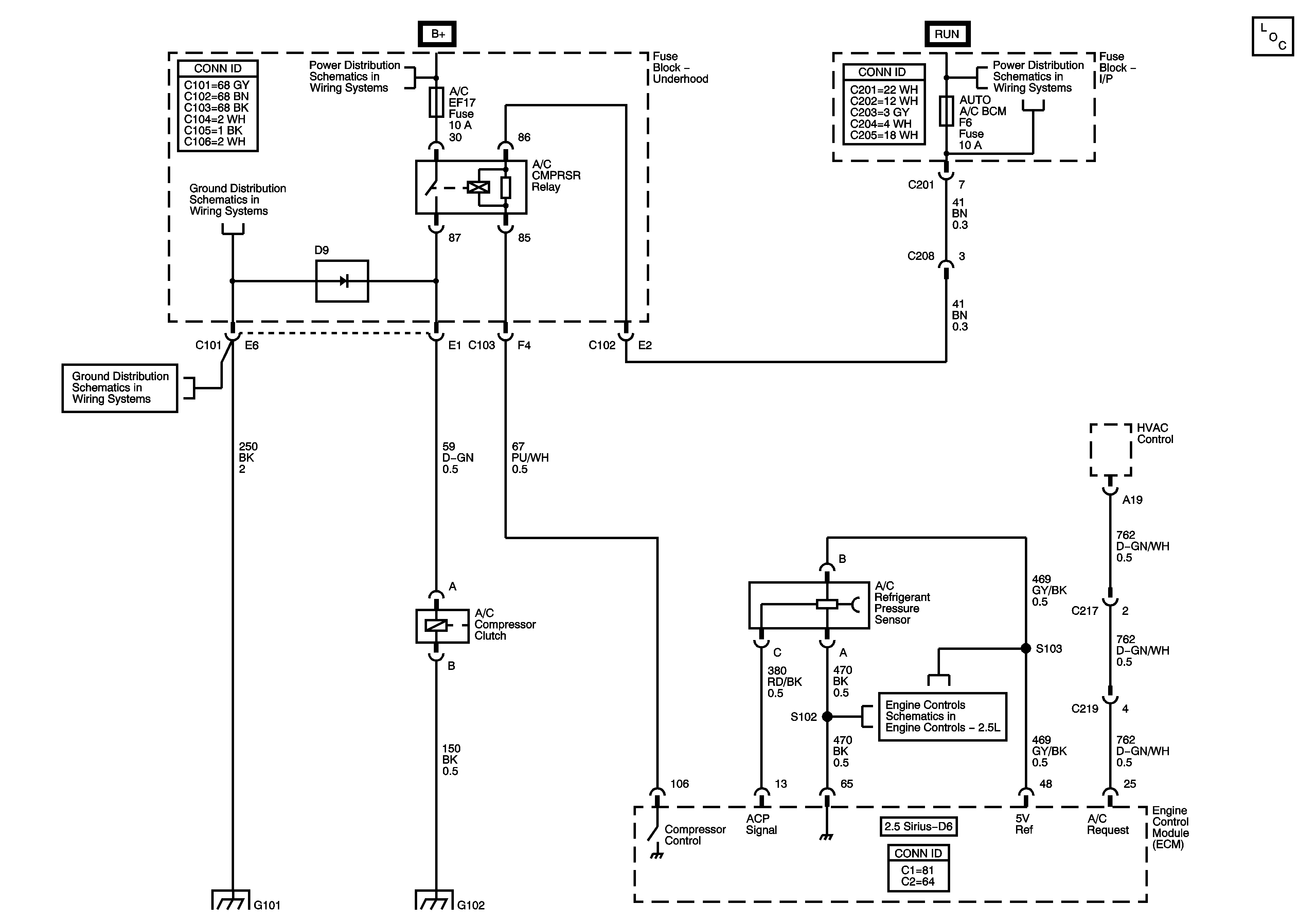
Figure 2:

Compressor Controls (2.5L Sirius D6)


Object Number: 1469116  Size: FS
Master Electrical Component List
Underhood Fuse Block - IGN2 Fuse, Ignition Switch, I/P Fuse Block - AUTO A/C BCM, HVAC EPS, ABS and HTD MIR Fuses
I/P Fuse Block - WPR, TCM BTSI, BCM ABS, CLSTR AUTO A/C and WSWA Fuses
G101
G101
Module Power, Ground, Serial Data, Malfunction Indicator Lamp (MIL)
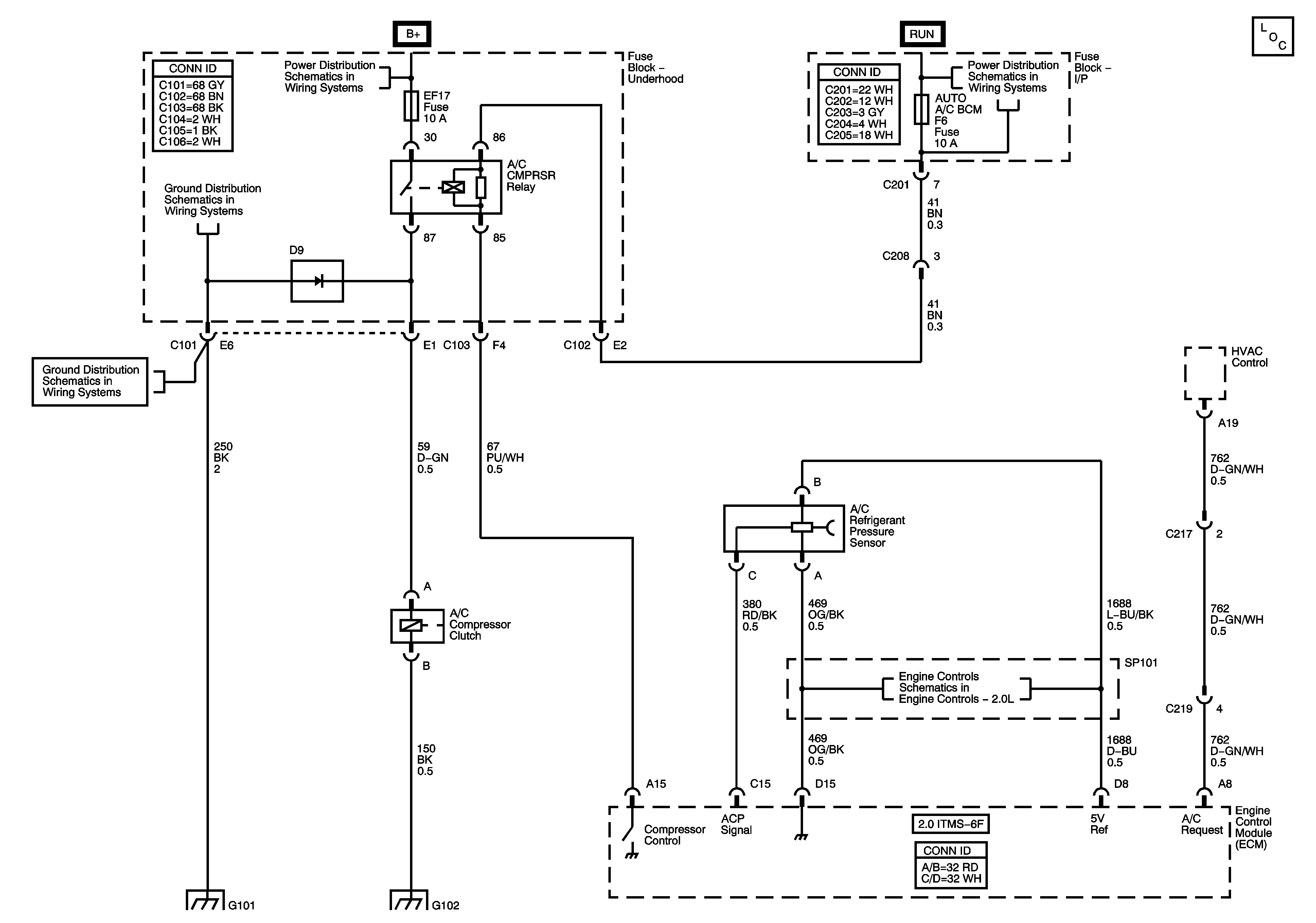
Figure 3:

Compressor Controls (2.0L MR-140)


Object Number: 1257054  Size: FS
Master Electrical Component List
Underhood Fuse Block - IGN2 Fuse, Ignition Switch, I/P Fuse Block - AUTO A/C BCM, HVAC EPS, ABS and HTD MIR Fuses
I/P Fuse Block - WPR, TCM BTSI, BCM ABS, CLSTR AUTO A/C and WSWA Fuses
G101
G101
Module Power, Ground, Serial Data, MIL
Figure 4:

Compressor Controls (2.0L ITMS-6F)


Object Number: 1469117  Size: FS
Master Electrical Component List
Underhood Fuse Block - A/C and IP Fuse BATT, I/P Fuse Block - RADIO CRUISE, AUTO HVAC CLSTR, and DLC Fuses
Underhood Fuse Block - IGN2 Fuse, Ignition Switch, I/P Fuse Block - AUTO A/C BCM, HVAC EPS, ABS and HTD MIR Fuses
G101
G101
Module Power, Ground, Serial Data, MIL
Figure 5:

Air Delivery and Temperature Controls


Object Number: 1257048  Size: FS
Master Electrical Component List
Underhood Fuse Block - IGN2 Fuse, Ignition Switch, I/P Fuse Block - AUTO A/C BCM, HVAC EPS, ABS and HTD MIR Fuses
Underhood Fuse Block - IGN2 Fuse, Ignition Switch, I/P Fuse Block - AUTO A/C BCM, HVAC EPS, ABS and HTD MIR Fuses