GM Service Manual Online
For 1990-2009 cars only
Makes
🢒
Chevrolet
🢒
2004
🢒
Epica
🢒 Headlight Leveling
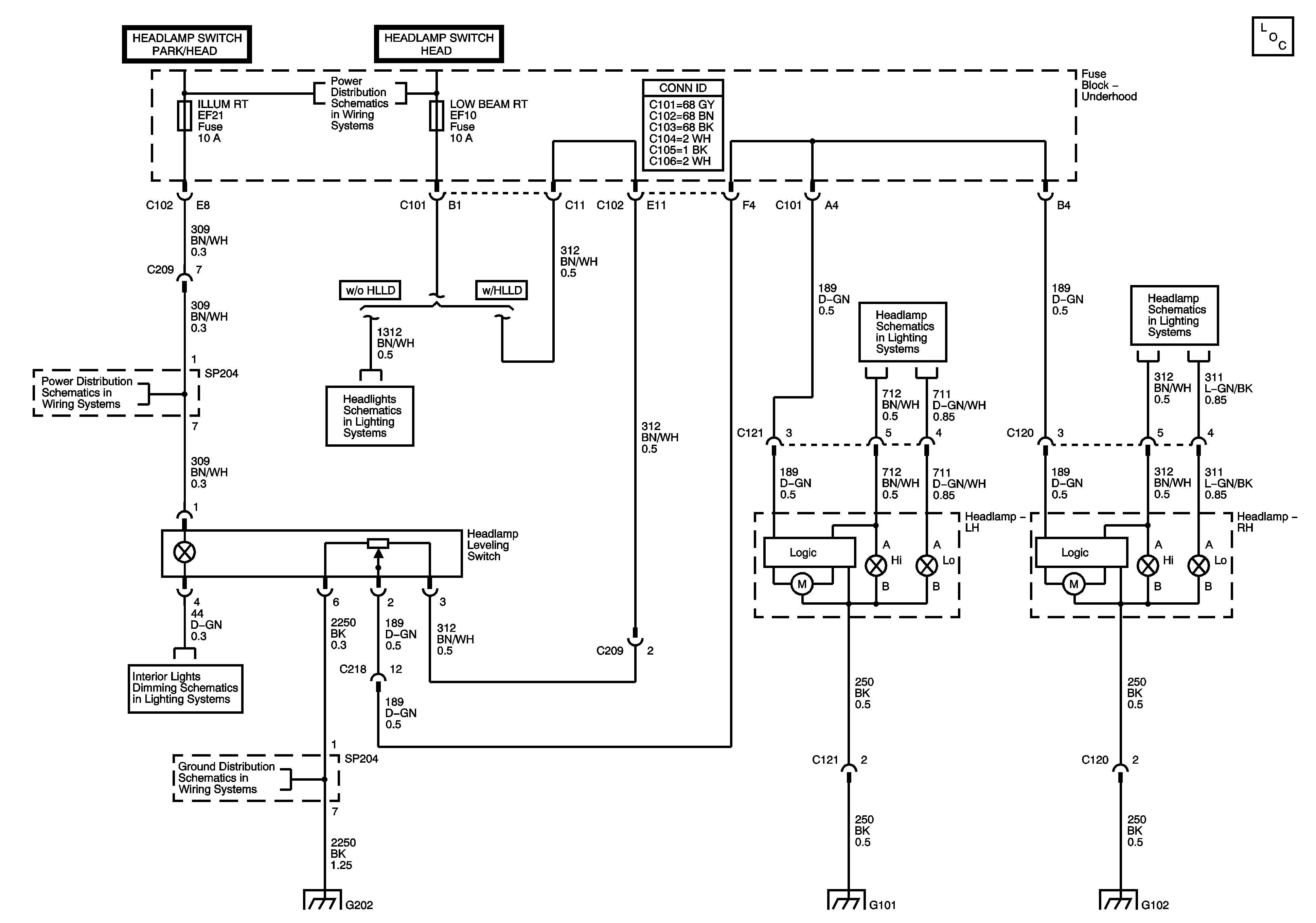
Headlight Leveling
Master Electrical Component List
Underhood Fuse Block - ILLUM RT Fuse
Underhood Fuse Block - ILLUM RT Fuse
Headlights
Headlights
Headlights
IP Illumination
G201, G202