GM Service Manual Online
For 1990-2009 cars only
Makes
🢒
Chevrolet
🢒
2004
🢒
Epica
🢒 Headlights
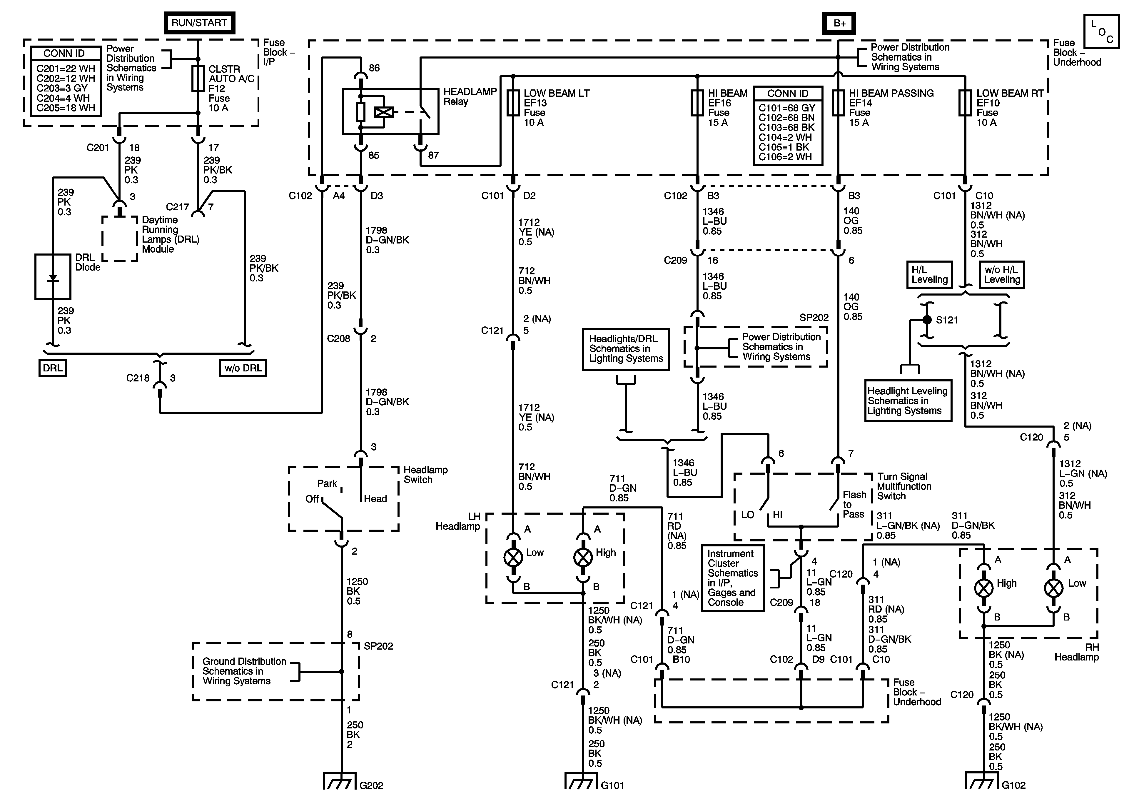
Headlights
Master Electrical Component List
I/P Fuse Block - WPR, TCM BTSI, BCM ABS, CLSTR AUTO A/C and WSWA Fuses
Underhood Fuse Block - HEADLAMP Relay, and LOW BEAM LT, LOW BEAM RT, and DRL Fuses
Daytime Running Lamp (DRL) (North America)
Daytime Running Lamp (DRL) (North America)
Headlight Leveling
Power, Ground, and Gages (2.5L Sirius D6)
G201, G202