GM Service Manual Online
For 1990-2009 cars only
Makes
🢒
Chevrolet
🢒
2004
🢒
Epica
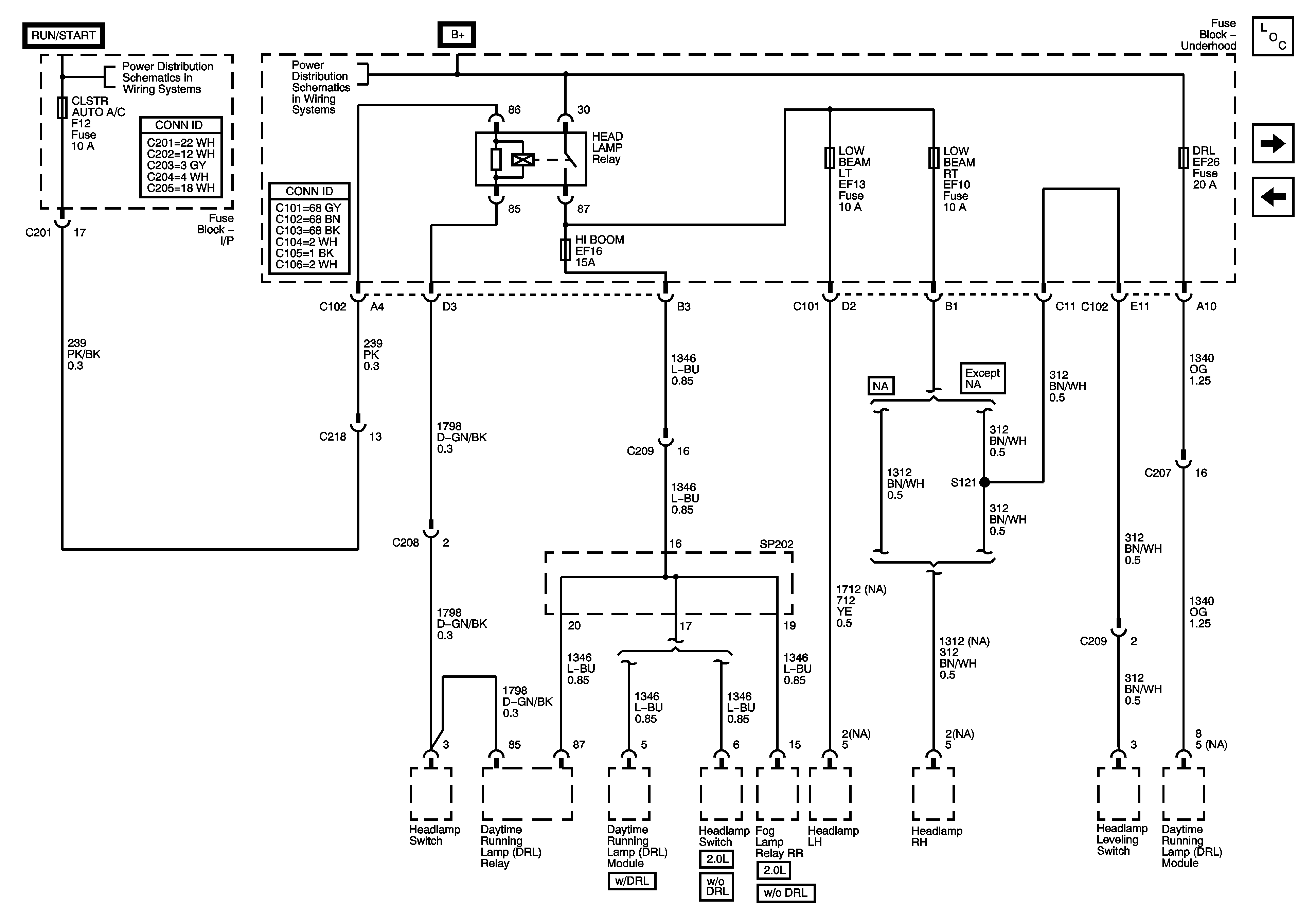
🢒 Underhood Fuse Block - HEADLAMP Relay, and LOW BEAM LT, LOW BEAM RT, and DRL Fuses
Underhood Fuse Block - HEADLAMP Relay, and LOW BEAM LT, LOW BEAM RT, and DRL Fuses
Underhood Fuse Block - HEADLAMP Relay and LOW BEAM LT, LOW BEAM RT, and DRL Fuses
Master Electrical Component List
Underhood Fuse Block - FOG LAMPS, PWR WNDW, PWR MIR, and HORN Fuses
Underhood Fuse Block - STOP LAMPS, HI BEAM PASSING, and ECM Fuses
I/P Fuse Block - WPR, TCM BTSI, BCM ABS, CLSTR AUTO A/C and WSWA Fuses
Underhood Fuse Block - Battery Feeds