GM Service Manual Online
For 1990-2009 cars only
Makes
🢒
Chevrolet
🢒
2004
🢒
Epica
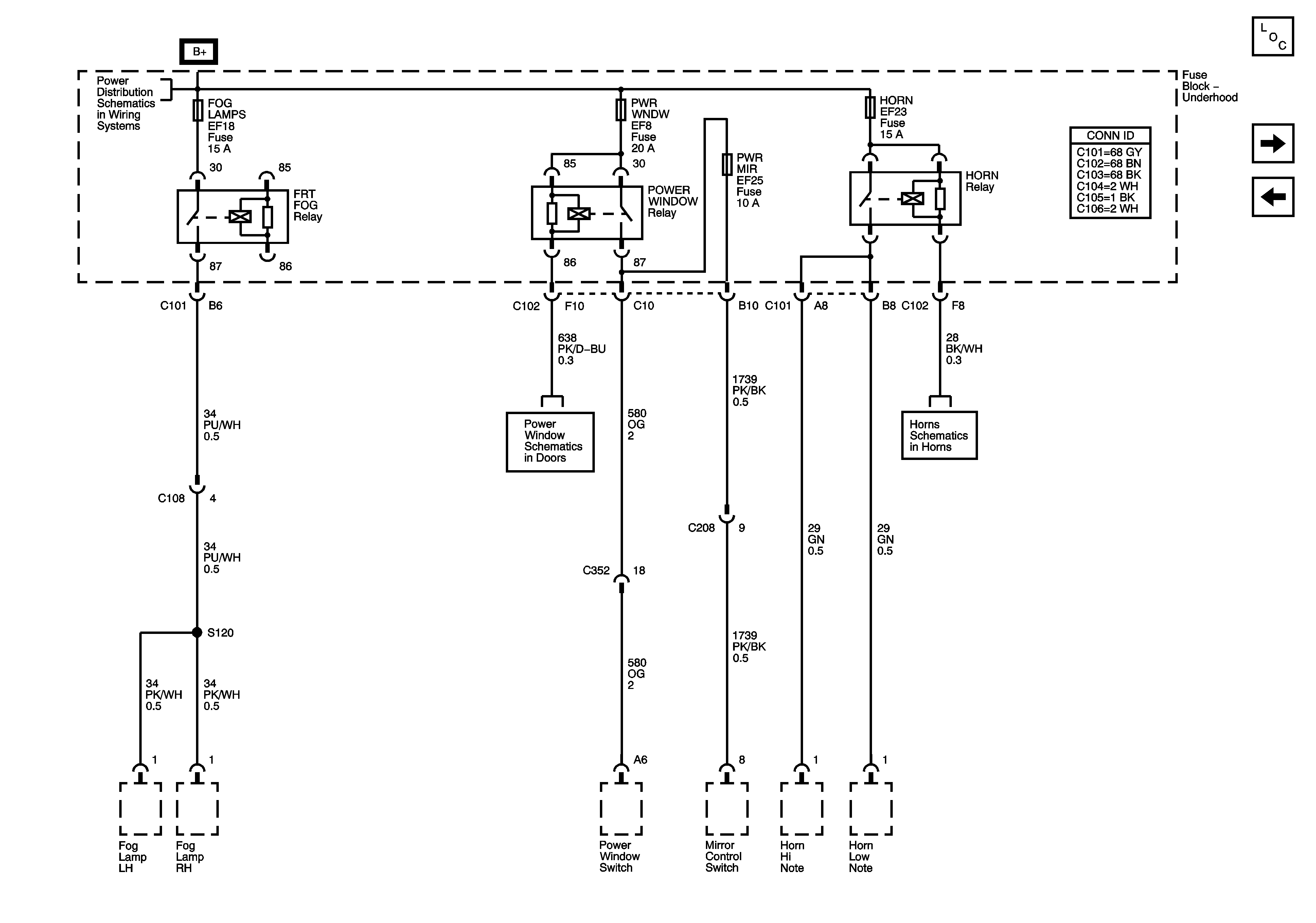
🢒 Underhood Fuse Block - FOG LAMPS, PWR WNDW, PWR MIR, and HORN Fuses
Underhood Fuse Block - FOG LAMPS, PWR WNDW, PWR MIR, and HORN Fuses
Underhood Fuse Block - FOG LAMPS, PWR WNDW, PWR MIR, and HORN Fuses
Master Electrical Component List
Underhood Fuse Block - INT LTS Fuse
Underhood Fuse Block - HEADLAMP Relay, and LOW BEAM LT, LOW BEAM RT, and DRL Fuses
Underhood Fuse Block - Battery Feeds
Driver Power Window
Horns