GM Service Manual Online
For 1990-2009 cars only
Makes
🢒
Chevrolet
🢒
2004
🢒
Epica
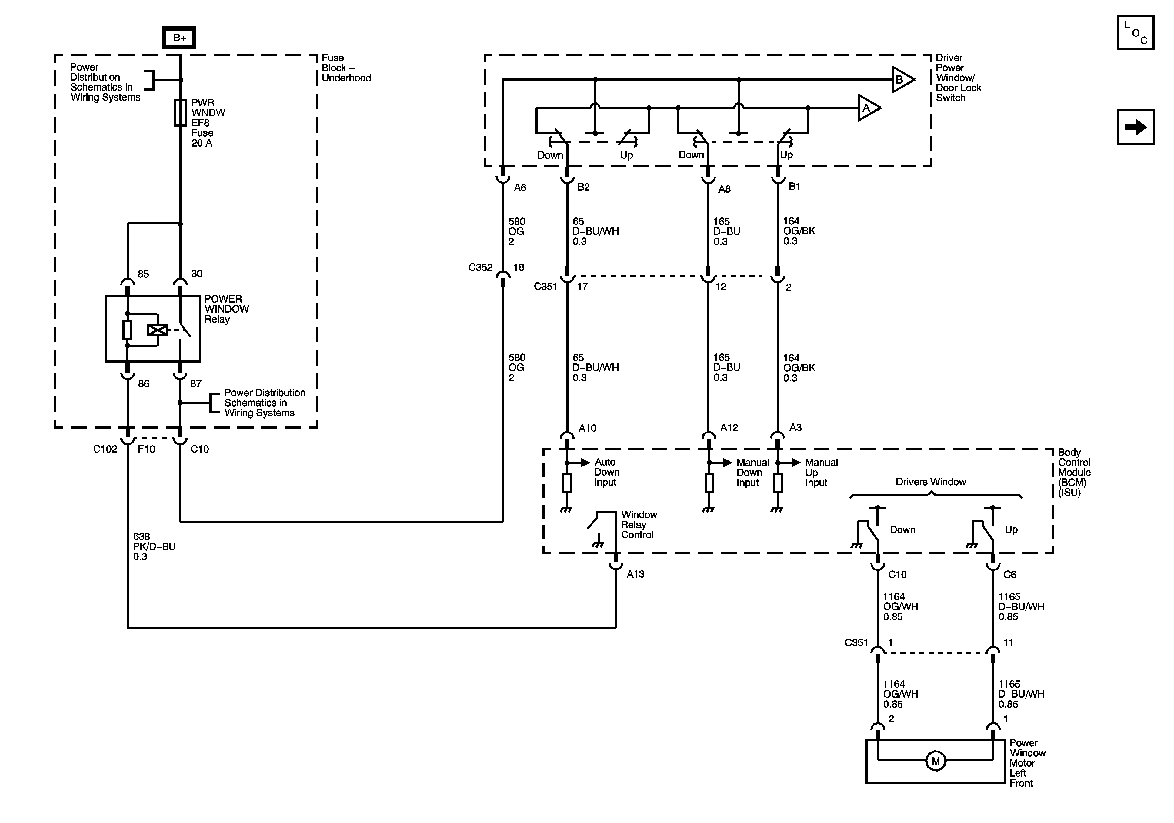
🢒 Driver Power Window
Driver Power Window
Driver Power Window
Master Electrical Component List
Passenger Power Windows
Passenger Power Windows
Underhood Fuse Block - FOG LAMPS, PWR WNDW, PWR MIR, and HORN Fuses
Underhood Fuse Block - FOG LAMPS, PWR WNDW, PWR MIR, and HORN Fuses