GM Service Manual Online
For 1990-2009 cars only
Makes
🢒
Chevrolet
🢒
2004
🢒
Epica
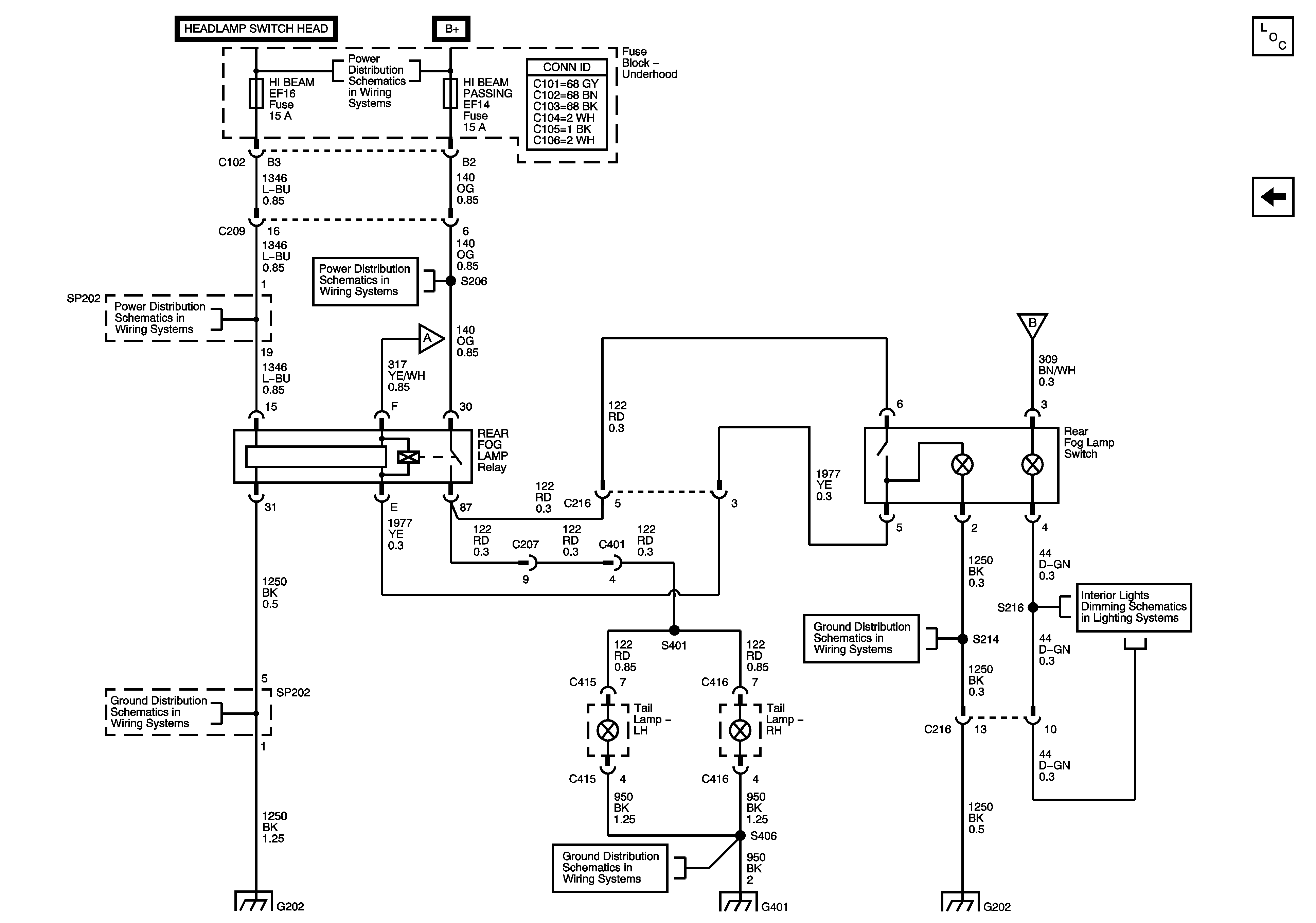
🢒 Rear Fog Lamps
Rear Fog Lamps
Rear Fog Lamps
Master Electrical Component List
Front Fog Lamps
Underhood Fuse Block - STOP LAMPS, HI BEAM PASSING, and ECM Fuses
Underhood Fuse Block - STOP LAMPS, HI BEAM PASSING, and ECM Fuses
Underhood Fuse Block - STOP LAMPS, HI BEAM PASSING, and ECM Fuses
G201, G202
IP Illumination
G201, G202
IP Illumination
G401
Front Fog Lamps