GM Service Manual Online
For 1990-2009 cars only
Makes
🢒
Chevrolet
🢒
2004
🢒
Epica
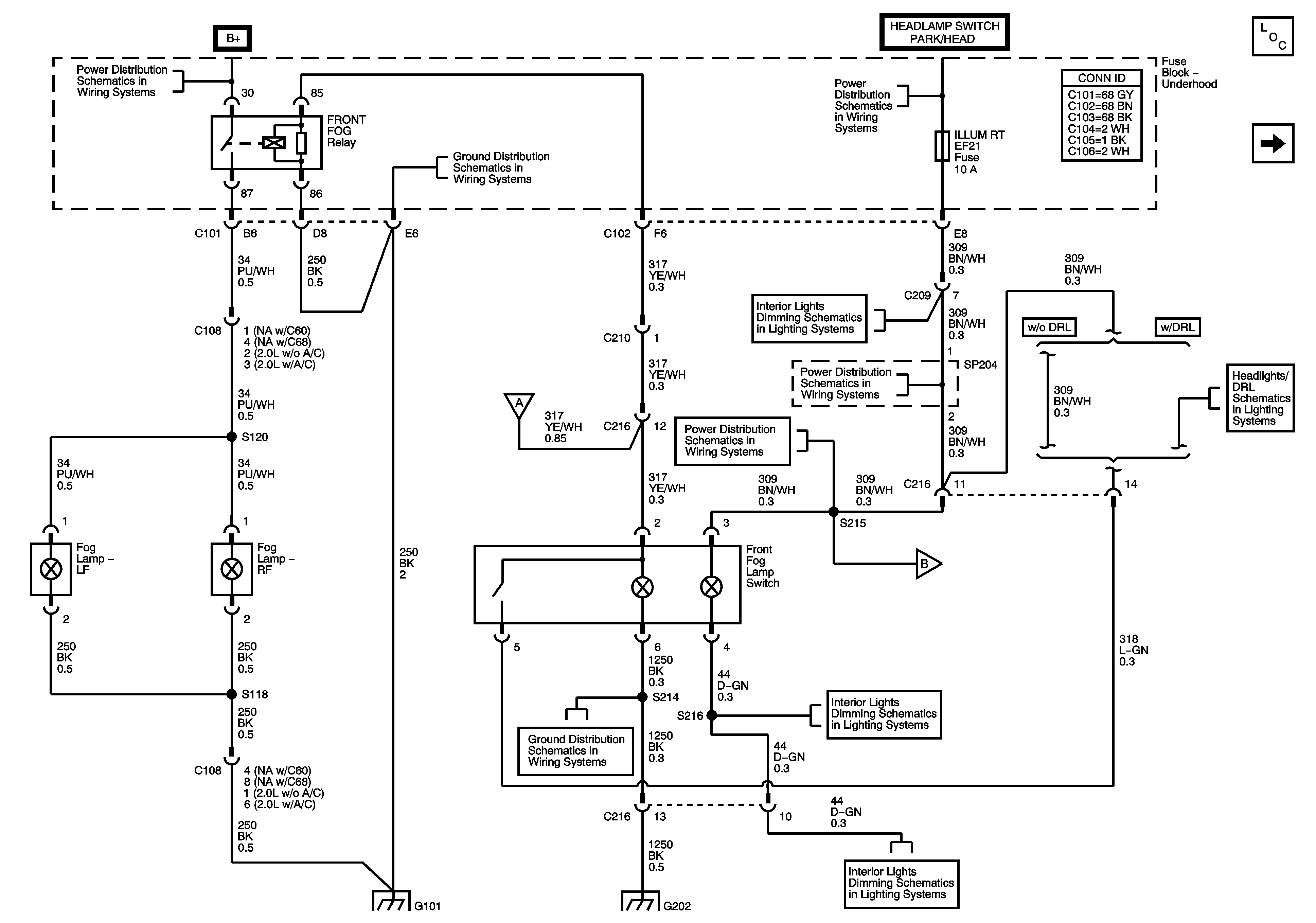
🢒 Front Fog Lamps
Front Fog Lamps
Front Fog Lamps
Master Electrical Component List
Rear Fog Lamps
Underhood Fuse Block - FOG LAMPS, PWR WNDW, PWR MIR, and HORN Fuses
G101
Underhood Fuse Block - ILLUM RT Fuse
IP Illumination
Daytime Running Lamp (DRL) (North America)
Underhood Fuse Block - ILLUM RT Fuse
Rear Fog Lamps
Daytime Running Lamp (DRL) (North America)
G201, G202
Daytime Running Lamp (DRL) (North America)