GM Service Manual Online
For 1990-2009 cars only

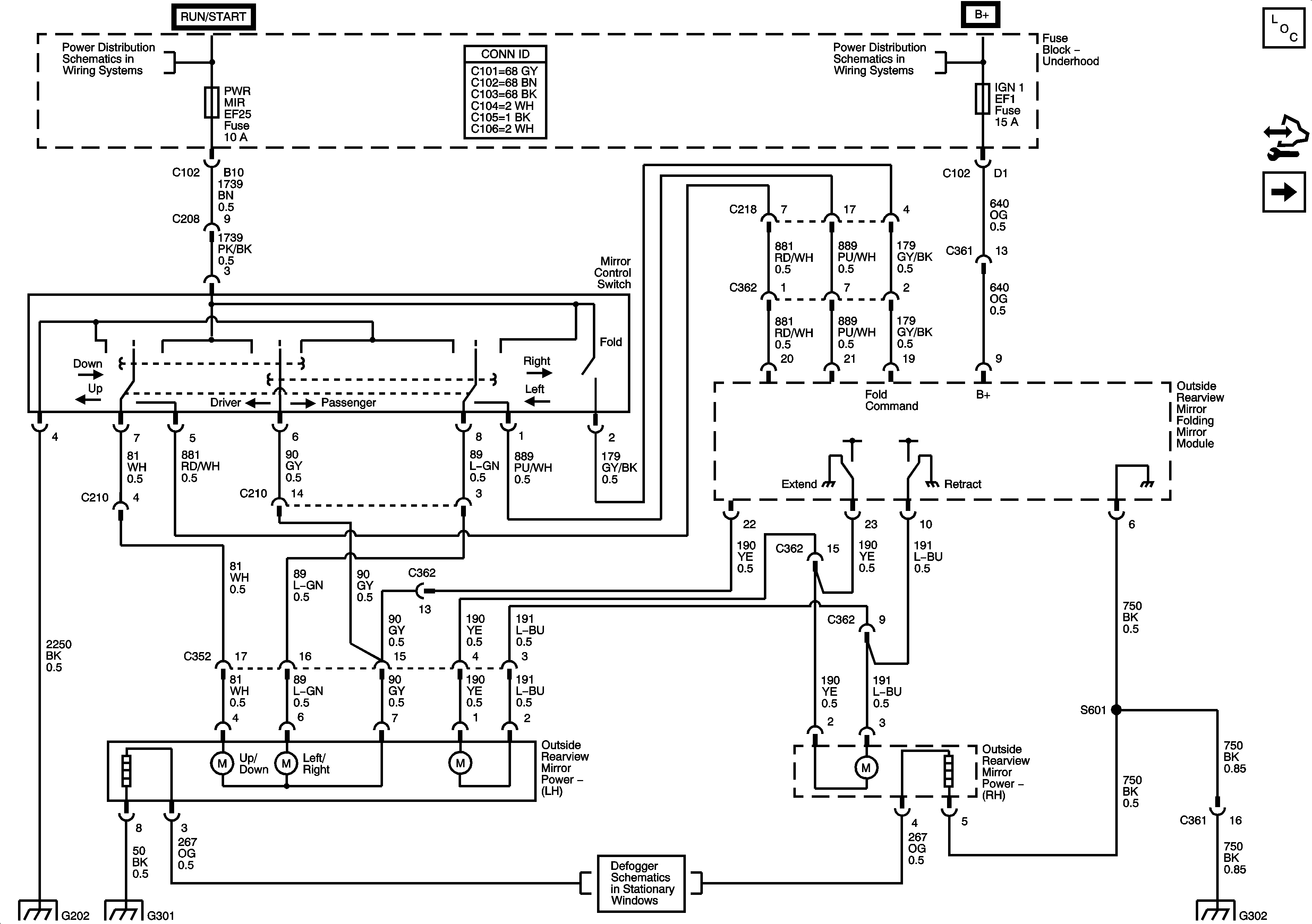
Outside Rearview Mirror Schematics North America


Object Number: 1685644  Size: FS
Master Electrical Component List
FOG LAMPS, PWR WNDW, PWR MIR, HORN Fuses
Fuse Block - Underhood Bussing (1 of 2)
Defogger Schematics
Defogger Schematics
G301
G302

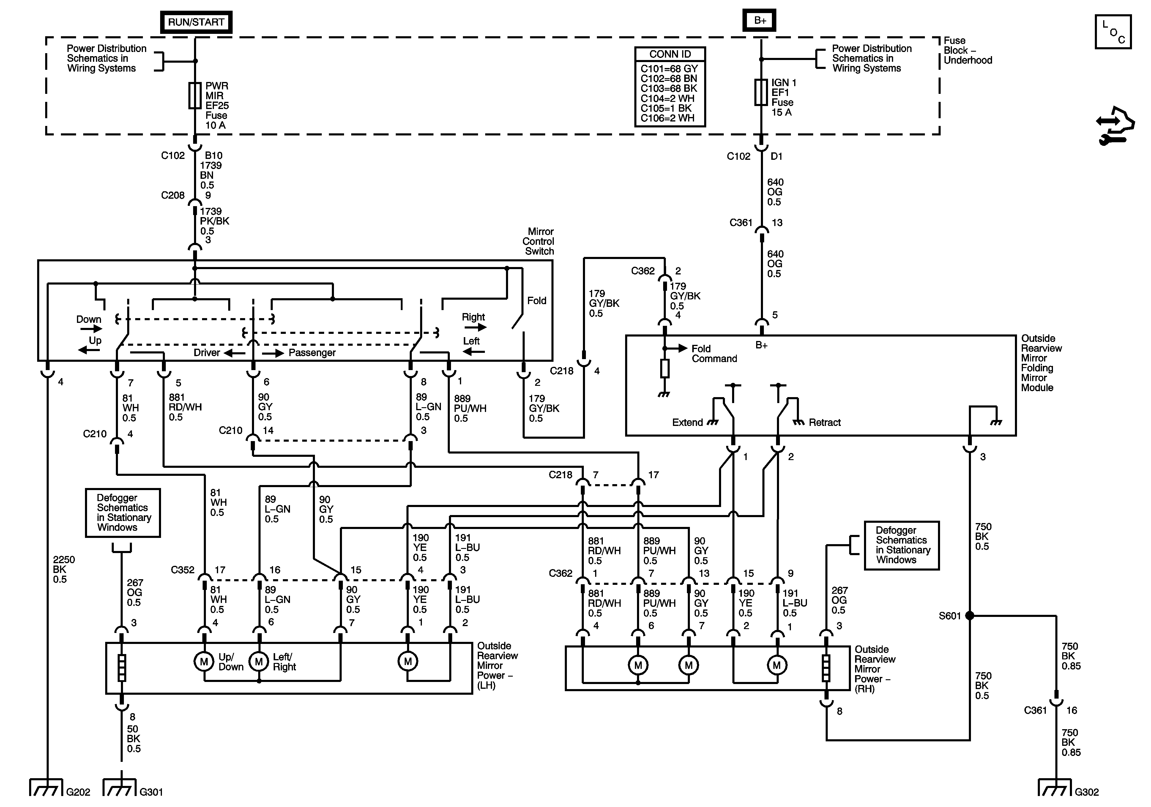
Outside Rearview Mirror Schematics Except North America

Figure 1:

Outside Mirror Schematics (Except North America) (1 of 2)


Object Number: 1685645  Size: FS
Master Electrical Component List
Outside Mirror Schematics (Except North America) (2 of 2)
FOG LAMPS, PWR WNDW, PWR MIR, HORN Fuses
IGN 1, Fuse, Ignition Switch, I/P Fuse Block, - LTR, HTD SEAT, CLK, RADIO, AIR BAG, BCK/UP, CRUISE, ECM Fuses
G301
Defogger Schematics
G302
G202, SP201
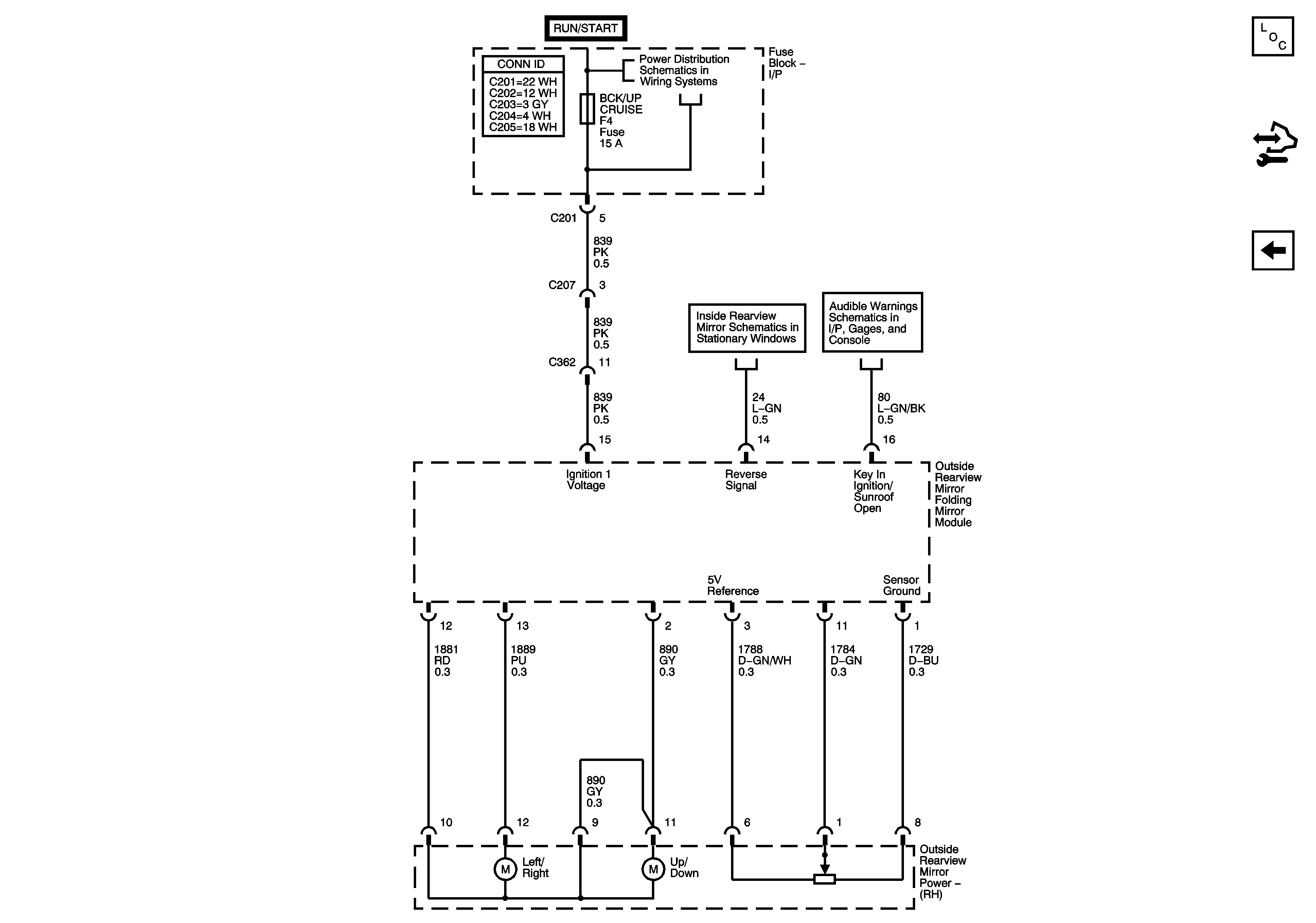
Figure 2:

Outside Mirror Schematics (Except North America) (2 of 2)


Object Number: 1685646  Size: FS
Master Electrical Component List
Outside Mirror Schematics (Except North America) (1 of 2)
Inside Rearview Mirror Schematics
Audible Warnings Schematics
IGN 1, Fuse, Ignition Switch, I/P Fuse Block, - LTR, HTD SEAT, CLK, RADIO, AIR BAG, BCK/UP, CRUISE, ECM Fuses