GM Service Manual Online
For 1990-2009 cars only
Makes
🢒
Chevrolet
🢒
2006
🢒
Epica
🢒
Body
🢒
Instrument Panel, Gages, and Console
🢒 Driver Information System Schematics
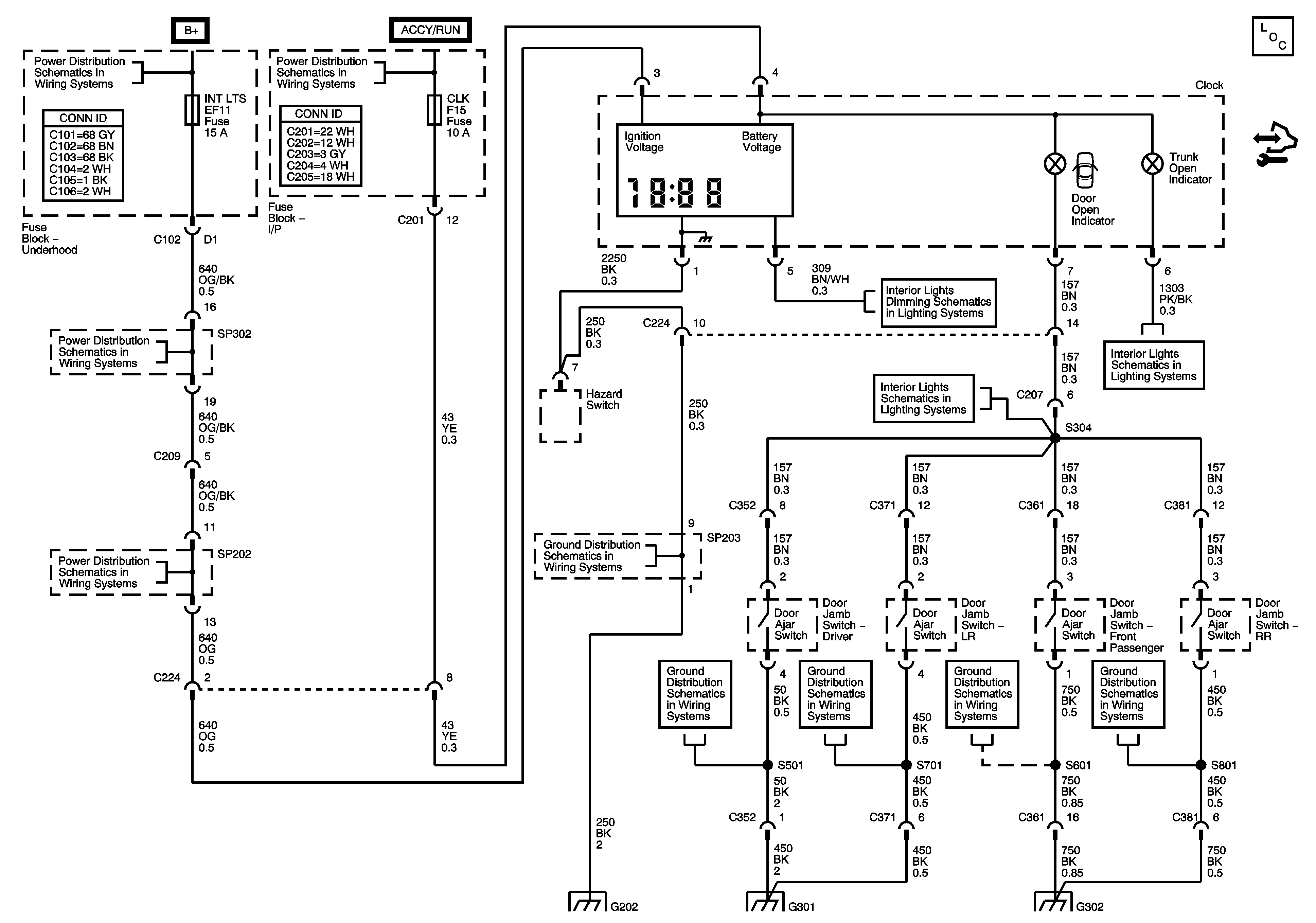
Driver Information System Schematics North America
Master Electrical Component List
INT LTS, FRT DEFOG Fuses
IGN 1, Fuse, Ignition Switch, I/P Fuse Block, - LTR, HTD SEAT, CLK, RADIO, AIR BAG, BCK/UP, CRUISE, ECM Fuses
ABS, BCM BATT, ILLUM RT, ILLUM LT Fuses
INT LTS, FRT DEFOG Fuses
INT LTS, FRT DEFOG Fuses
Interior Lights Dimming Schematics
G201, G202, SP203
G201, G202, SP203
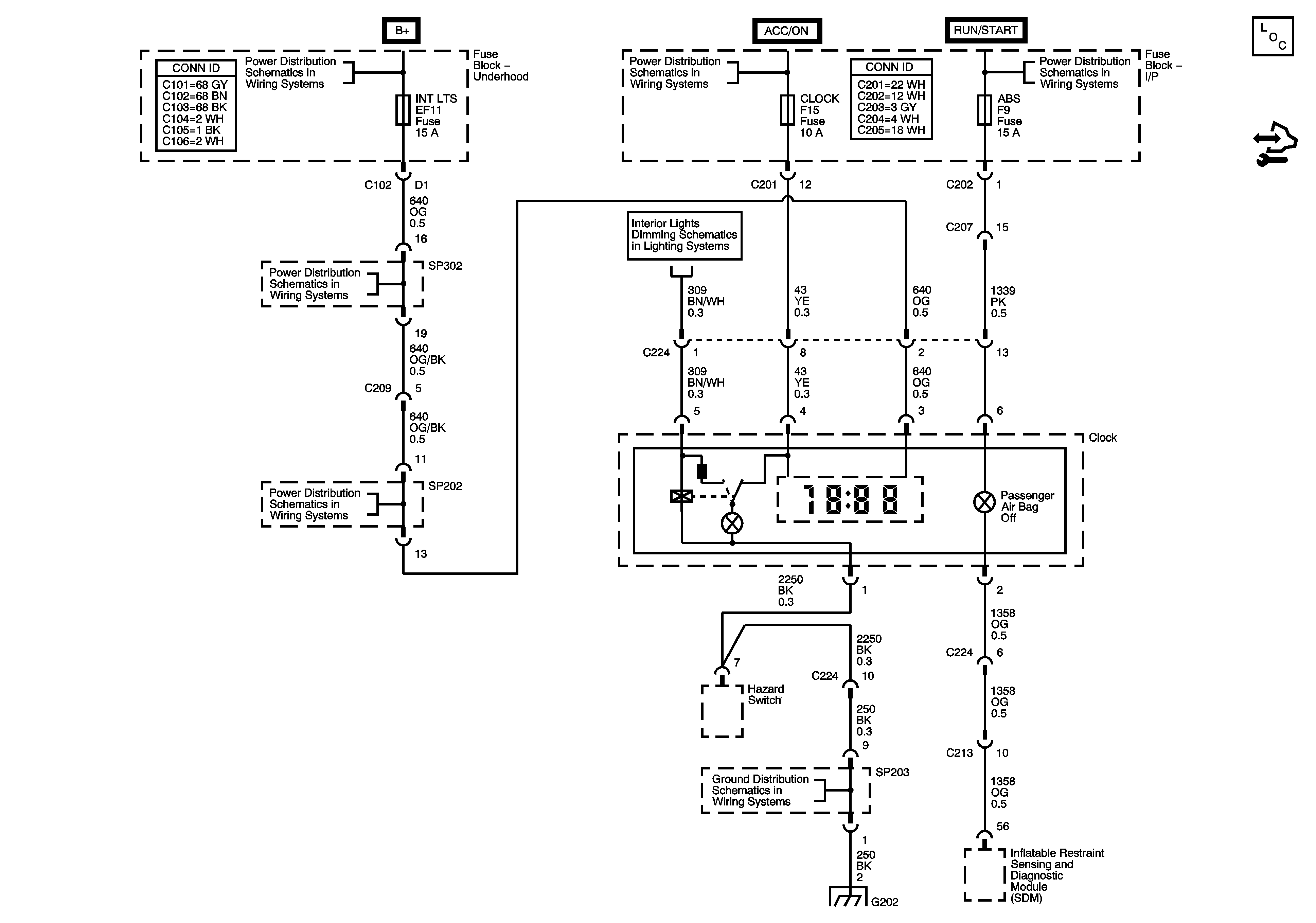
Driver Information System Schematics Except North America
Master Electrical Component List
INT LTS, FRT DEFOG Fuses
IGN 1, Fuse, Ignition Switch, I/P Fuse Block, - LTR, HTD SEAT, CLK, RADIO, AIR BAG, BCK/UP, CRUISE, ECM Fuses
INT LTS, FRT DEFOG Fuses
Interior Lights Dimming Schematics
Rear Compartment Lamp
INT LTS, FRT DEFOG Fuses
Door Courtesy Lamps and Door Jamb switches
G201, G202, SP203
G301
G301
G302
G302
G201, G202, SP203
G301
G302