GM Service Manual Online
For 1990-2009 cars only
Figure 1:

G101


Object Number: 1461065  Size: FS
Master Electrical Component List
G102
Figure 2:

G102


Object Number: 1461067  Size: FS
Master Electrical Component List
G103 (2.0L MR140)
G101
Figure 3:

G103 (2.0L MR-140)


Object Number: 1461070  Size: FS
Master Electrical Component List
G103 and G104 (2.0L ITMS-6F)
G102
Figure 4:

G103 and G104 (2.0L ITMS-6F)


Object Number: 1685675  Size: FS
Master Electrical Component List
G103 (2.5L)
G103 (2.0L MR140)
Figure 5:

G103 (2.5L)


Object Number: 1692737  Size: FS
Master Electrical Component List
G104 (2.5L)
G103 and G104 (2.0L ITMS-6F)
Figure 6:

G104 (2.5L)


Object Number: 1692739  Size: FS
Master Electrical Component List
G106, G107, G108, G109
G103 (2.5L)
Figure 7:

G106, G107, G108, G109


Object Number: 1685676  Size: FS
Master Electrical Component List
G201, G202, SP203
G104 (2.5L)
Figure 8:

G201, G202, SP203


Object Number: 1685677  Size: FS
Master Electrical Component List
G202, SP202
G106, G107, G108, G109
Figure 9:

G202, SP202


Object Number: 1685678  Size: FS
Master Electrical Component List
G202, SP201
G201, G202, SP203
Figure 10:

G202, SP201


Object Number: 1685679  Size: FS
Master Electrical Component List
G203, S307
G202, SP202
Figure 11:

G203, S307


Object Number: 1685680  Size: FS
Master Electrical Component List
G204
G202, SP201
Figure 12:

G204


Object Number: 1685681  Size: FS
Master Electrical Component List
G205 (C68), G205 (C60)
G203, S307
Figure 13:

G205 (C68), G205 (C60)


Object Number: 1685682  Size: FS
Master Electrical Component List
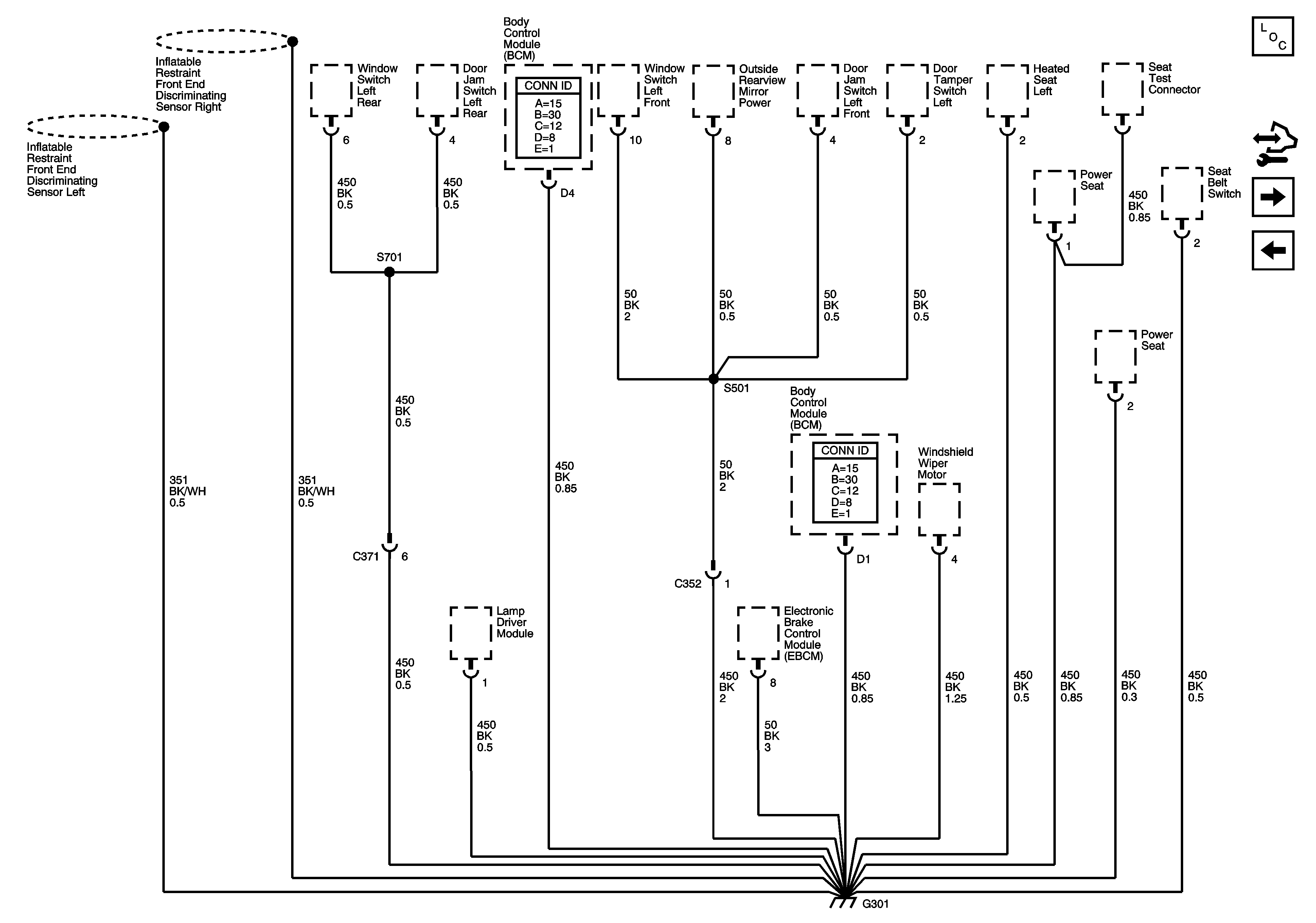
G301
G204
Figure 14:

G301


Object Number: 1685684  Size: FS
Master Electrical Component List
G302
G205 (C68), G205 (C60)
Figure 15:

G302


Object Number: 1685685  Size: FS
Master Electrical Component List
G303
G301
Figure 16:

G303


Object Number: 1685686  Size: FS
Master Electrical Component List
G401, S406, S902
G302
Figure 17:

G401, S406, S902


Object Number: 1461082  Size: FS
Master Electrical Component List
G303