GM Service Manual Online
For 1990-2009 cars only
Makes
🢒
Chevrolet
🢒
2006
🢒
Epica
🢒
HVAC
🢒
HVAC Systems - Manual
🢒 HVAC Schematics
Figure
1:
Blower Controls
Master Electrical Component List
HVAC, BLWR, S/ROOF, PWR SEAT Fuses
IGN 2 Fuse, Ignition Switch, I/P Fuse Block - AUTO A/C BCM, HVAC EPS, TPMS, ABS, HTD MIR FusesIGN 2 Fuse, Ignition Switch, I/P Fuse Block - AUTO A/C BCM, HVAC EPS, TPMS, ABS, HTD MIR Fuses
IGN 2 Fuse, Ignition Switch, I/P Fuse Block - AUTO A/C BCM, HVAC EPS, TPMS, ABS, HTD MIR FusesIGN 2 Fuse, Ignition Switch, I/P Fuse Block - AUTO A/C BCM, HVAC EPS, TPMS, ABS, HTD MIR Fuses
G202, SP201
G202, SP201
G205 (C68), G205 (C60)
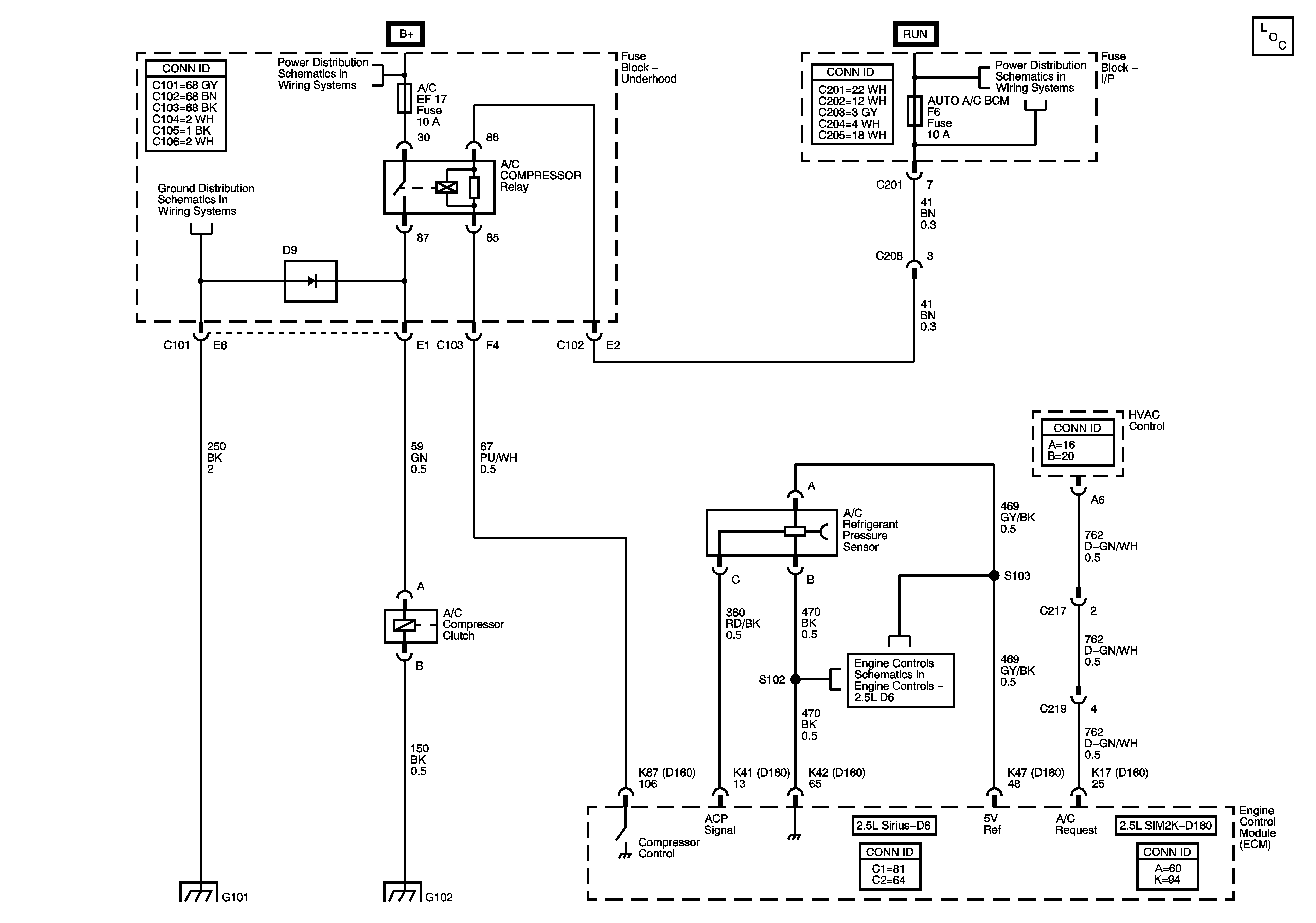
Figure
2:
Compressor Controls (2.5L)
Master Electrical Component List
IGN 2 Fuse, Ignition Switch, I/P Fuse Block - AUTO A/C BCM, HVAC EPS, TPMS, ABS, HTD MIR FusesIGN 2 Fuse, Ignition Switch, I/P Fuse Block - AUTO A/C BCM, HVAC EPS, TPMS, ABS, HTD MIR Fuses
WPR, TCM BTSI, BCM ABS, CLSTR AUTO A/C, WSWA Fuses
G101
G101
ECM Power and Ground, Serial Data, Malfunction Indicator Control
G101
G102
Figure
3:
Compressor Controls (2.0L MR-140)
Master Electrical Component List
IGN 2 Fuse, Ignition Switch, I/P Fuse Block - AUTO A/C BCM, HVAC EPS, TPMS, ABS, HTD MIR FusesIGN 2 Fuse, Ignition Switch, I/P Fuse Block - AUTO A/C BCM, HVAC EPS, TPMS, ABS, HTD MIR Fuses
WPR, TCM BTSI, BCM ABS, CLSTR AUTO A/C, WSWA Fuses
G101
G101
ECM Power and Ground, Serial Data, Malfunction Indicator Control
G101
G102
Figure
4:
Compressor Controls (2.0L ITMS-6F)
Master Electrical Component List
A/C, IP BATT Fuses, I/P Fuse Block, RADIO, CRUISE, AUTO A/C CLSTR, DLC Fuses
IGN 2 Fuse, Ignition Switch, I/P Fuse Block - AUTO A/C BCM, HVAC EPS, TPMS, ABS, HTD MIR FusesIGN 2 Fuse, Ignition Switch, I/P Fuse Block - AUTO A/C BCM, HVAC EPS, TPMS, ABS, HTD MIR Fuses
G101
G101
ECM Power and Ground, Serial Data, Malfunction Indicator Control
G101
G102
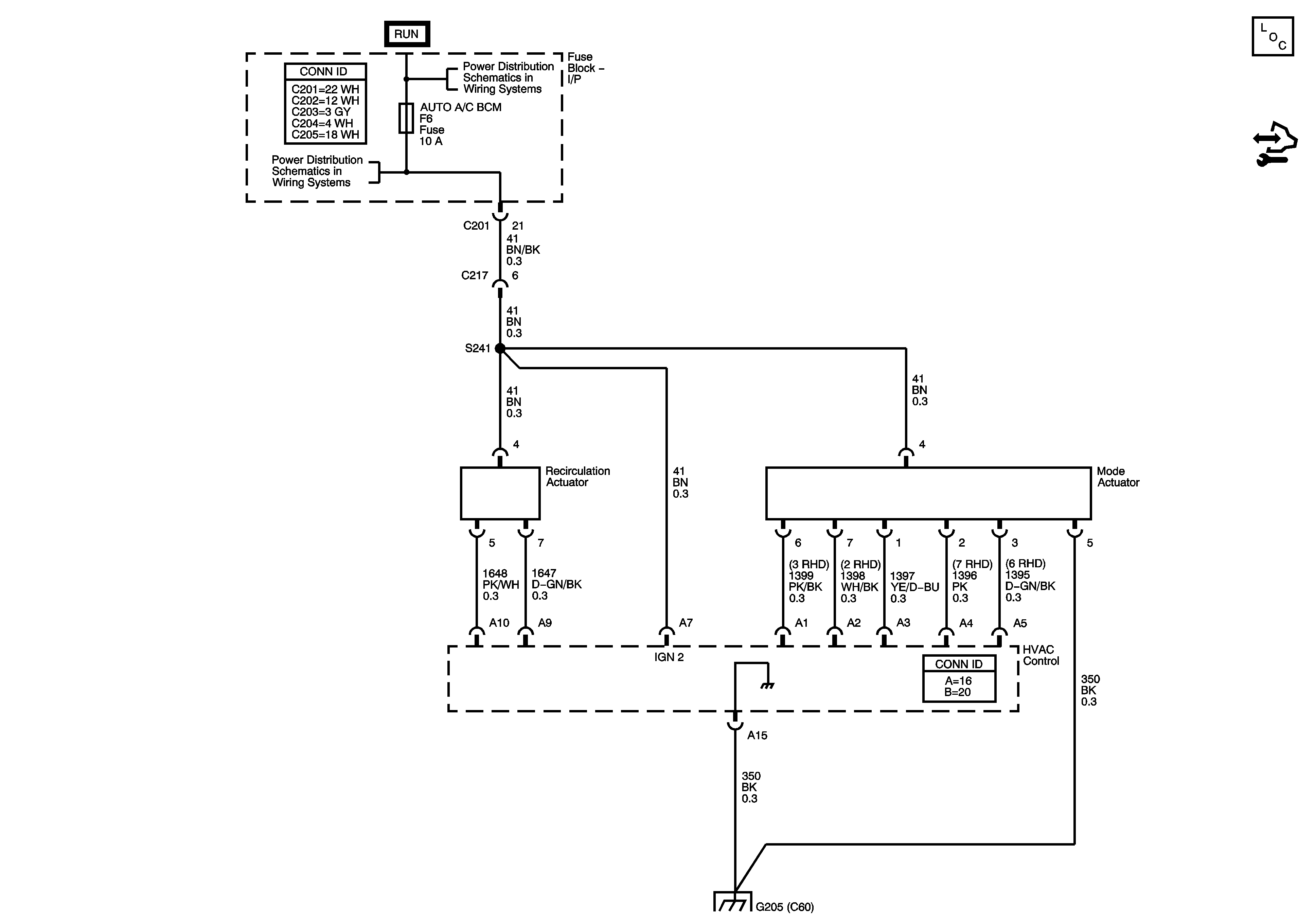
Figure
5:
Air Delivery and Temperature Controls
Master Electrical Component List
IGN 2 Fuse, Ignition Switch, I/P Fuse Block - AUTO A/C BCM, HVAC EPS, TPMS, ABS, HTD MIR FusesIGN 2 Fuse, Ignition Switch, I/P Fuse Block - AUTO A/C BCM, HVAC EPS, TPMS, ABS, HTD MIR Fuses
G205 (C68), G205 (C60)