GM Service Manual Online
For 1990-2009 cars only
Makes
🢒
Chevrolet
🢒
2006
🢒
Epica
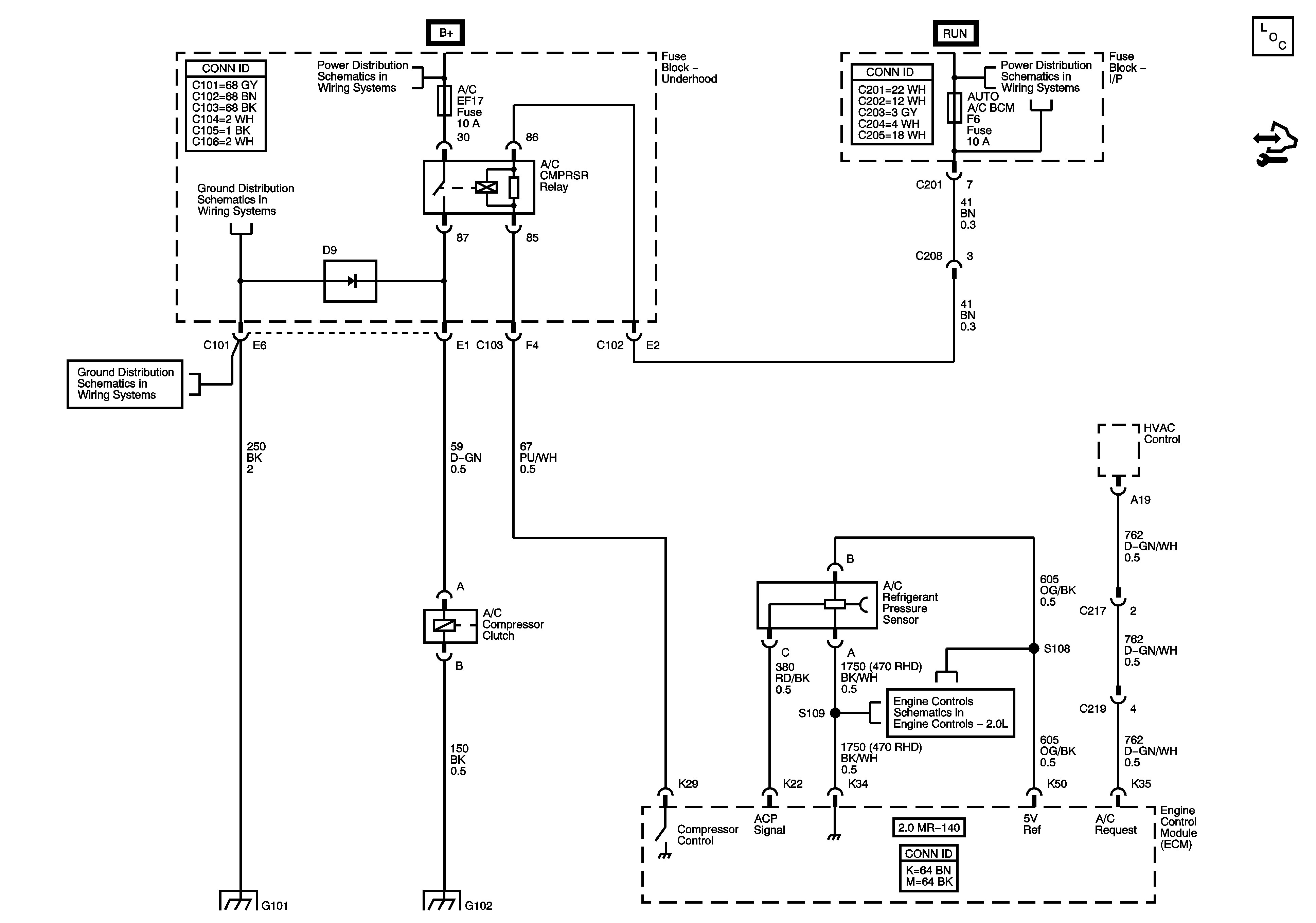
🢒 Compressor Controls (2.0L MR 140)
Compressor Controls (2.0L MR 140)
Compressor Controls (2.0L MR-140)
Master Electrical Component List
IGN 2 Fuse, Ignition Switch, I/P Fuse Block - AUTO A/C BCM, HVAC EPS, TPMS, ABS, HTD MIR FusesIGN 2 Fuse, Ignition Switch, I/P Fuse Block - AUTO A/C BCM, HVAC EPS, TPMS, ABS, HTD MIR Fuses
WPR, TCM BTSI, BCM ABS, CLSTR AUTO A/C, WSWA Fuses
G101
G101
ECM Power and Ground, Serial Data, Malfunction Indicator Control
G101
G102