GM Service Manual Online
For 1990-2009 cars only
Makes
🢒
Chevrolet
🢒
2006
🢒
Epica
🢒 Charging System
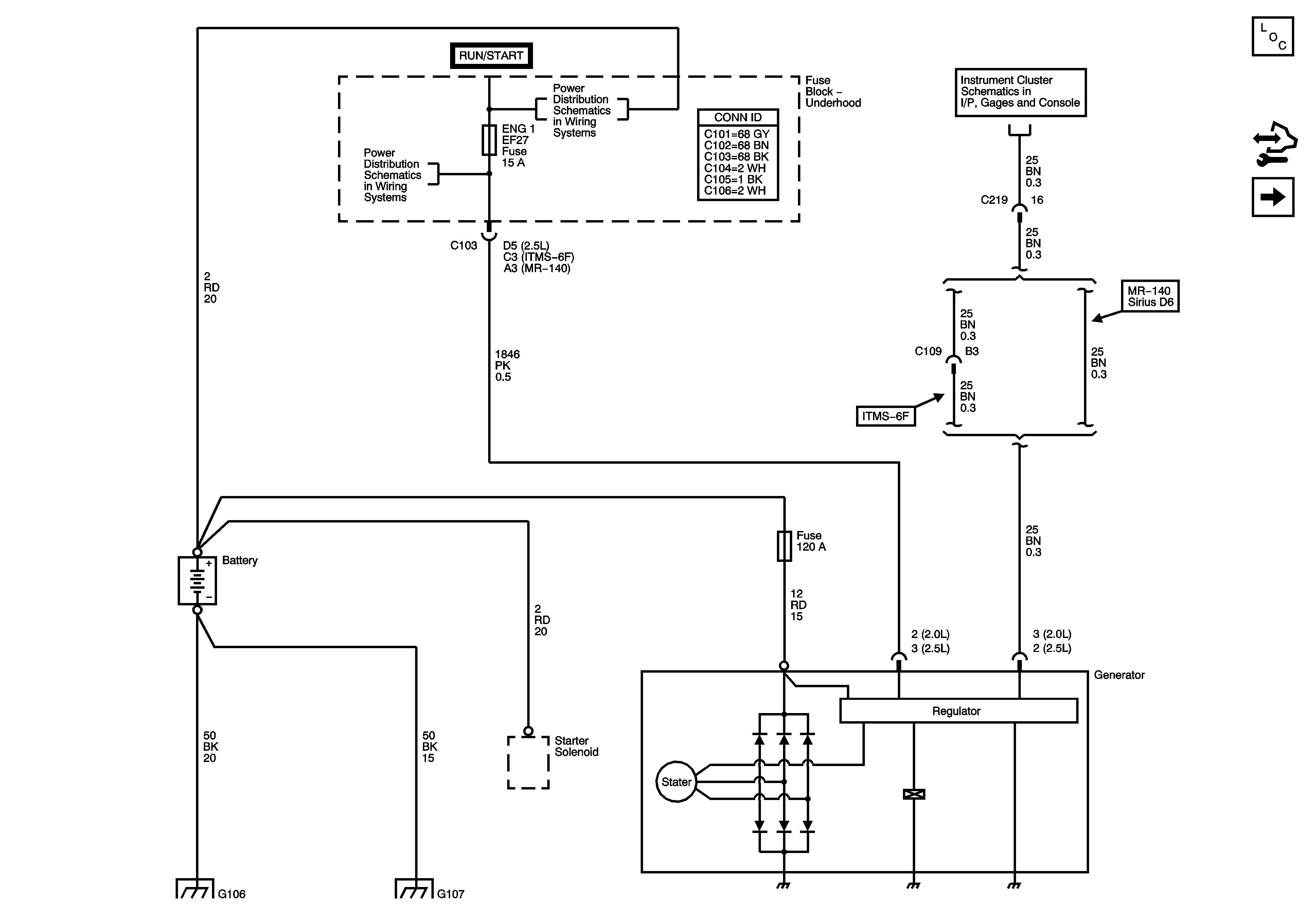
Charging System
Charging System
Master Electrical Component List
Starting System
ENG 1, COOL FAN HIGH, COOL FAN LOW Fuses
ENG 1, COOL FAN HIGH, COOL FAN LOW Fuses
TPM, ABS, TCS, Brake, Charge, Seat Belt, SIR, Oil Pressure, High Beam Indicators
G106, G107, G108, G109
G106, G107, G108, G109