GM Service Manual Online
For 1990-2009 cars only
Makes
🢒
Chevrolet
🢒
2006
🢒
Epica
🢒 Starting System
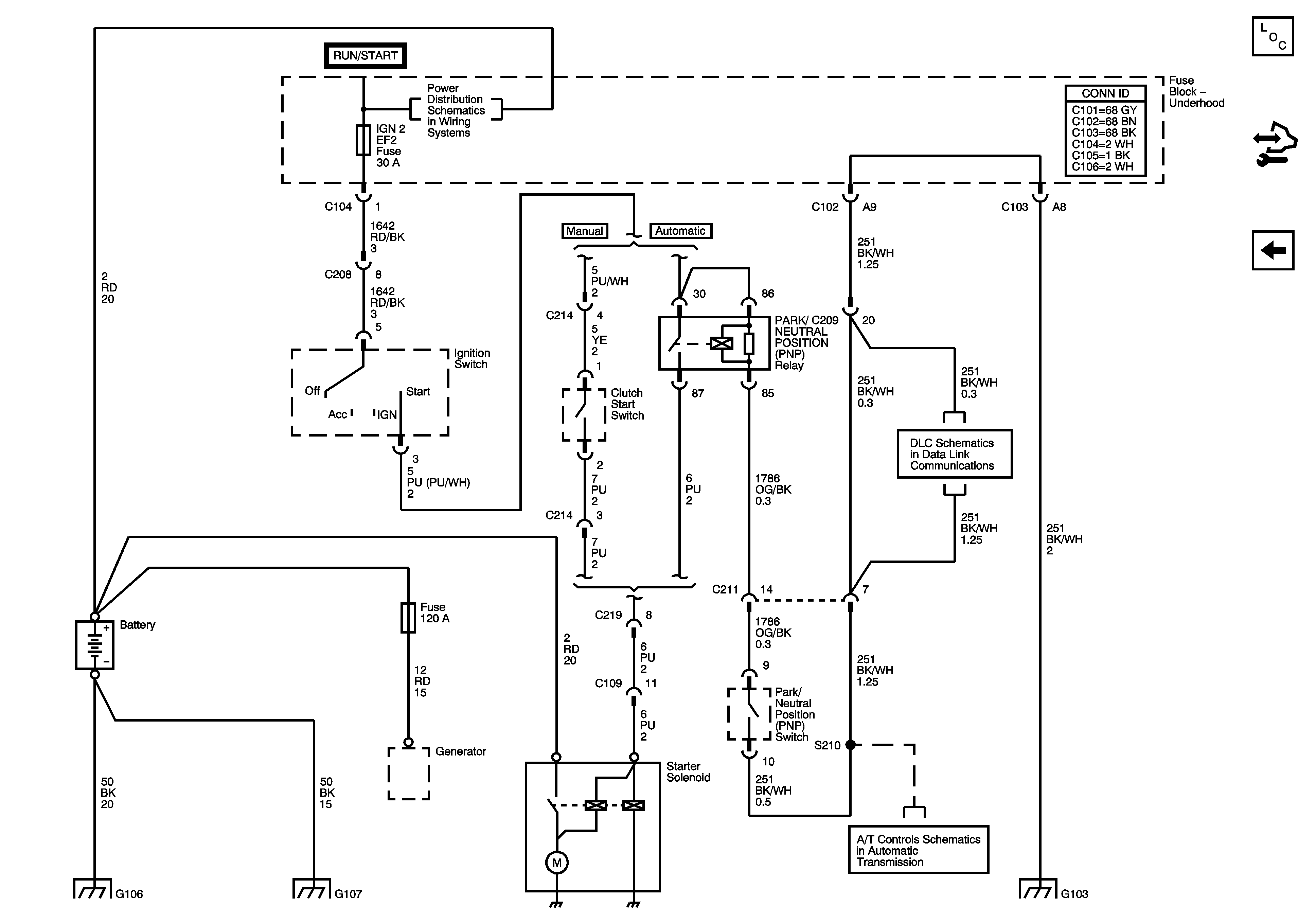
Starting System
Starting System
Master Electrical Component List
Charging System
IGN 2 Fuse, Ignition Switch, I/P Fuse Block - AUTO A/C BCM, HVAC EPS, TPMS, ABS, HTD MIR FusesIGN 2 Fuse, Ignition Switch, I/P Fuse Block - AUTO A/C BCM, HVAC EPS, TPMS, ABS, HTD MIR Fuses
DLC Schematics
Transmission Control Module (TCM) Power, Ground, Serial Data, Hold Mode Indicator Control
G106, G107, G108, G109
G106, G107, G108, G109
G103 (2.0L MR140)