GM Service Manual Online
For 1990-2009 cars only
Makes
🢒
Chevrolet
🢒
2006
🢒
Epica
🢒 Manual Transmission - 2.0L MR 140
Manual Transmission - 2.0L MR 140
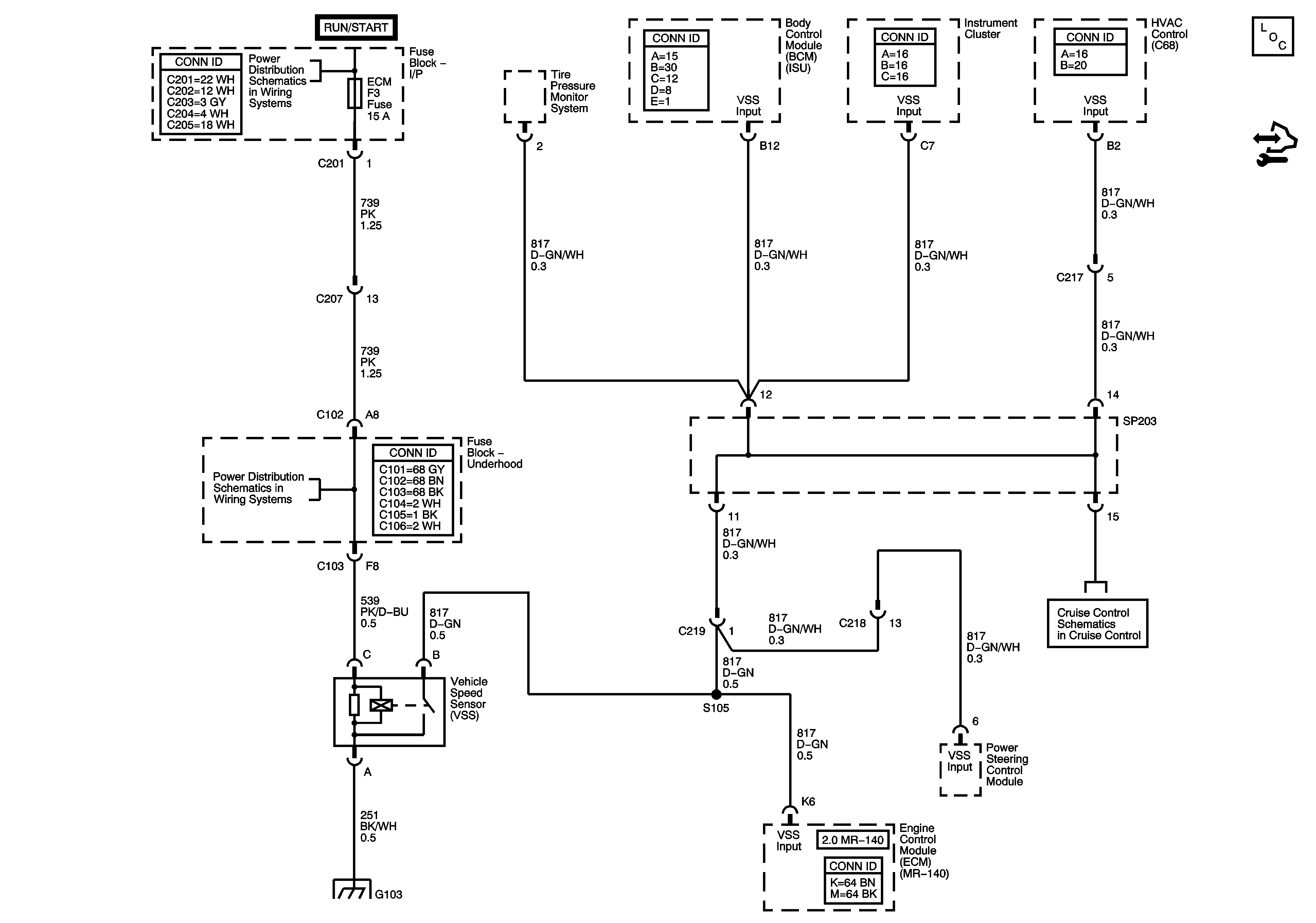
Master Electrical Component List
IGN 1, Fuse, Ignition Switch, I/P Fuse Block, - LTR, HTD SEAT, CLK, RADIO, AIR BAG, BCK/UP, CRUISE, ECM Fuses
IGN 1, Fuse, Ignition Switch, I/P Fuse Block, - LTR, HTD SEAT, CLK, RADIO, AIR BAG, BCK/UP, CRUISE, ECM Fuses
Cruise Control Schematics
G103 and G104 (2.0L ITMS-6F)