GM Service Manual Online
For 1990-2009 cars only
Makes
🢒
Chevrolet
🢒
2006
🢒
Epica
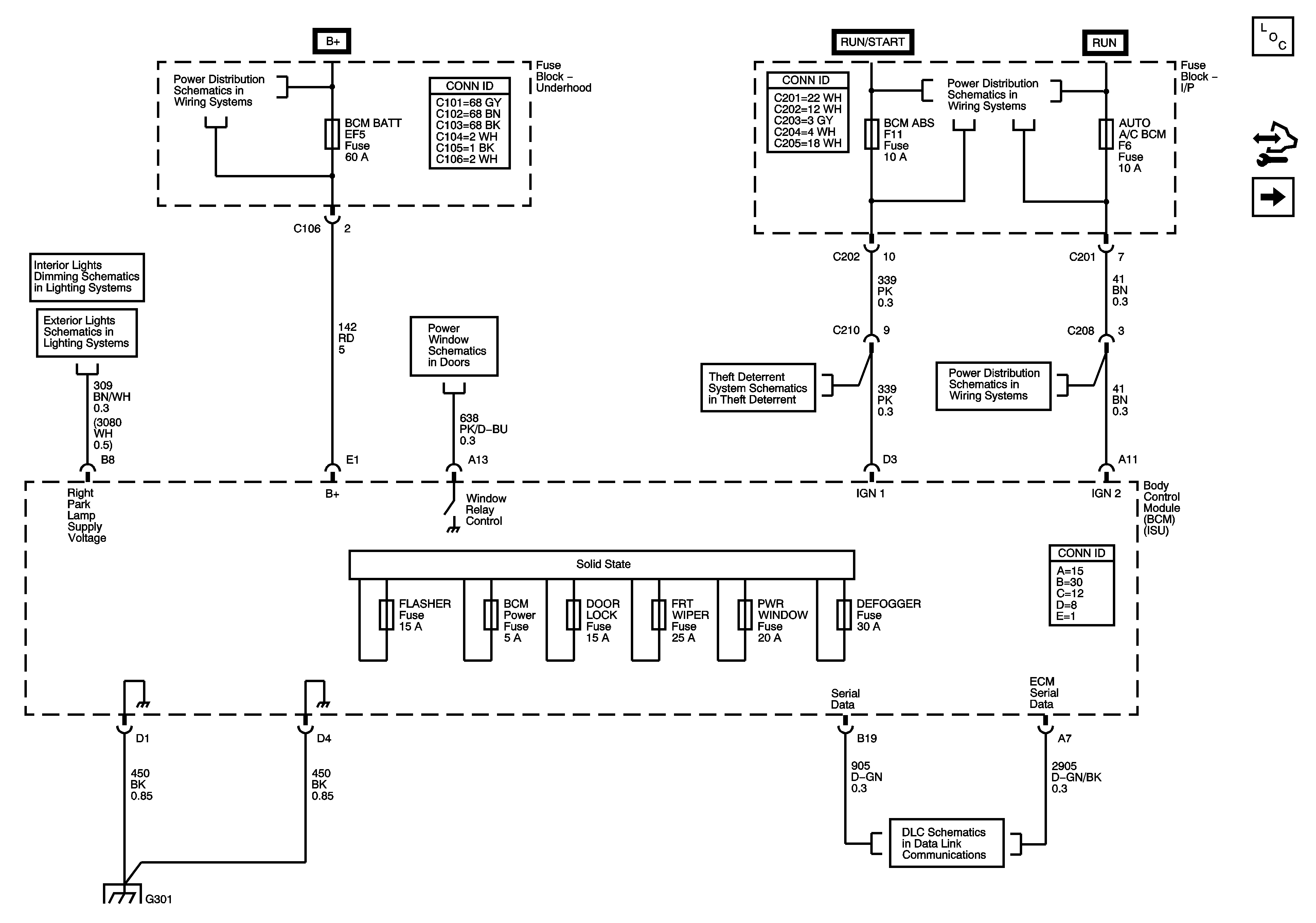
🢒 Body Control Module (BCM) Power, Ground, Serial Data
Body Control Module (BCM) Power, Ground, Serial Data
Body Control Module (BCM) Power, Ground, Serial Data
Master Electrical Component List
Rear Defogger, Audible Warnings, Door Lock, Exterior Lights, Trunk Release, Wiper System References
ABS, BCM BATT, ILLUM RT, ILLUM LT Fuses
ABS, BCM BATT, ILLUM RT, ILLUM LT Fuses
Interior Lights Dimming Schematics
Park Lamps - North America
Theft Deterrent System Schematics
Power Window Schematics (1 of 2)
IGN 2 Fuse, Ignition Switch, I/P Fuse Block - AUTO A/C BCM, HVAC EPS, TPMS, ABS, HTD MIR FusesIGN 2 Fuse, Ignition Switch, I/P Fuse Block - AUTO A/C BCM, HVAC EPS, TPMS, ABS, HTD MIR Fuses
DLC Schematics
G301