GM Service Manual Online
For 1990-2009 cars only
Makes
🢒
Chevrolet
🢒
2006
🢒
Epica
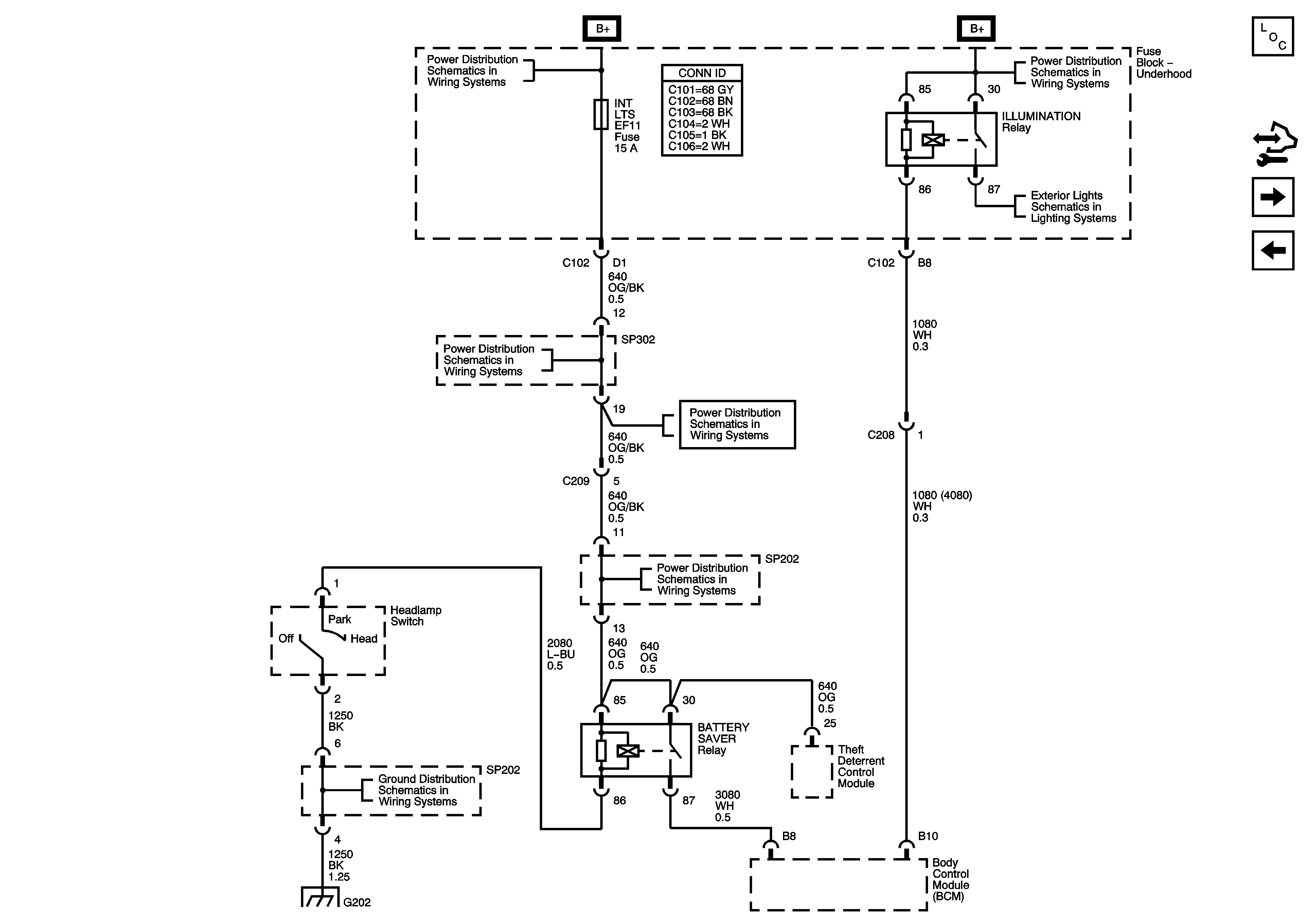
🢒 Battery Saver Relay -Except North America
Battery Saver Relay -Except North America
Battery Saver Relay - Except North America
Master Electrical Component List
ABS, BCM BATT, ILLUM RT, ILLUM LT Fuses
Park Lamps - North America
INT LTS, FRT DEFOG Fuses
INT LTS, FRT DEFOG Fuses
INT LTS, FRT DEFOG Fuses
INT LTS, FRT DEFOG Fuses
Stop Lamps
Turn and Hazard Lamps - Except North America
G202, SP202
G202, SP202