GM Service Manual Online
For 1990-2009 cars only
Makes
🢒
Chevrolet
🢒
2006
🢒
Epica
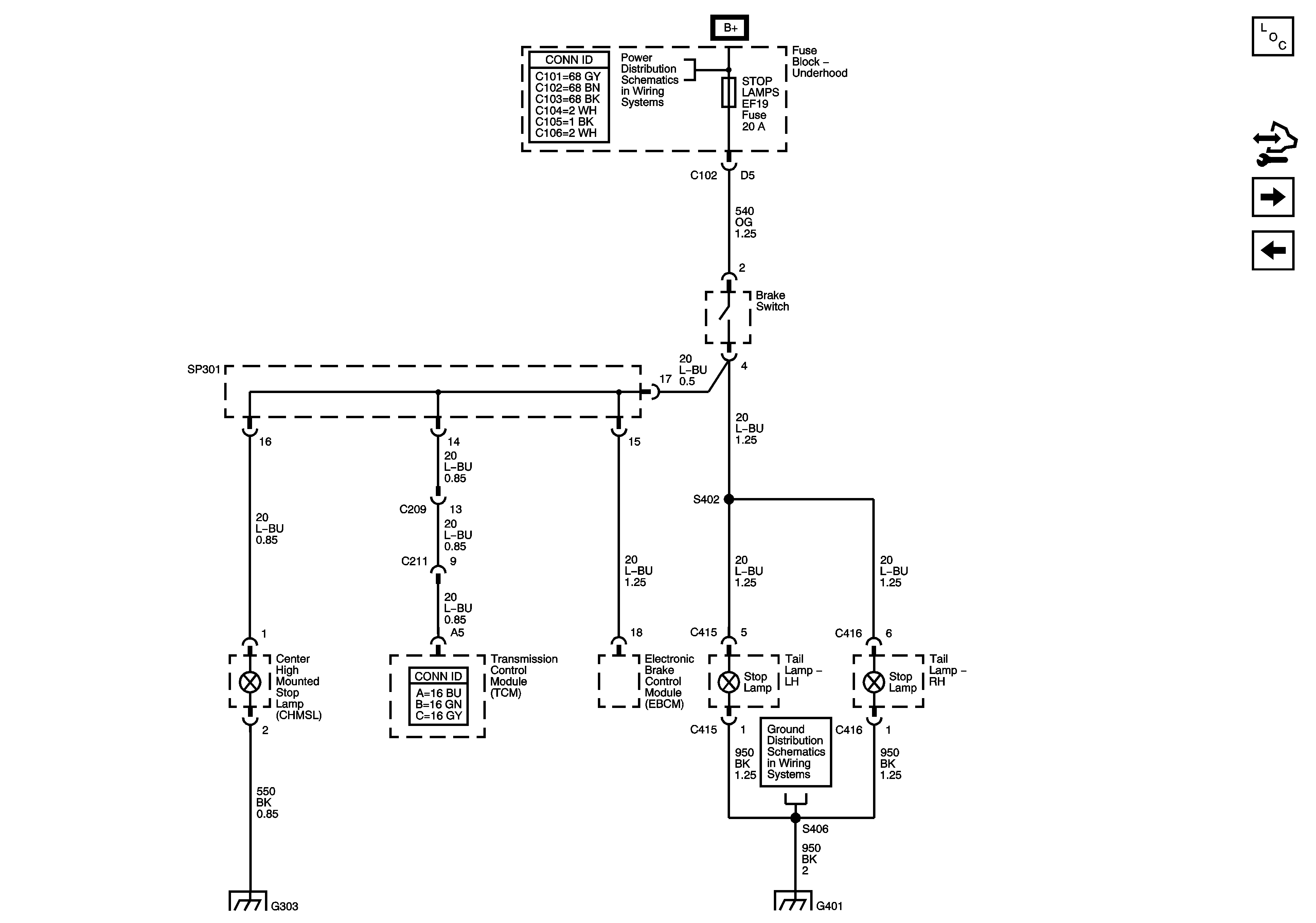
🢒 Stop Lamps
Stop Lamps
Stop Lamps
Master Electrical Component List
Backup Lamps
Battery Saver Relay - Except North America
STOP LAMPS, HI BEAM PASSING, ECM Fuses
G401, S406, S902
G303
G401, S406, S902