GM Service Manual Online
For 1990-2009 cars only
Makes
🢒
Chevrolet
🢒
2006
🢒
Epica
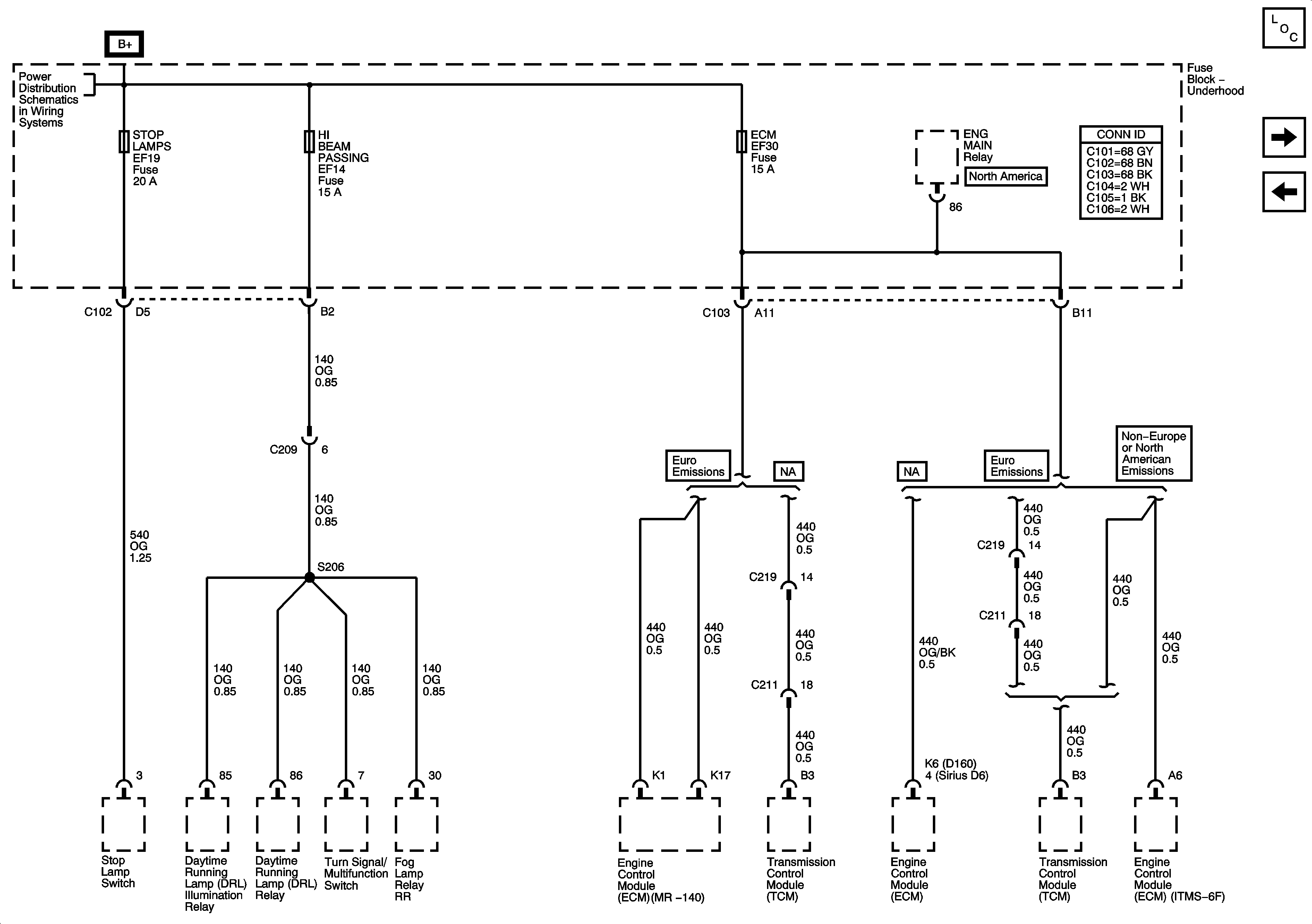
🢒 STOP LAMPS, HI BEAM PASSING, ECM Fuses
STOP LAMPS, HI BEAM PASSING, ECM Fuses
STOP LAMPS, HI BEAM PASSING, and ECM Fuses
Master Electrical Component List
HEADLAMP Relay, LOW BEAM LT, LOW BEAM RT, DRL, CLSTR AUTO A/C Fuses
HVAC, BLWR, S/ROOF, PWR SEAT Fuses
Fuse Block - Underhood Bussing (1 of 2)