GM Service Manual Online
For 1990-2009 cars only
Makes
🢒
Chevrolet
🢒
2007
🢒
Epica
🢒
Body Systems
🢒
Wipers and Washers
🢒 Wiper/Washer Schematics
Wiper/Washer Schematics w/o Rain Sensor
Master Electrical Component List
Alternator, EF1, EF3, EF5, EF18, EF19, EF27, EF30, EF33 Fuses
G102
G301
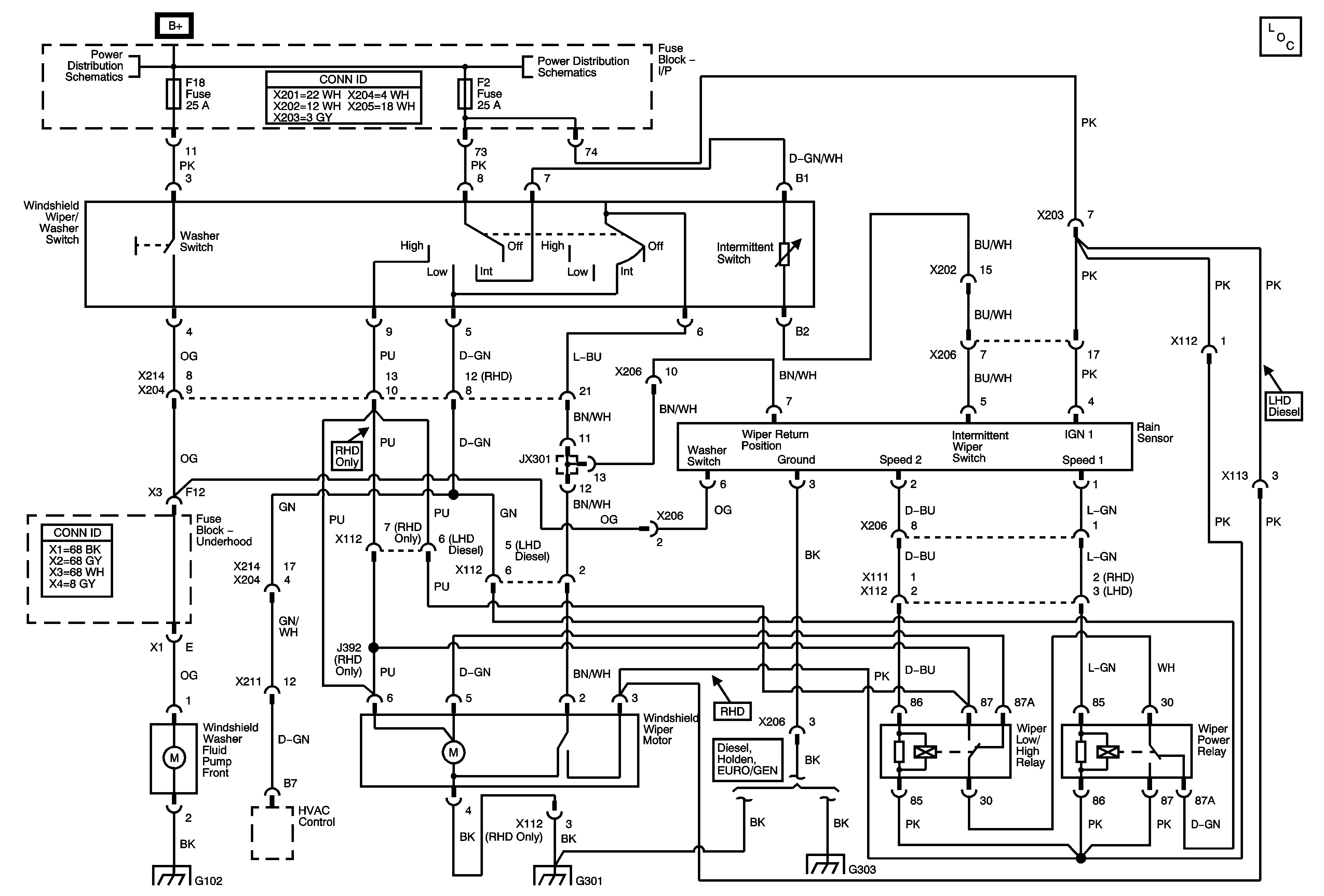
Wiper/Washer Schematics w/Rain Sensor
Master Electrical Component List
Alternator, EF1, EF3, EF5, EF18, EF19, EF27, EF30, EF33 Fuses
Alternator, EF1, EF3, EF5, EF18, EF19, EF27, EF30, EF33 Fuses
G102
G301
G303