GM Service Manual Online
For 1990-2009 cars only
Makes
🢒
Chevrolet
🢒
2007
🢒
Epica
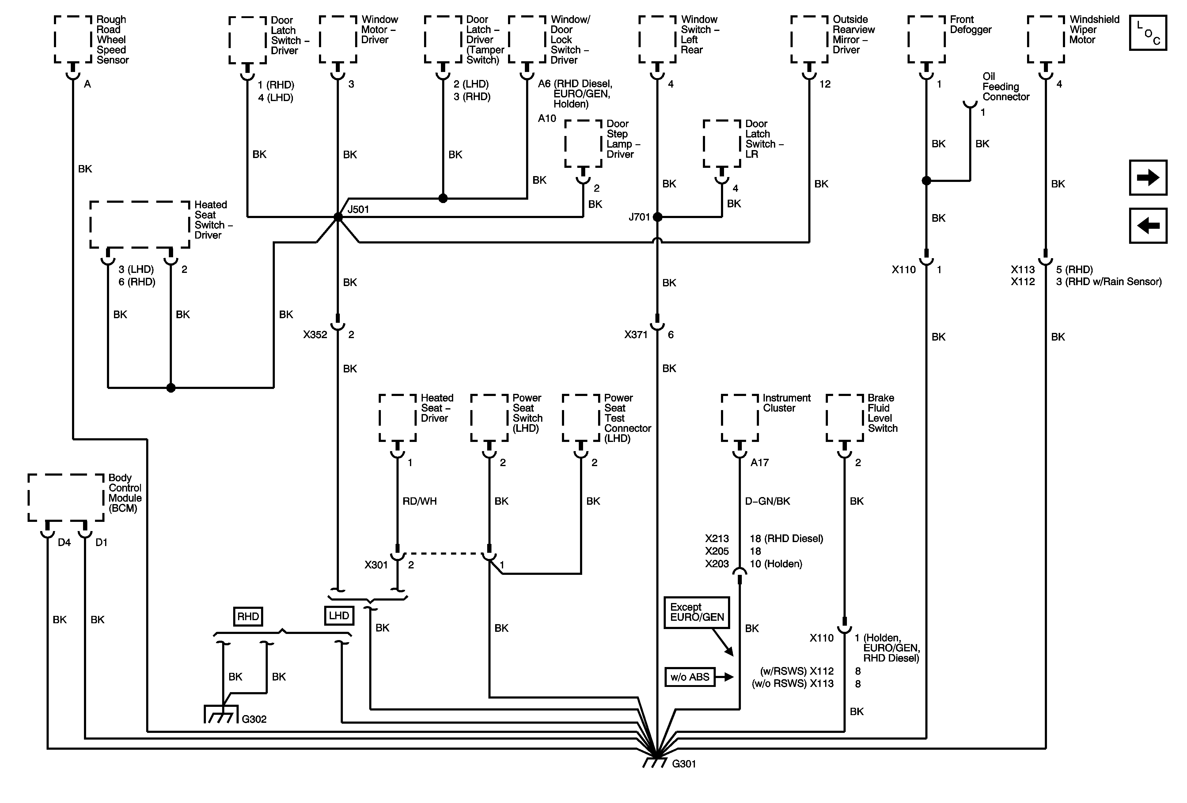
🢒 G301
G301
G301
Master Electrical Component List
G302
G203, G204
G302