GM Service Manual Online
For 1990-2009 cars only
Makes
🢒
Chevrolet
🢒
2007
🢒
Epica
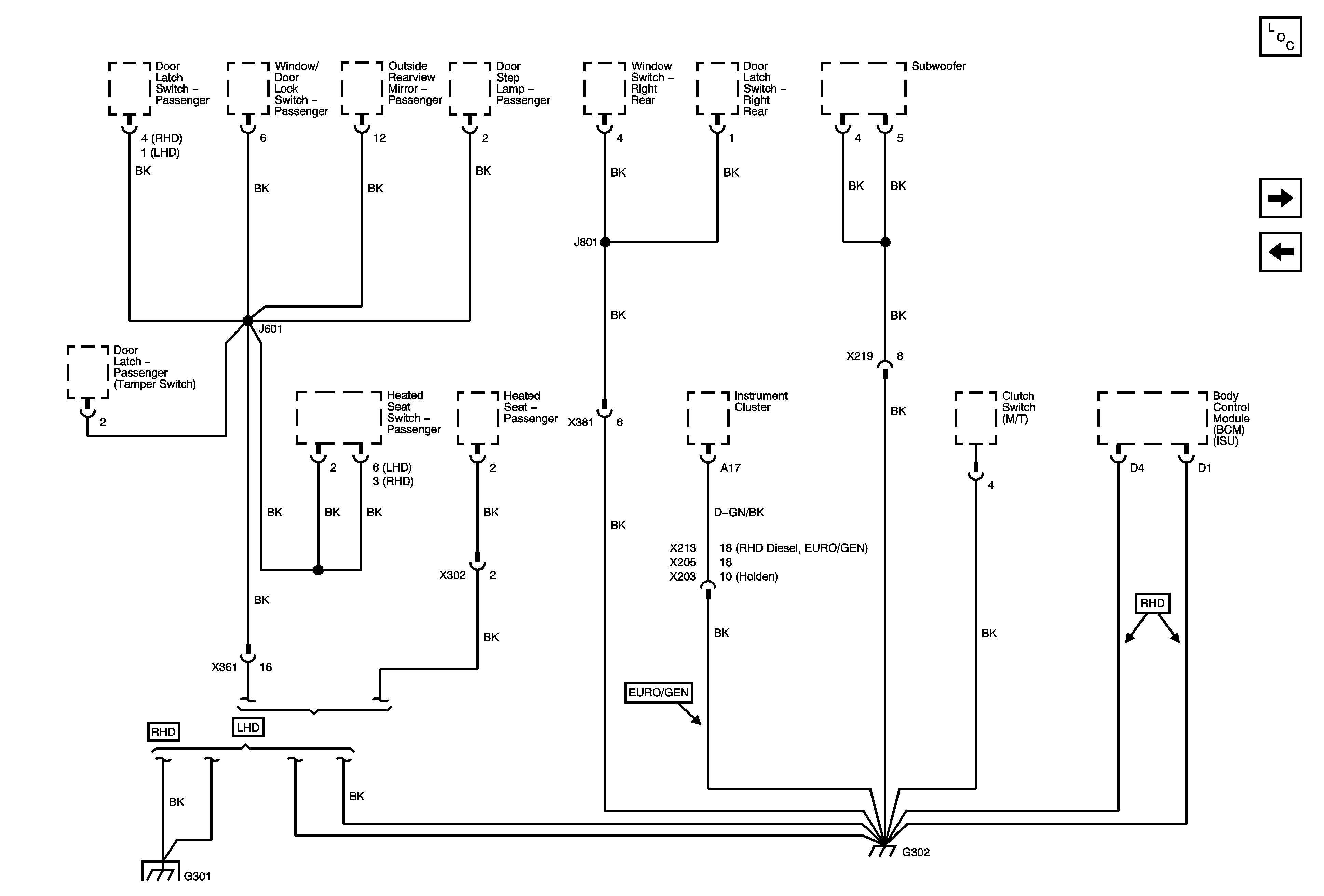
🢒 G302
G302
G302
Master Electrical Component List
G303
G301
G301