GM Service Manual Online
For 1990-2009 cars only
Makes
🢒
Chevrolet
🢒
2007
🢒
Epica
🢒
Brakes
🢒
Antilock Brake System
🢒 Antilock Brake System Schematics
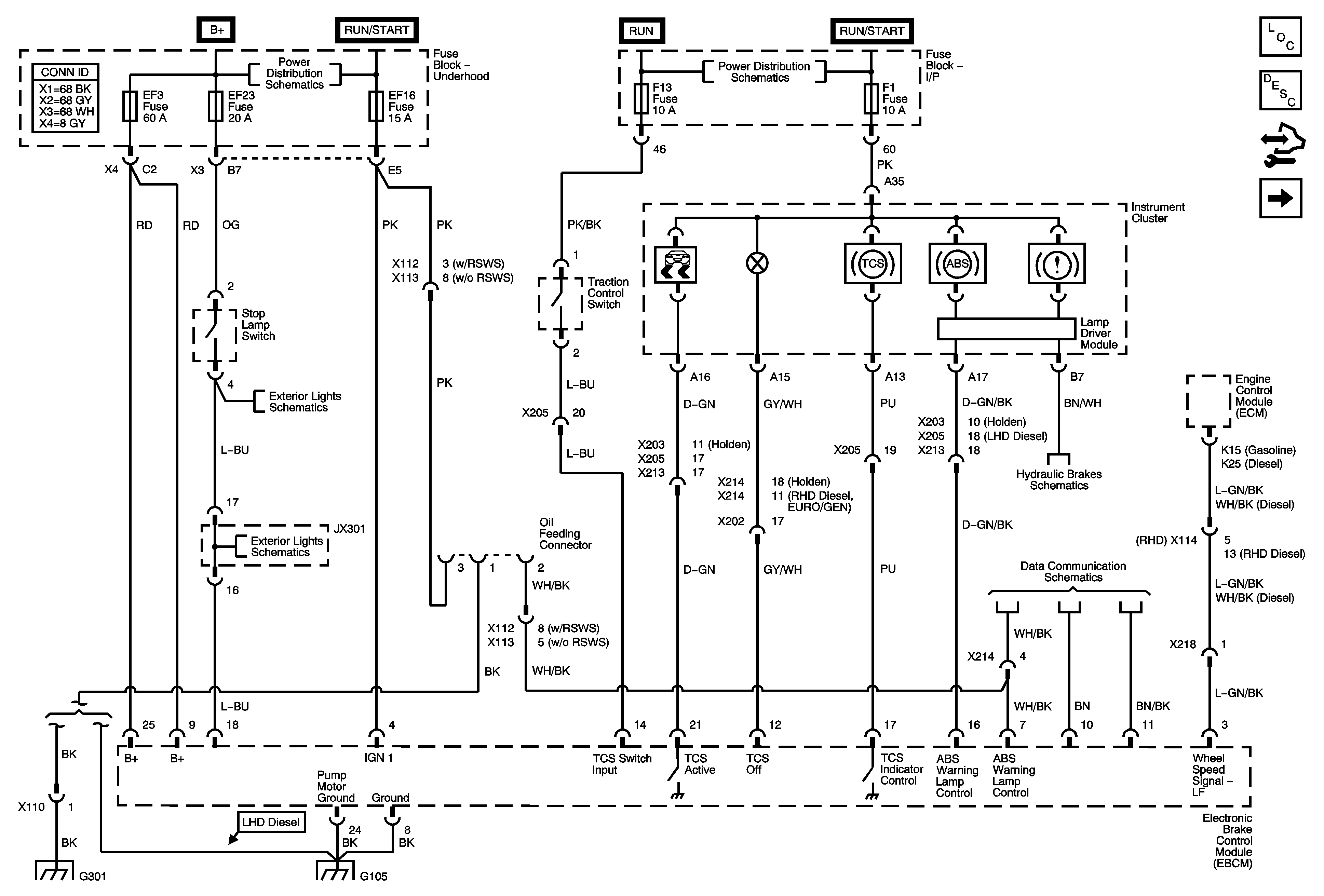
Figure
1:
EBCM, Power, Ground, Warning Lamps, Stop Lamp Switch, Traction Control Switch
Master Electrical Component List
ABS Description and Operation
Control Module References
Wheel Speed Sensors
Alternator, EF1, EF3, EF5, EF18, EF19, EF27, EF30, EF33 Fuses
Alternator, EF1, EF3, EF5, EF18, EF19, EF27, EF30, EF33 Fuses
Park Lamps
Brake Warning System Schematics
Park Lamps
DLC Schematics
G301
G103, G105, G201
Figure
2:
Wheel Speed Sensors
Master Electrical Component List
ABS Description and Operation
Control Module References
EBCM, Power, Ground, Indicator Lamps, Stop Lamp Switch, Traction Control Switch