GM Service Manual Online
For 1990-2009 cars only
Makes
🢒
Chevrolet
🢒
2008
🢒
Epica
🢒
Body Systems
🢒
Mirrors
🢒 Outside Rearview Mirror Schematics
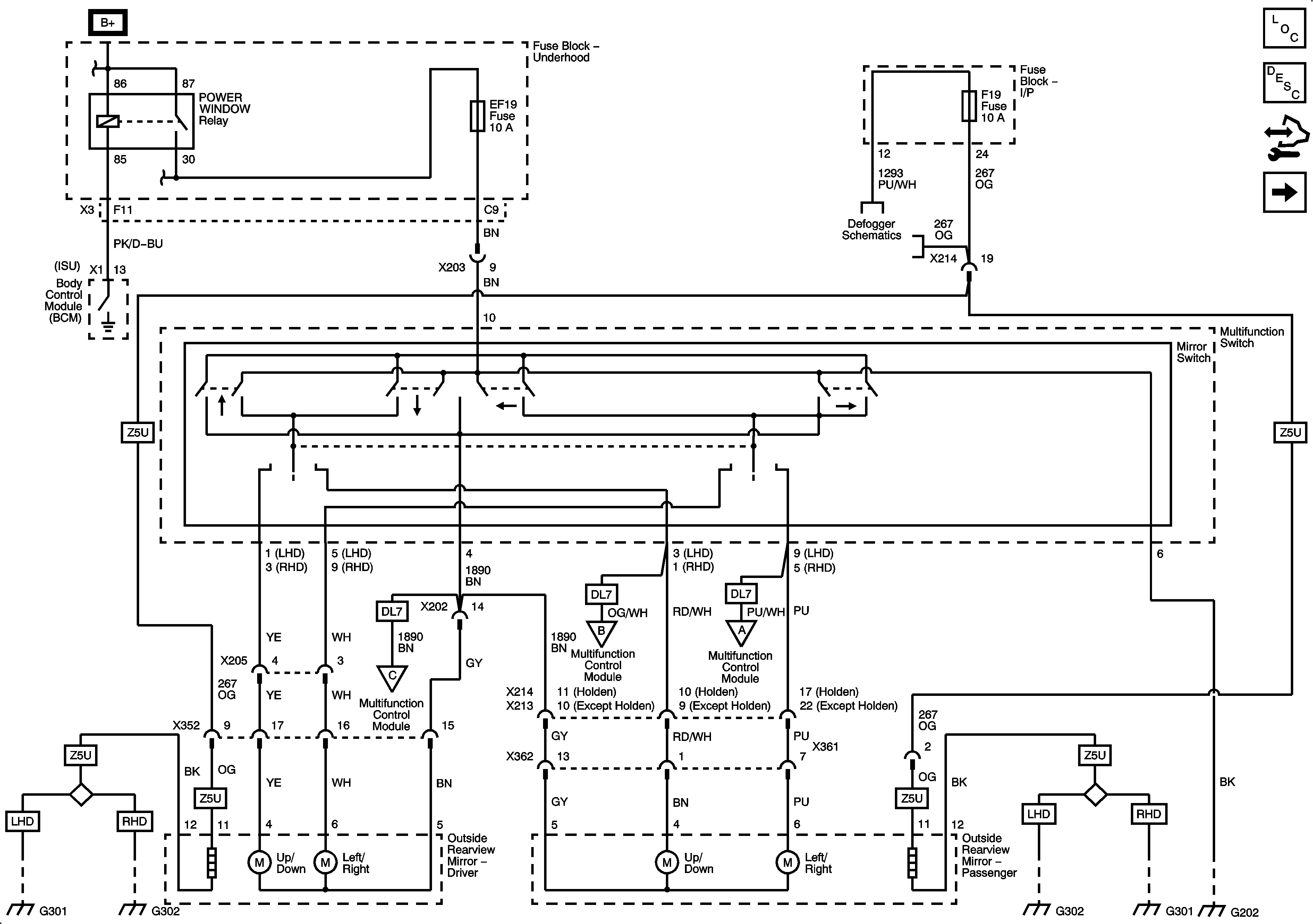
Figure
1:
Standard Power Mirror (DL6)
Master Electrical Component List
Outside Mirror Description and Operation
Control Module References
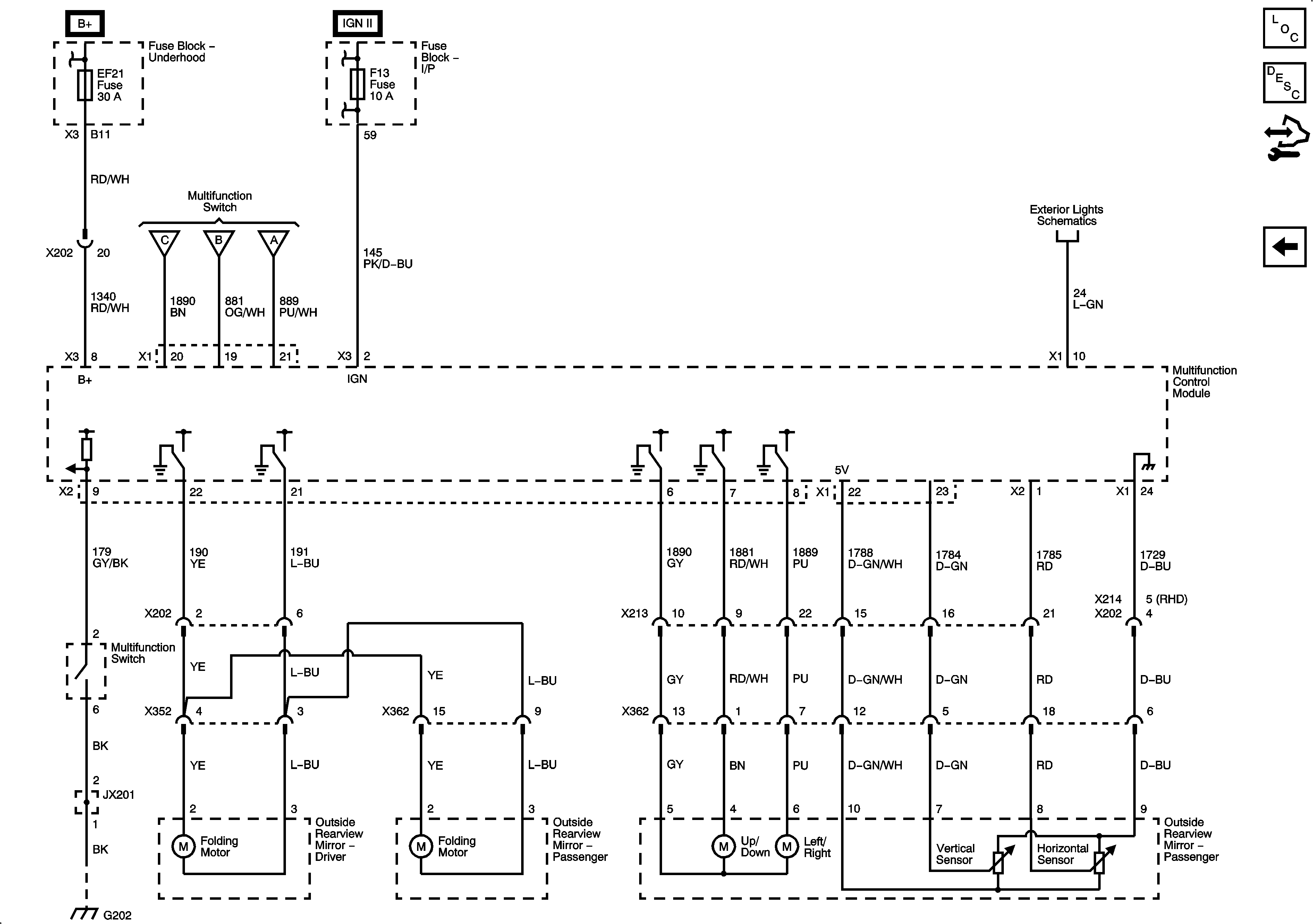
Power Folding Mirror (DL7)
B+ Bus
Fuse Block - Underhood ALTERNATOR, EF1, EF3, EF5, EF18, EF19, Ef27, EF30, EF31 Fuses and POWER WINDOW, ENGINE MAIN Relays
Defogger Schematics
Power Folding Mirror (DL7)
Power Folding Mirror (DL7)
Power Folding Mirror (DL7)
G301 (LHD)
G302 (RHD)
G302 (LHD)
G301 (RHD)
G202, 1 of 2
Figure
2:
Power Folding Mirror (DL7)
Master Electrical Component List
Outside Mirror Description and Operation
Control Module References
Standard Power Mirror (DL6)
B+ Bus
Ignition Switch
Fuse Block - I/P F4, F13, F21 Fuses
Standard Power Mirror (DL6)
Backup Lamps (M98/MFB/MFN)
G202, 1 of 2