GM Service Manual Online
For 1990-2009 cars only
Makes
🢒
Chevrolet
🢒
2008
🢒
Epica
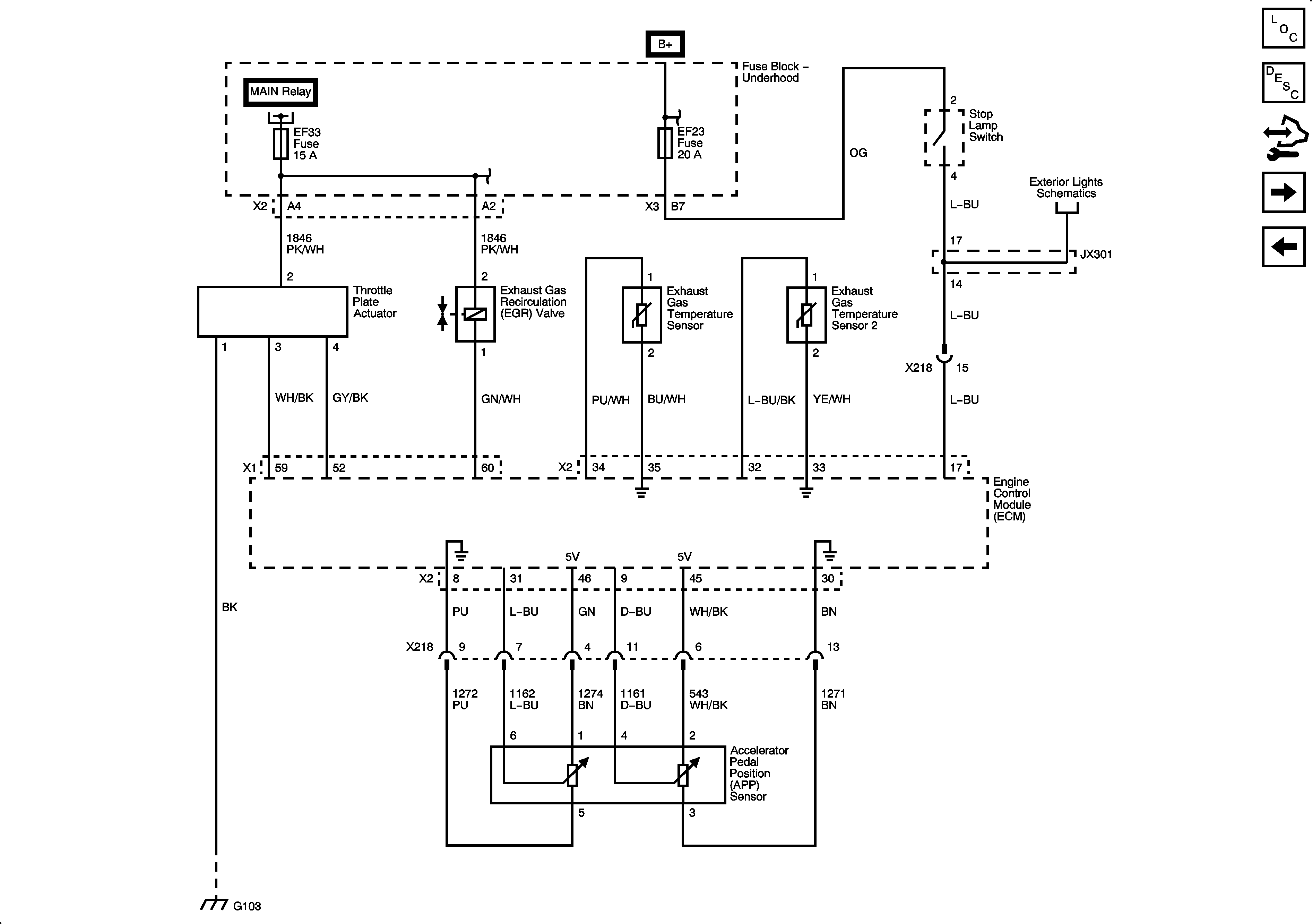
🢒 Engine Data Sensors - Pedal Position, EGR, Exhaust Gas Temperature Sensors
Engine Data Sensors - Pedal Position, EGR, Exhaust Gas Temperature Sensors
Engine Data Sensors - Pedal Position, EGR, Exhaust Gas Temperature Sensors
Master Electrical Component List
Accelerator Pedal Position System Description
Control Module References
Glow Plug Controls, CKP and CMP Sensors, Clutch Start Switch
Engine Data Sensors - Pressure and Temperature
Fuse Block - Underhood ALTERNATOR, EF1, EF3, EF5, EF18, EF19, Ef27, EF30, EF31 Fuses and POWER WINDOW, ENGINE MAIN Relays
B+ Bus
Fuse Block - Underhood EF33 Fuse
Stop Lamps
G103, G105, G108 (Diesel), G201