GM Service Manual Online
For 1990-2009 cars only
Makes
🢒
Chevrolet
🢒
2008
🢒
Epica
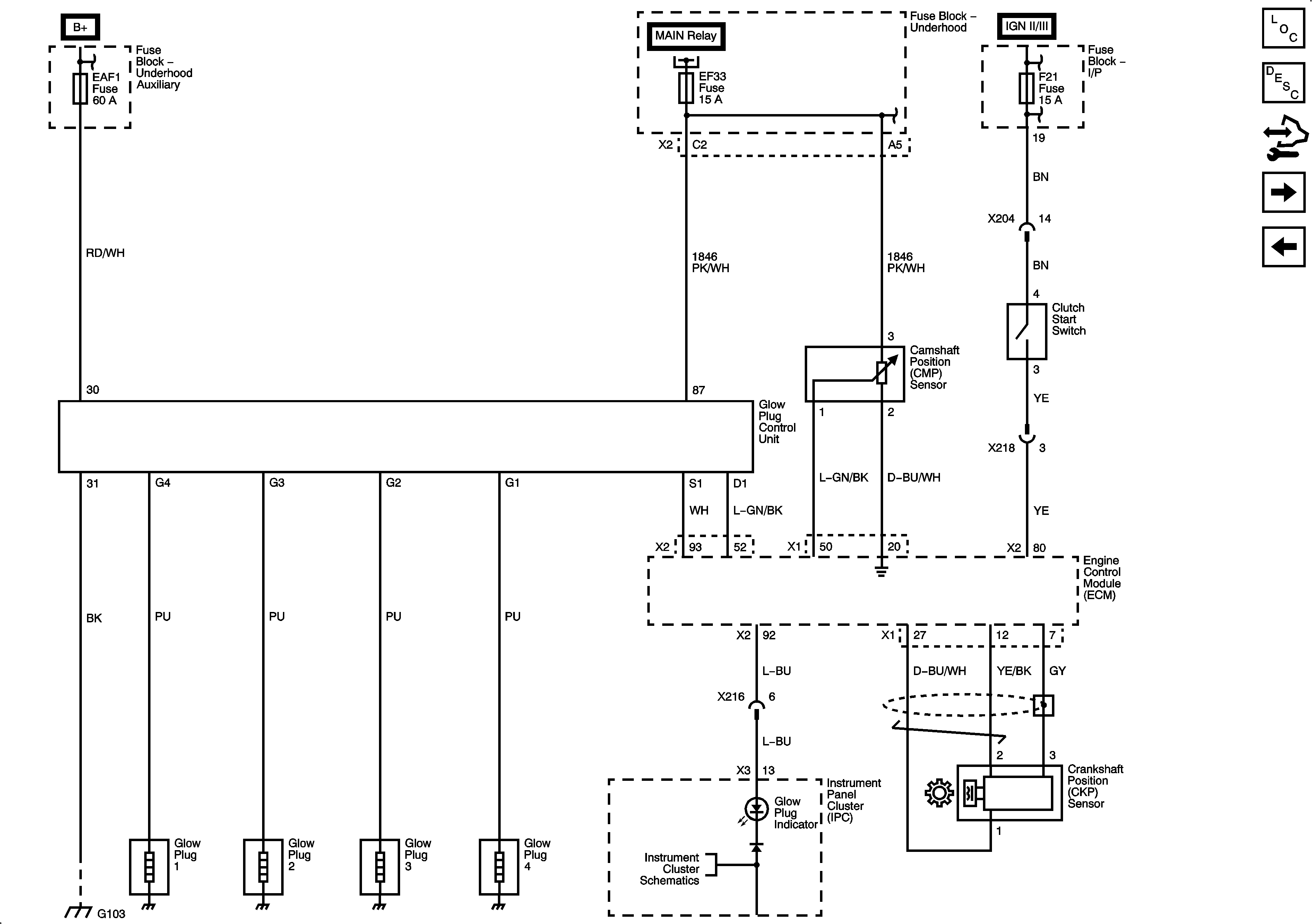
🢒 Glow Plug Controls, CKP and CMP Sensors, Clutch Start Switch
Glow Plug Controls, CKP and CMP Sensors, Clutch Start Switch
Engine Data Sensors - Glow Plug Controls, CKP and CMP Sensors, Clutch Start Switch
Master Electrical Component List
Glow Plug System Description
Control Module References
Fuel Pump Controls
Engine Data Sensors - Pedal Position, EGR, Exhaust Gas Temperature Sensors
Fuse Block - Auxiliary Underhood - Diesel
Power, Ground, Serial Data, MIL
Fuse Block - Underhood ALTERNATOR, EF1, EF3, EF5, EF18, EF19, Ef27, EF30, EF31 Fuses and POWER WINDOW, ENGINE MAIN Relays
Fuse Block - Underhood EF33 Fuse
Ignition Switch
Fuse Block - I/P F4, F13, F21 Fuses
Indicators 1 of 3
G103, G105, G108 (Diesel), G201