GM Service Manual Online
For 1990-2009 cars only
Makes
🢒
Chevrolet
🢒
2008
🢒
Epica
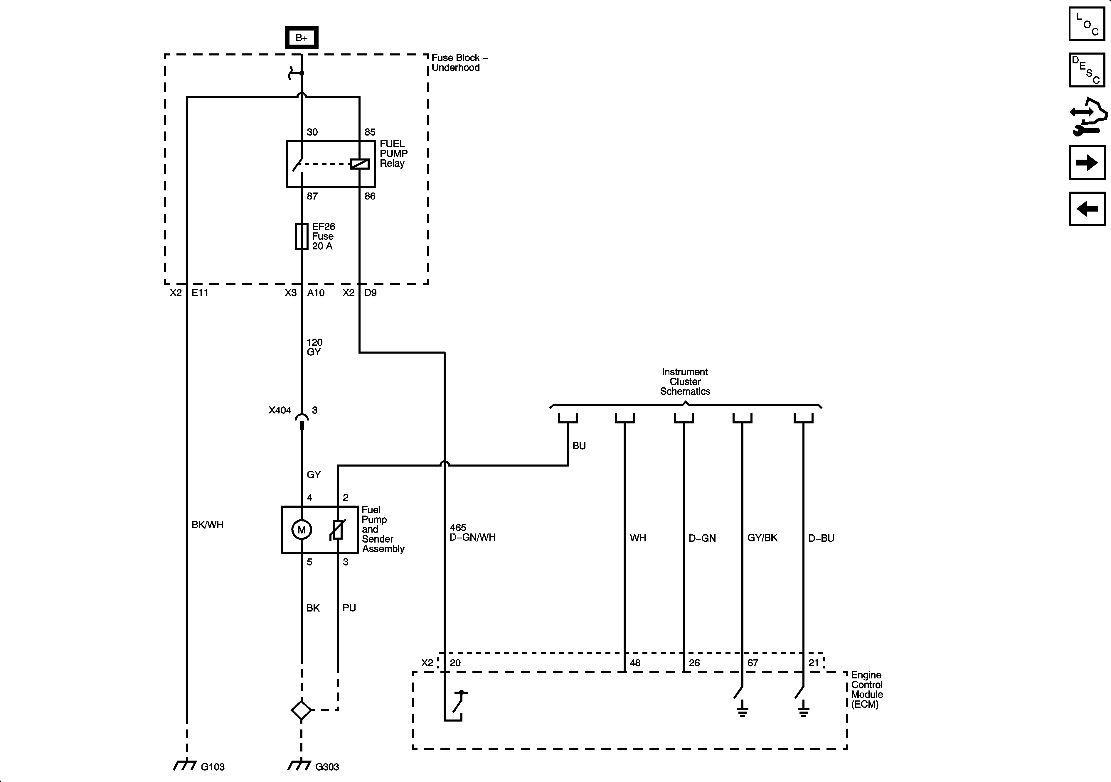
🢒 Fuel Pump Controls
Fuel Pump Controls
Fuel Pump Controls
Master Electrical Component List
Fuel System Description
Control Module References
Fuel Controls - Fuel Injectors, Water in Fuel/Temperature Sensors
Glow Plug Controls, CKP and CMP Sensors, Clutch Start Switch
B+ Bus
Power, Ground, Gages and Serial Data (Diesel)
Indicators 2 of 3
G103, G105, G108 (Diesel), G201
G303