GM Service Manual Online
For 1990-2009 cars only
Makes
🢒
Chevrolet
🢒
2008
🢒
Epica
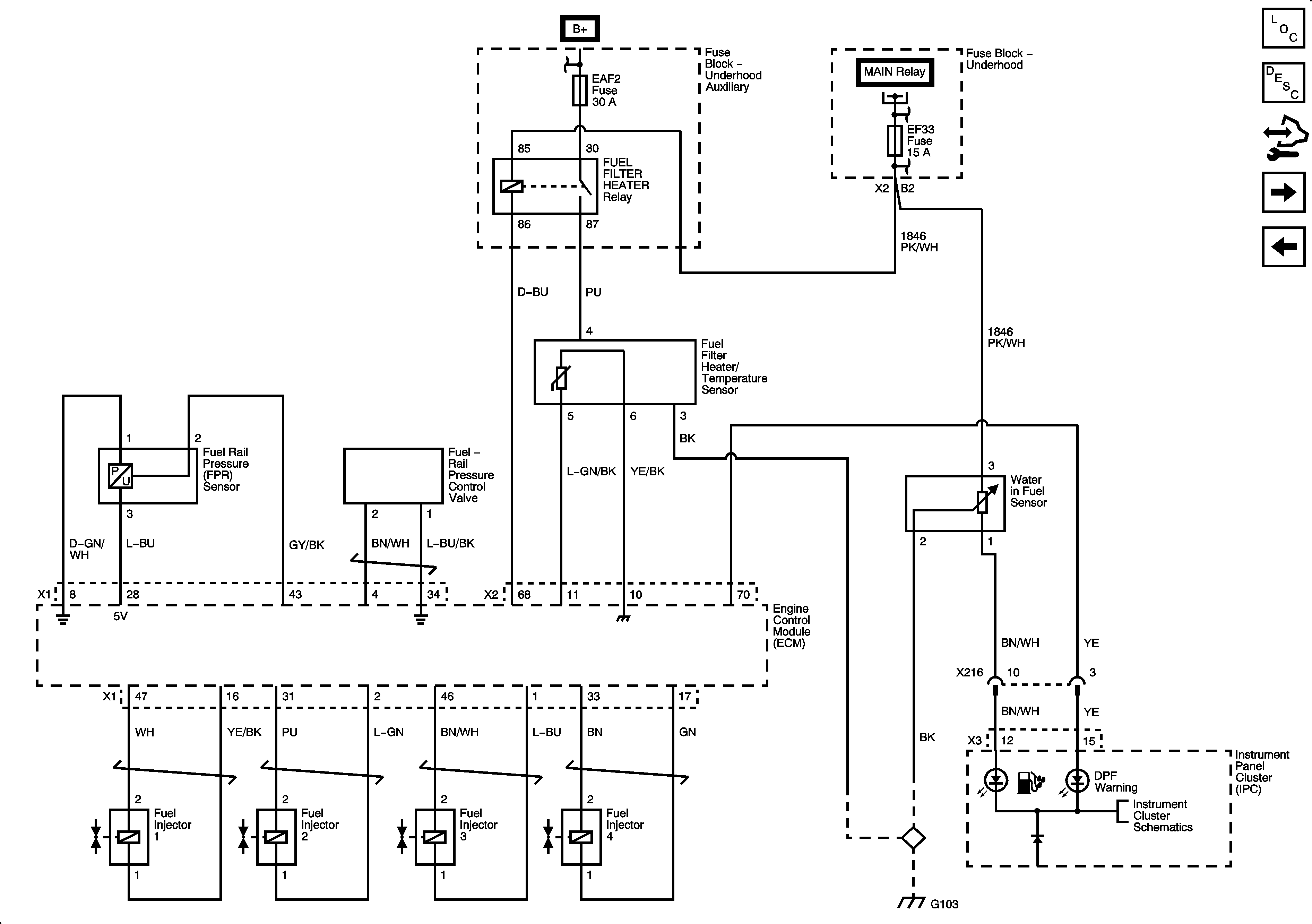
🢒 Fuel Controls - Fuel Injectors, Water in Fuel/Temperature Sensors
Fuel Controls - Fuel Injectors, Water in Fuel/Temperature Sensors
Fuel Controls - Fuel Injectors, Water in Fuel/Temperature Sensors
Master Electrical Component List
Fuel System Description
Control Module References
PTC Heater
Fuel Pump Controls
Fuse Block - Auxiliary Underhood - Diesel
Fuse Block - Underhood ALTERNATOR, EF1, EF3, EF5, EF18, EF19, Ef27, EF30, EF31 Fuses and POWER WINDOW, ENGINE MAIN Relays
Fuse Block - Underhood EF33 Fuse
G103, G105, G108 (Diesel), G201
Indicators 2 of 3