GM Service Manual Online
For 1990-2009 cars only
Makes
🢒
Chevrolet
🢒
2008
🢒
Epica
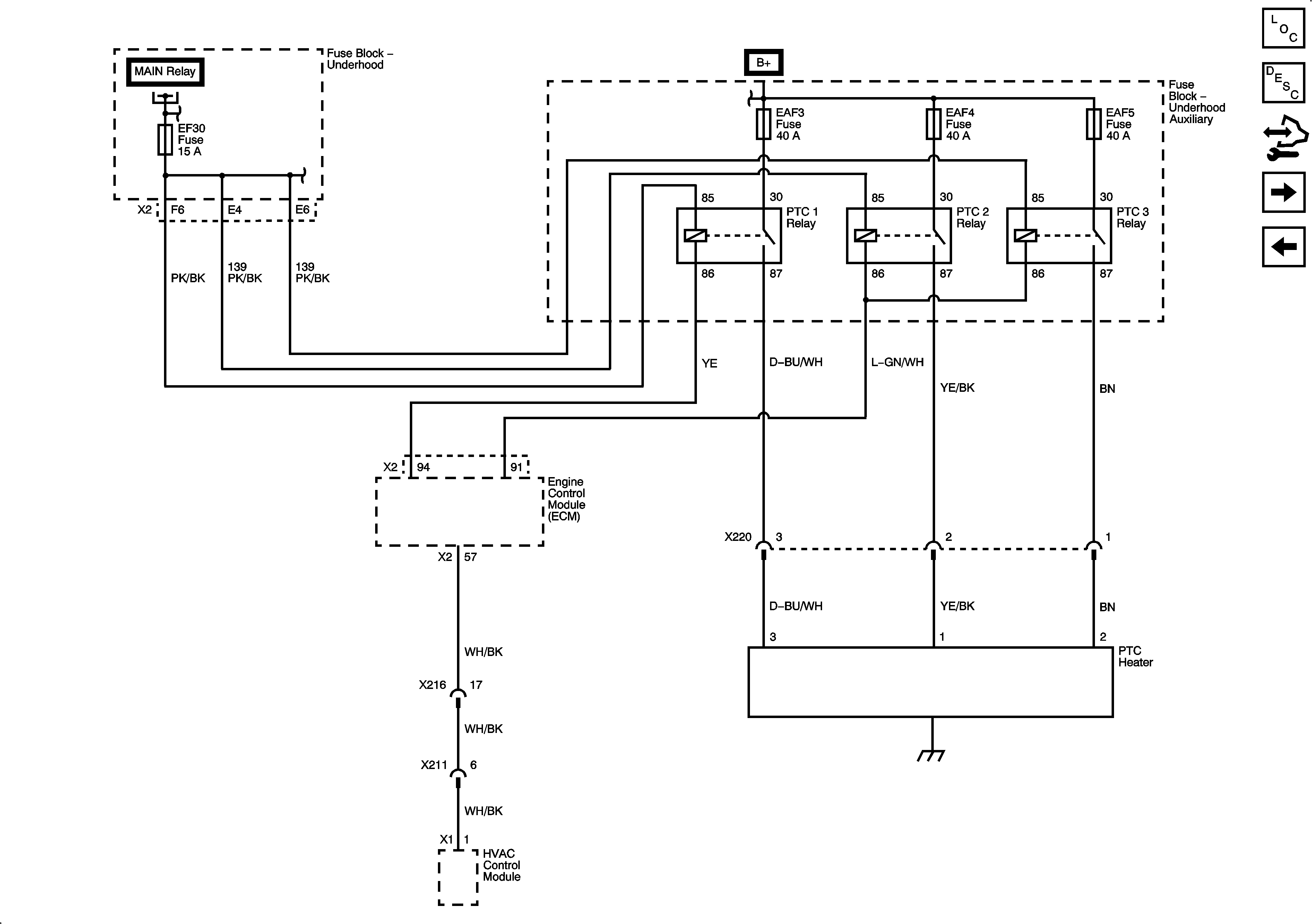
🢒 PTC Heater
PTC Heater
PTC Heater
Master Electrical Component List
Engine Control Module Description
Control Module References
Controlled/Monitored Subsystem References
Fuel Controls - Fuel Injectors, Water in Fuel/Temperature Sensors
Fuse Block - Underhood ALTERNATOR, EF1, EF3, EF5, EF18, EF19, Ef27, EF30, EF31 Fuses and POWER WINDOW, ENGINE MAIN Relays
Fuse Block - Underhood EF33 Fuse
Fuse Block - Auxiliary Underhood - Diesel