GM Service Manual Online
For 1990-2009 cars only
Makes
🢒
Chevrolet
🢒
2008
🢒
Epica
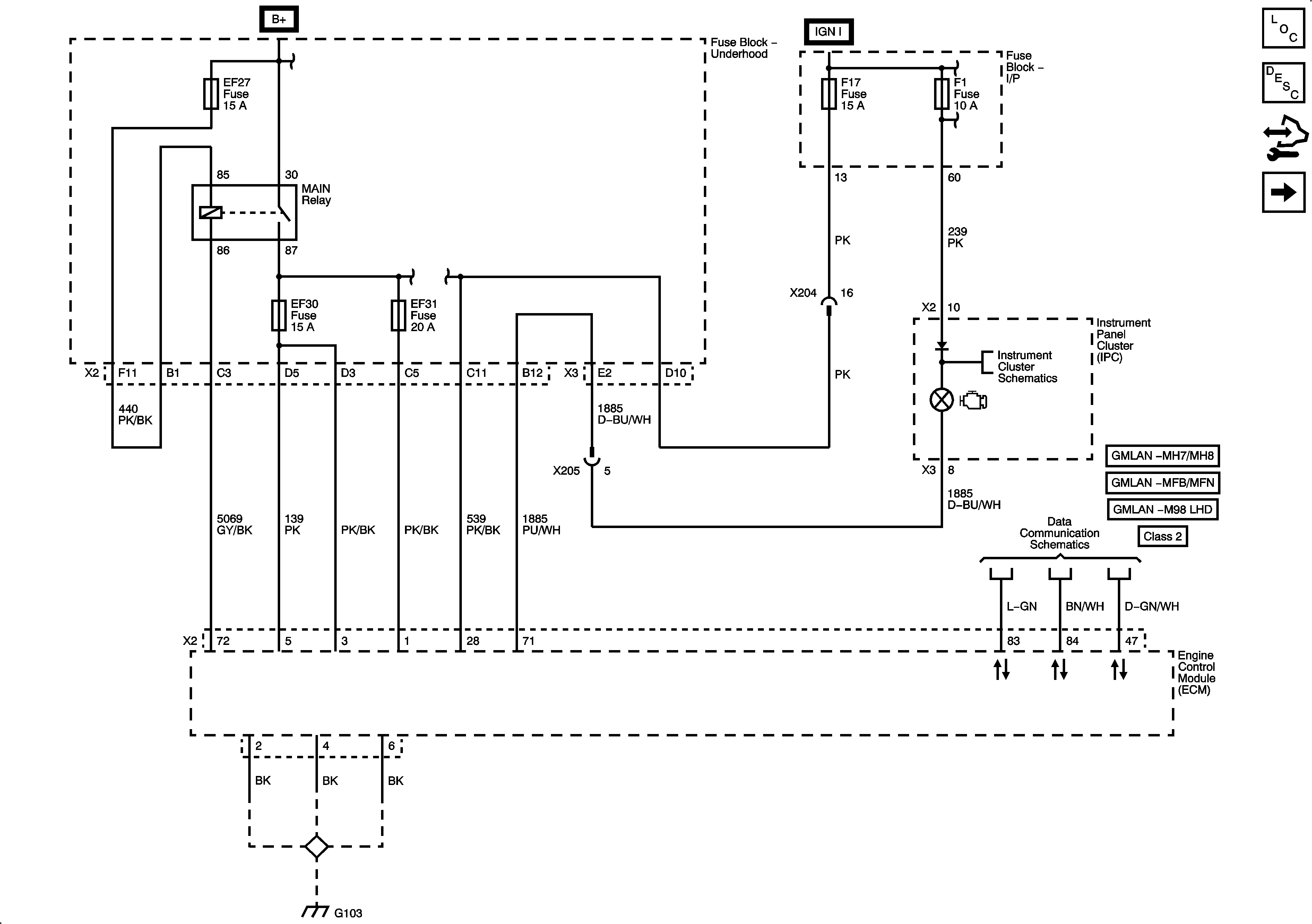
🢒 Power, Ground, Serial Data, MIL
Power, Ground, Serial Data, MIL
Power, Ground, Serial Data, MIL
Master Electrical Component List
Engine Control Module Description
Control Module References
Engine Data Sensors - Pressure and Temperature
B+ Bus
Fuse Block - Underhood ALTERNATOR, EF1, EF3, EF5, EF18, EF19, Ef27, EF30, EF31 Fuses and POWER WINDOW, ENGINE MAIN Relays
Fuse Block - I/P F10, F16, F17 Fuses
Ignition Switch
Fuse Block - I/P F1, F2, F3, F11, F12, F18 Fuses
Indicators 2 of 3
Power, Ground, Class 2
High Speed GMLAN - MH7/MH8
High Speed GMLAN - MFB/MFN
High Speed GMLAN - M98 (LHD)
G103, G105, G108 (Diesel), G201