GM Service Manual Online
For 1990-2009 cars only
Makes
🢒
Chevrolet
🢒
2008
🢒
Epica
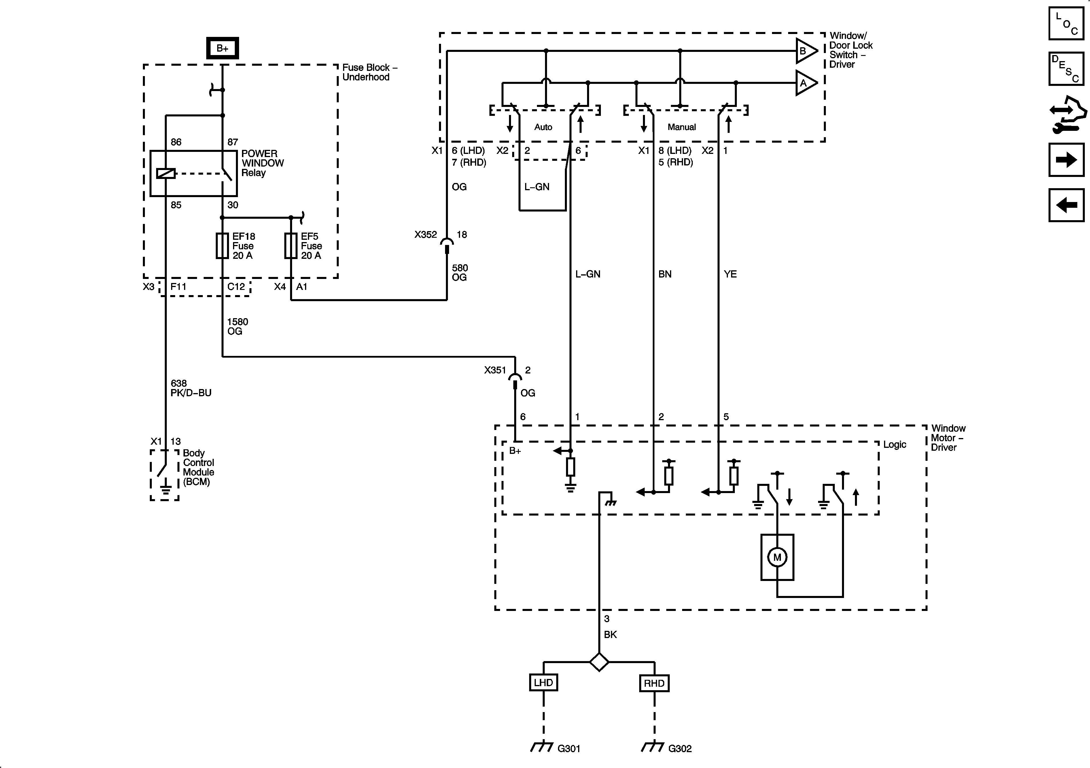
🢒 Driver Window Switch, Motor (ABZ)
Driver Window Switch, Motor (ABZ)
Driver Window Switch, Motor (ABZ)
Master Electrical Component List
Power Windows Description and Operation
Control Module References
Passenger, Rear Window Switches, Motors
Driver Window Switch, Motor (AA7)
B+ Bus
Passenger, Rear Window Switches, Motors
Fuse Block - Underhood ALTERNATOR, EF1, EF3, EF5, EF18, EF19, Ef27, EF30, EF31 Fuses and POWER WINDOW, ENGINE MAIN Relays
G301 (LHD)
G302 (RHD)