GM Service Manual Online
For 1990-2009 cars only
Makes
🢒
Chevrolet
🢒
2008
🢒
Epica
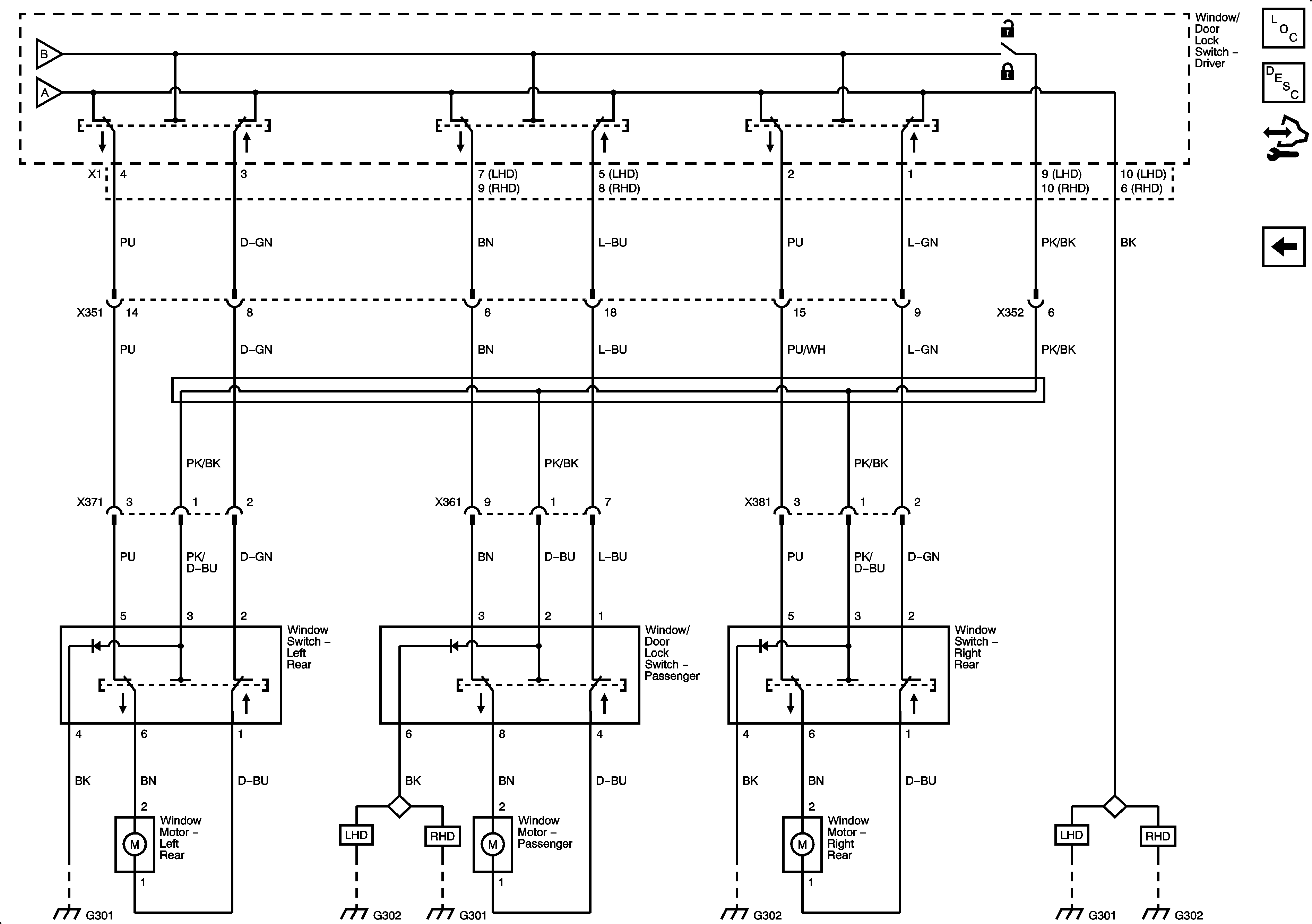
🢒 Passenger, Rear Window Switches, Motors
Passenger, Rear Window Switches, Motors
Passenger, Rear Window Switches, Motors
Master Electrical Component List
Power Windows Description and Operation
Control Module References
Driver Window Switch, Motor (ABZ)
G302 (LHD)
G301 (RHD)
G301 (LHD)
G302 (RHD)