GM Service Manual Online
For 1990-2009 cars only
Makes
🢒
Chevrolet
🢒
2008
🢒
Epica
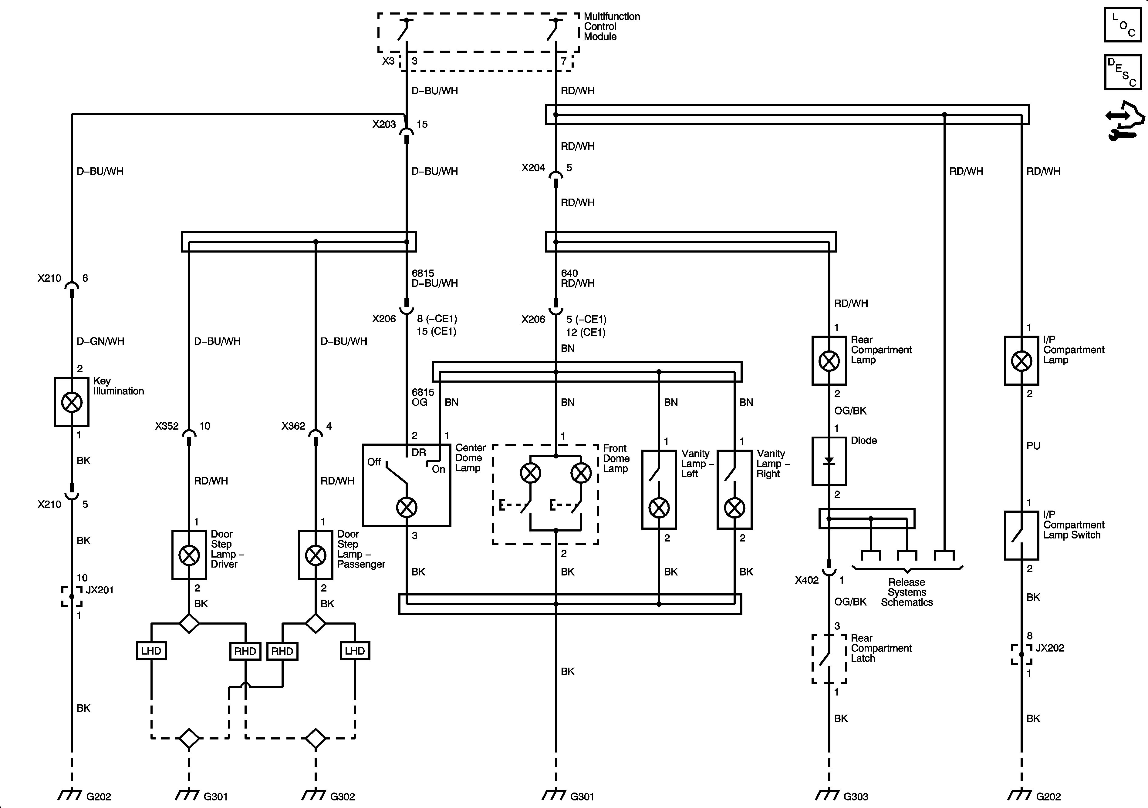
🢒 Interior Lights Schematics
Interior Lights Schematics
Master Electrical Component List
Interior Lighting Systems Description and Operation
Control Module References
Release Systems Schematics
G202, 1 of 2
G301 (LHD)
G301 (RHD)
G302 (LHD)
G302 (RHD)
G301 (LHD)
G301 (RHD)
G303
G202, 1 of 2