GM Service Manual Online
For 1990-2009 cars only
Makes
🢒
Chevrolet
🢒
2008
🢒
Epica
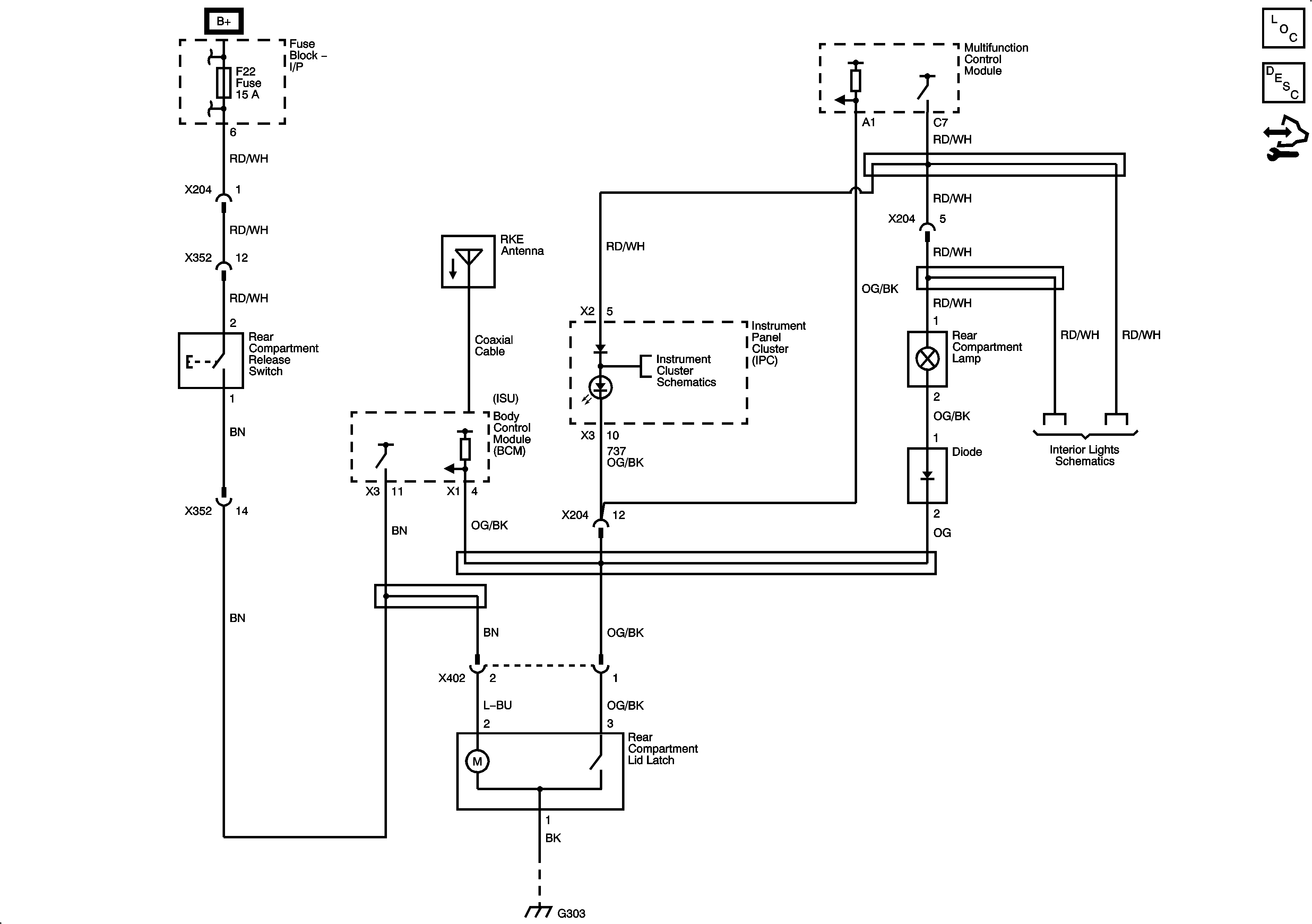
🢒 Release Systems Schematics
Release Systems Schematics
Master Electrical Component List
Power Door Locks Description and Operation
Control Module References
Fuse Block - I/P F8, F9, F15, F22, F23 Fuses
Indicators 3 of 3
Interior Lights Schematics
G303