GM Service Manual Online
For 1990-2009 cars only
Makes
🢒
Chevrolet
🢒
2008
🢒
Epica
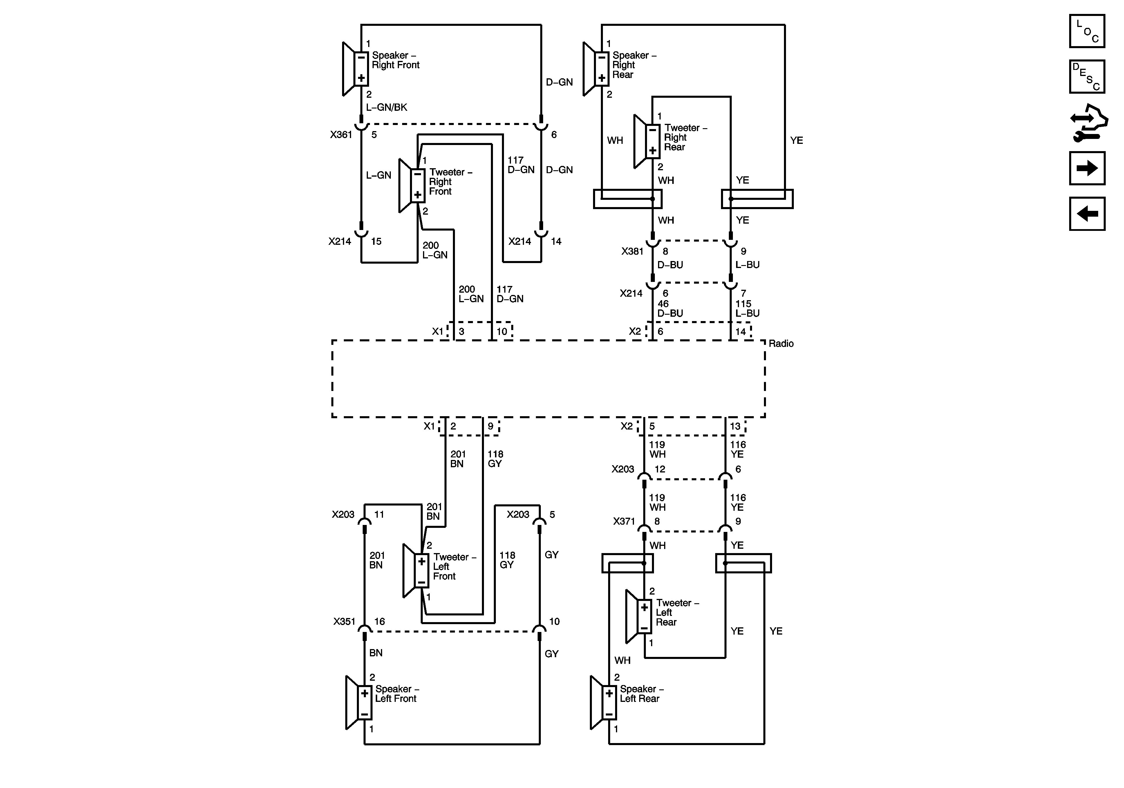
🢒 LHD Speakers (UW6)
LHD Speakers (UW6)
LHD Speakers (UW6)
Master Electrical Component List
Radio/Audio System Description and Operation
Control Module References
RHD Speakers (UW6)
Radio Power, Ground, Steering Wheel Controls, Antenna