GM Service Manual Online
For 1990-2009 cars only
Makes
🢒
Chevrolet
🢒
2008
🢒
Epica
🢒 Electronic Stability Controls (F45)
Electronic Stability Controls (F45)
Electronic Stability Controls (F45)
Master Electrical Component List
ABS Description and Operation V275
Control Module References
Wheel Speed Sensors
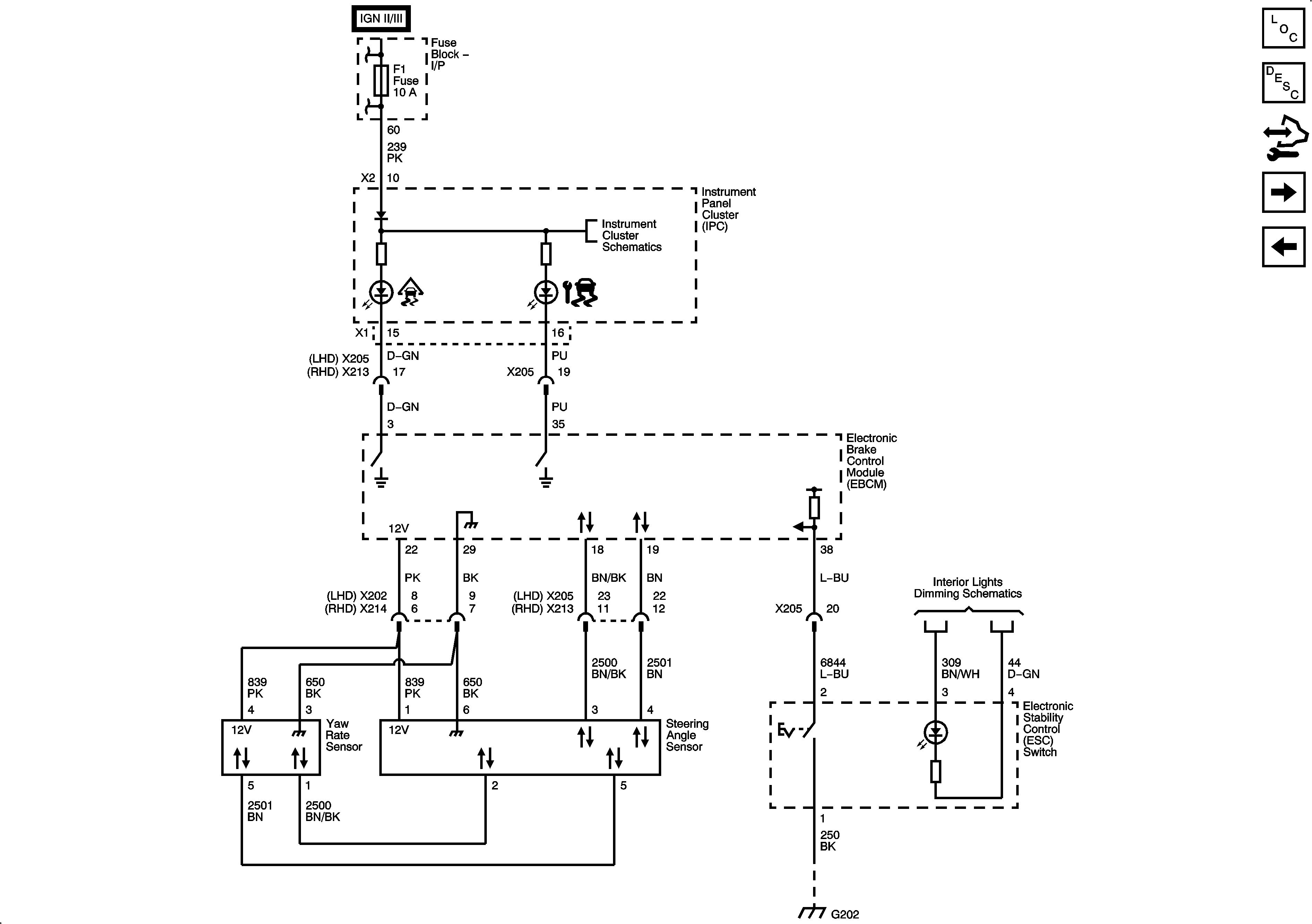
Power, Ground, Indicator/Warning Lamps and Switches (F45, JL9/NW9-F45)
Ignition Switch
Indicators 1 of 3
Illumination
G202, 2 of 2