GM Service Manual Online
For 1990-2009 cars only
Makes
🢒
Chevrolet
🢒
2008
🢒
Epica
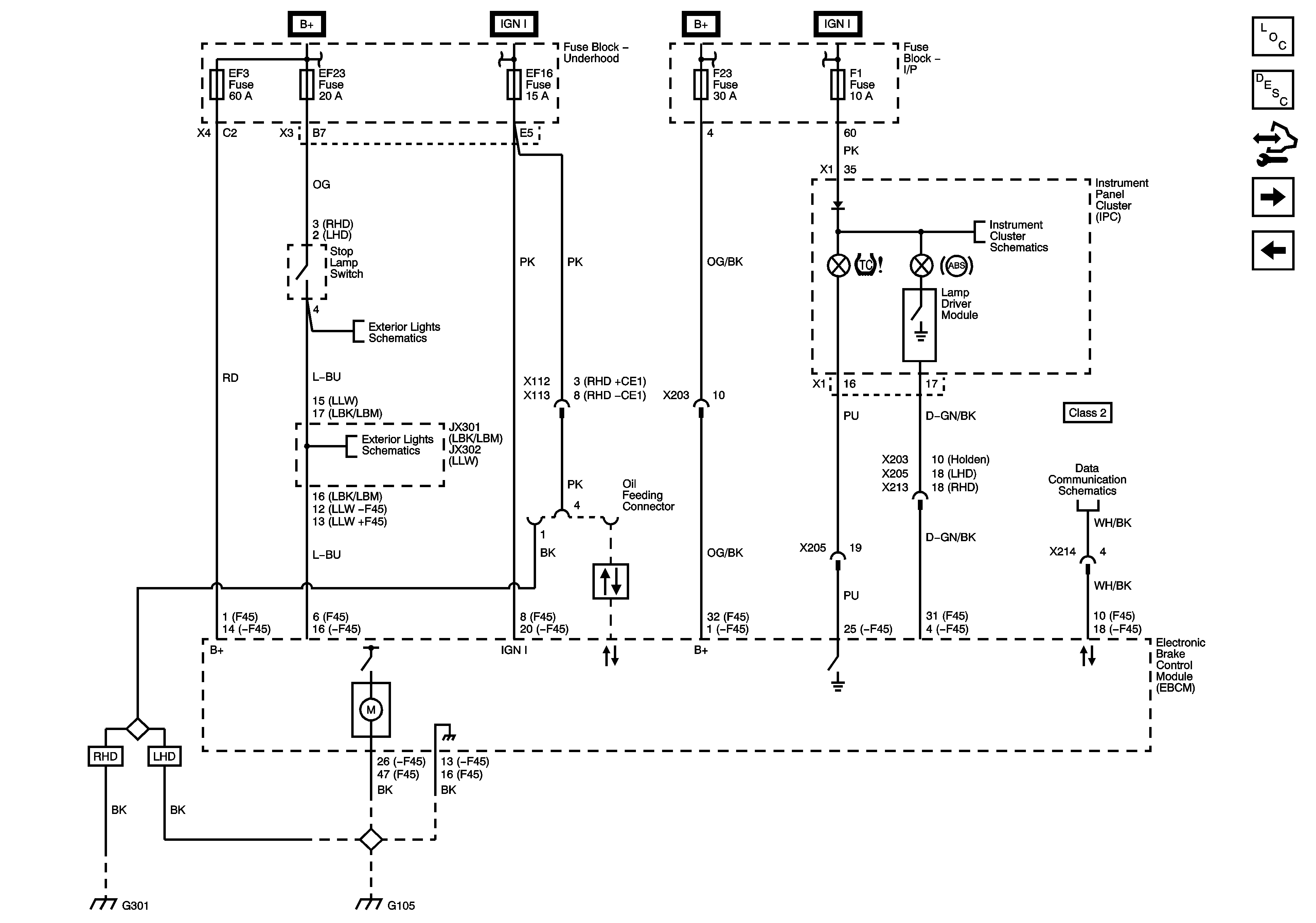
🢒 Power, Ground, Indicator/Warning Lamps and Switches (F45, JL9/NW9-F45)
Power, Ground, Indicator/Warning Lamps and Switches (F45, JL9/NW9-F45)
Power, Ground, Indicator/Warning Lamps and Switches (F45, JL9/NW9-F45)
Master Electrical Component List
ABS Description and Operation V275
Control Module References
Electronic Stability Controls (F45)
Power, Ground, Indicator/Warning Lamps and Switches (JL9/NW9)
B+ Bus
Ignition Switch
Fuse Block - I/P F8, F9, F15, F22, F23 Fuses
Ignition Switch
Indicators 1 of 3
Power, Ground, Class 2
High Speed GMLAN - MH7/MH8
Stop Lamps
Stop Lamps
G301 (RHD)
G103, G105, G108 (Diesel), G201